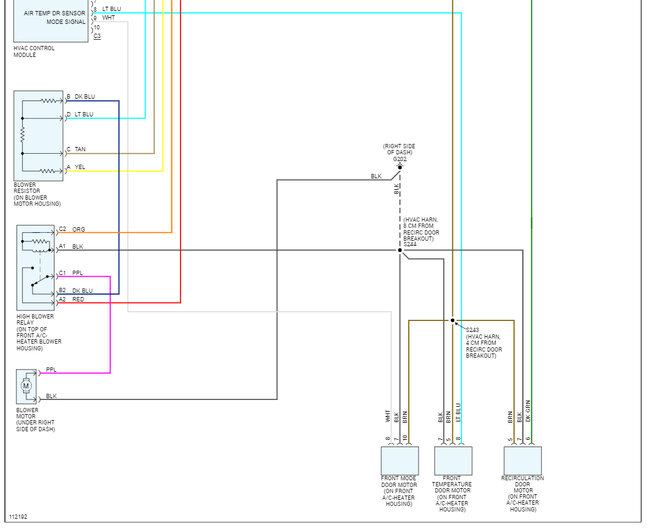
Changed the control module and the actuator and still no heat. Took actuator off and manually moved the blend door and it blew very hot. Checked actuator for movement and it moves but not much. Also, I can't get the actuator opening to match the angle of the blend door mount. Shouldn't one turn to match the other so it can be slid on?
Nov 25, 2023 at 10:57 AM





