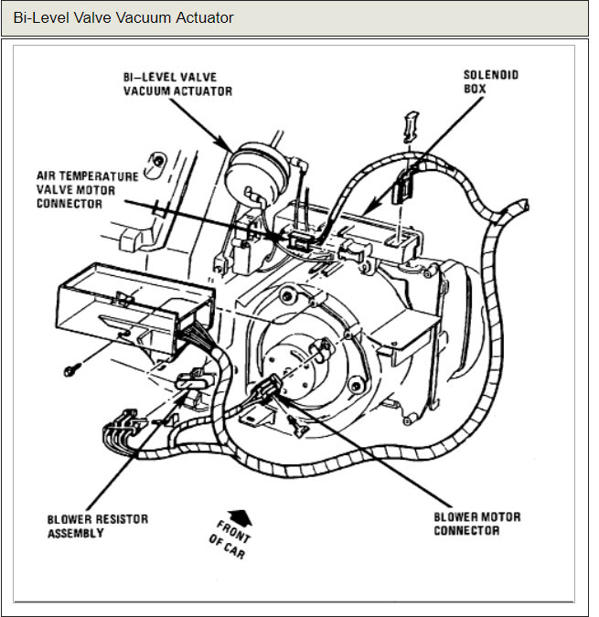
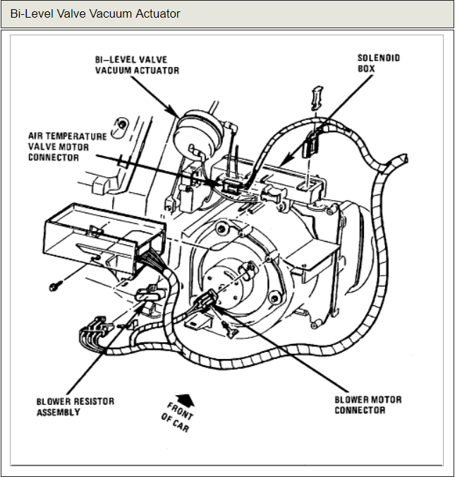
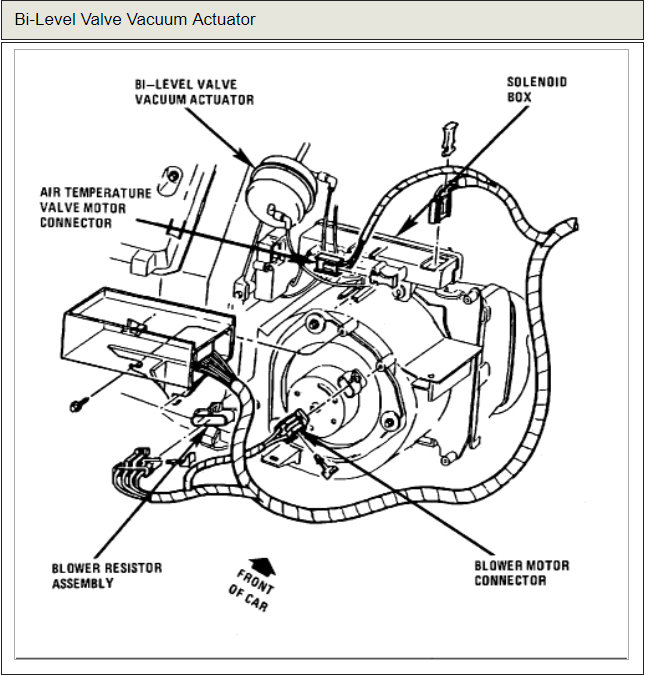
A/C compressor and heater work and the blower motor turns on. But cannot feel any air coming out of vents with A/C and heat on. Defrosters do not even blow. Does anyone know if the A/C heater control ever go bad? Someone said vacuum lines, vacuum reservoir, HVAC lines or vacuum lines below brake booster could be old. Air is coming out from under the glove box, but not out of the vents. Anyone ever have this problem before?
May 16, 2018 at 2:16 PM



