AC/Heat blower motor not working?

2005 CHEVROLET COLORADO
95,000 MILES • 2.8L • 4 CYL • 2WD • MANUAL
Avatar
WATSTY2
  • MEMBER
  • 2 POSTS
Heater and A/C started out working only on certain settings then it quit completely. Replaced resistor, blower motor, harnesses, and check fuses. What's my next step? Thinking control panel or maybe a new part is bad.
May 10, 2023 at 7:58 AM
Advertisement
Avatar
STRAILER
  • CERTIFIED EXPERT
  • 53,855 POSTS
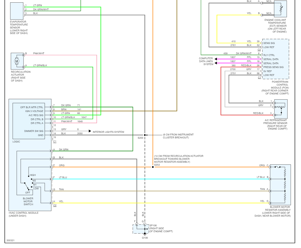
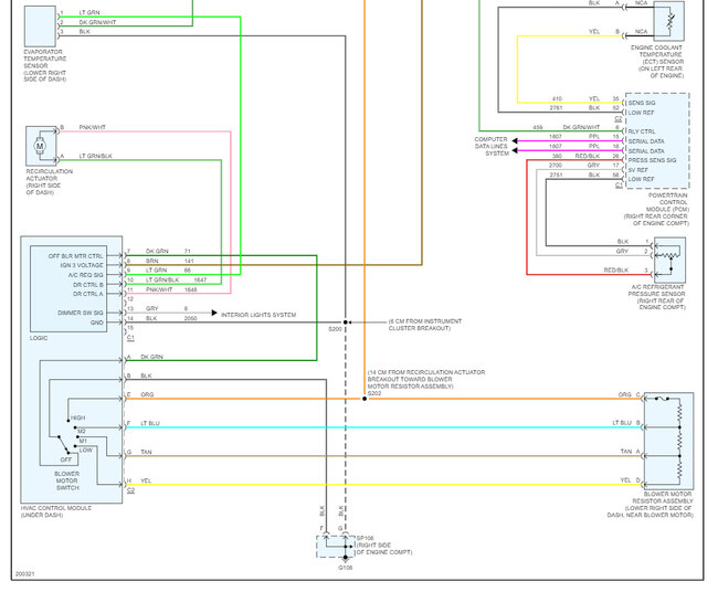
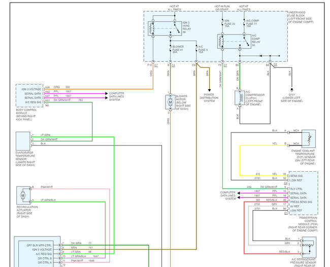
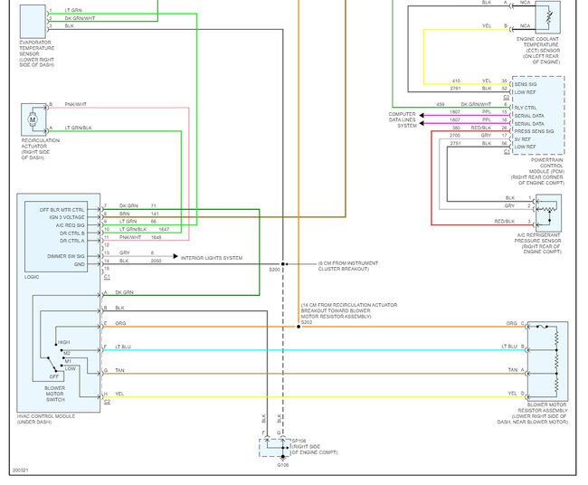
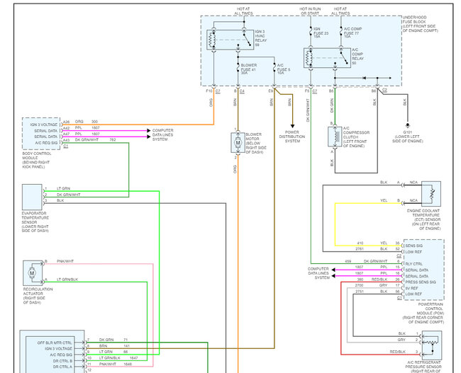
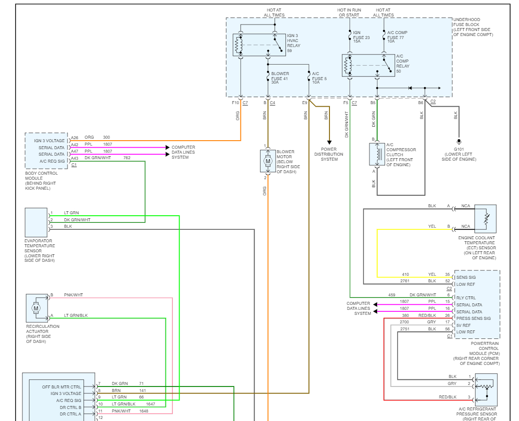
I would start by checking the power at fuse #41 under the hood which feeds the blower motor directly. The blower speed is controlled by the fan switch.

Here is a guide to help you test for power at the motor and fuse:

https://www.2carpros.com/articles/how-to-use-a-test-light-circuit-tester

Here is the blower motor wiring so you can see what I am talking about and how the system works. Check out the images (below). Let us know what happens and please upload pictures or videos of the problem so we can see what's going on.
May 10, 2023 at 12:22 PM
Avatar
WATSTY2
  • MEMBER
  • 2 POSTS
Thank you! I swapped the #41 fuse, still no power. I will start testing power and see.
May 10, 2023 at 12:34 PM
Advertisement
Avatar
STRAILER
  • CERTIFIED EXPERT
  • 53,855 POSTS
Yep, see if you have power to the blower motor. Also, swap the IGN 3 relay to see what happens.
May 11, 2023 at 9:10 AM