AC/heat controls not working?

2006 CHEVROLET EQUINOX
154,000 MILES
Avatar
MKGREGS537
  • MEMBER
  • 1 POST
Hello! Recently my AC/heating controls have stopped working in my car. It started where it would get “stuck” on one setting. I would turn the dial to heat, it would stay cold. I would turn the dial to cool, it would stay warm. Like wherever I set the dial to initially, it would get stuck. After a while the lights on the panel stopped coming on, the ac button with the snowflake wouldn’t light up when pressed and didn’t work either. I could get it to work for a couple of months by gently hitting the panel and it would work again. Currently, the blowers work and all, but I cannot control if my A/C or heat come on by turning the dials. I would just love to know which parts I need to most likely replace!!! I know my heating and A/C systems work, i just can’t control them or get them to turn on. Thank you!!!
Oct 26, 2022 at 9:28 AM
Advertisement
Avatar
JACOBANDNICKOLAS
  • CERTIFIED EXPERT
  • 110,175 POSTS
Hi,

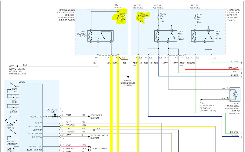
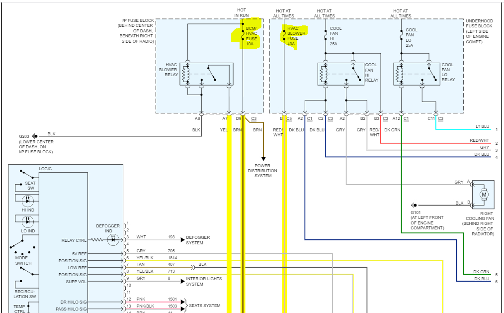
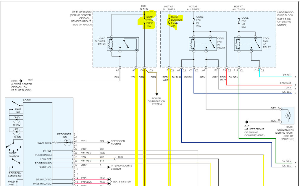
Based on your description, it sounds like the HVAC control module (component with the switches) has failed. However, we need to check for power to it first.

If you look at the first two pics below, it shows the wiring between the power supply and the module. Check the fuses I highlighted. In addition to checking the fuses, confirm they are getting power to and from them.

Here is a link you may find helpful:

https://www.2carpros.com/articles/how-to-check-a-car-fuse

If they check good, we need to have the can-bus scanned to confirm the issue is from the module. CAN stands for controller area network. Basically, the different modules in the vehicle are attached by a few wires. This type of scan will retrieve codes regardless of the module storing them. If there are codes related to the HVAC module, it will show up.

Here is a link that explains how this is done:

https://www.2carpros.com/articles/can-scan-controller-area-network-easy

Let me know what you find.

Take care,

Joe

See pics below. Pics 3 and 4 show the fuse locations in the fuse boxes.

Oct 26, 2022 at 7:27 PM