Hi,
I need to know which fan you are referring to. Is it the condenser fan under the hood or is it the blower motor fan inside the vehicle?
If it is the A/C condenser fan under the hood, it will cycle with the A/C compressor, so that isn't a concern.
If it is the interior fan, check wire connectors at the fan motor (under right side of dash) and controller connections.
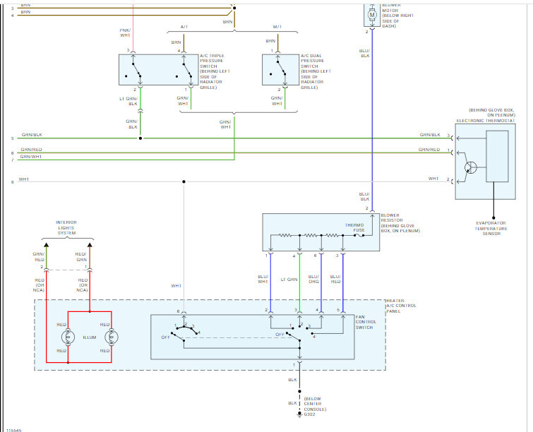
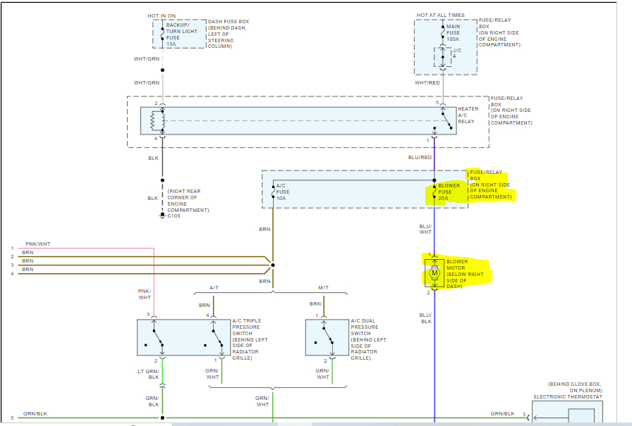
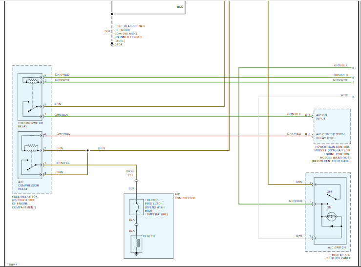
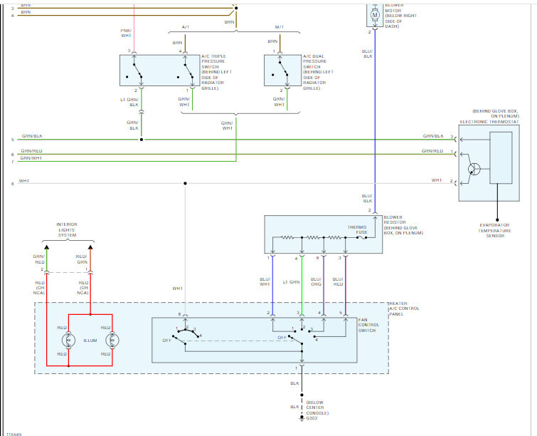
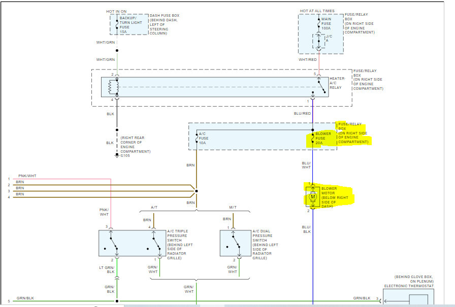
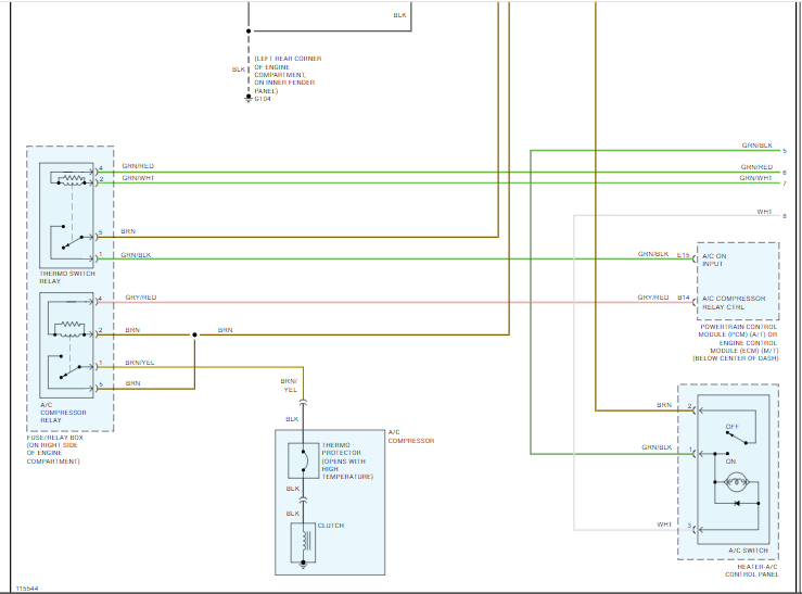
I attached the wiring schematic below for both fans. Also, check to make sure you don't have a loose or corroded fuse. See pics.
Let me know.
Joe
See pics below.
Images (Click to enlarge)
Sep 29, 2024 at 7:40 PM