Radiator fan not coming on when the A/C turned on?

2010 AUDI A5
92,000 MILES • 3.2L • V6 • 4WD • AUTOMATIC
Avatar
BHAMDOC1973
  • MEMBER
  • 2,008 POSTS
HVAC unit works fine. Fan not coming on when ac turned on. A/C compressor turning. These are the codes i found.
Sep 17, 2024 at 11:49 AM
Advertisement
Avatar
BHAMDOC1973
  • MEMBER
  • 2,008 POSTS
I think its the pressure switch. I removed the front plastic cover and found it but everywhere online it looks different. Can you get me part number? Here is mine and what i found online.
Sep 17, 2024 at 2:48 PM
Avatar
STRAILER
  • CERTIFIED EXPERT
  • 53,854 POSTS
I don't think the pressure switch will make the blower motor stop working. Here is a guide to help test to see if the blower motor is bad:

https://www.2carpros.com/articles/how-to-test-an-automotive-hvac-system-blower-fan-motor-a-detailed

I would check the blower motor wiring connections and the wiring at the speed resistor which I have seen burn up the wiring at the connectors. Here is the location for both.

please consider helping us keep the site going by using our GoFundMe page?

https://gofund.me/c7d318ad

Check out the images (below). Please let us know what happens.
Sep 17, 2024 at 4:12 PM
Advertisement
Avatar
BHAMDOC1973
  • MEMBER
  • 2,008 POSTS
No. i meant the engine fan not coming on, blower works fine.
Sep 17, 2024 at 4:14 PM
Avatar
STRAILER
  • CERTIFIED EXPERT
  • 53,854 POSTS
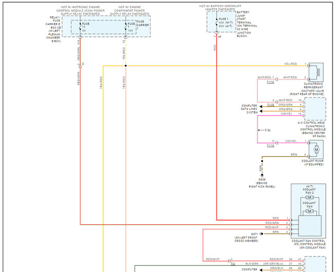
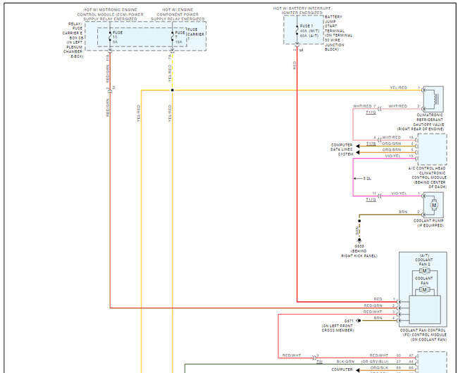
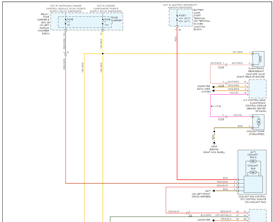
Okay, here are the radiator fan wiring diagrams so you can see how the system works. That pressure switch looks like a high-pressure switch, I don't have the part number for it.
Sep 18, 2024 at 8:34 AM
Avatar
BHAMDOC1973
  • MEMBER
  • 2,008 POSTS
If the switch is bad will it stop the compressor and therefore the fan from coming on?
Sep 18, 2024 at 8:35 AM
Avatar
STRAILER
  • CERTIFIED EXPERT
  • 53,854 POSTS
Does the system have refrigerant in it? This will cause the problem you are having. Try unplugging the pressure switch and then jump it to see if anything changes.
Sep 18, 2024 at 5:33 PM
Avatar
BHAMDOC1973
  • MEMBER
  • 2,008 POSTS
Replacing the sensor strangely fixed it you hardly see that on audis. Thanks for the help.
Sep 21, 2024 at 3:39 PM
Avatar
STRAILER
  • CERTIFIED EXPERT
  • 53,854 POSTS
Glad you could get it fixed, thanks for letting us know. Please use 2CarPros anytime we are here to help.
Sep 22, 2024 at 10:06 AM