A/C fan blower vs switch

2013 FORD EXPEDITION
121,000 MILES
Avatar
CJGOODYEAR
  • MEMBER
  • 1 POST
A/C fan fluctuates. Starts blowing slow then goes full speed then slows then fast. Air is cold once fan blows high speed. Fan button seems unresponsive at times. So is it the blower or possibly the button?
May 3, 2019 at 7:30 PM
Advertisement
Avatar
STEVE W.
  • CERTIFIED EXPERT
  • 15,113 POSTS
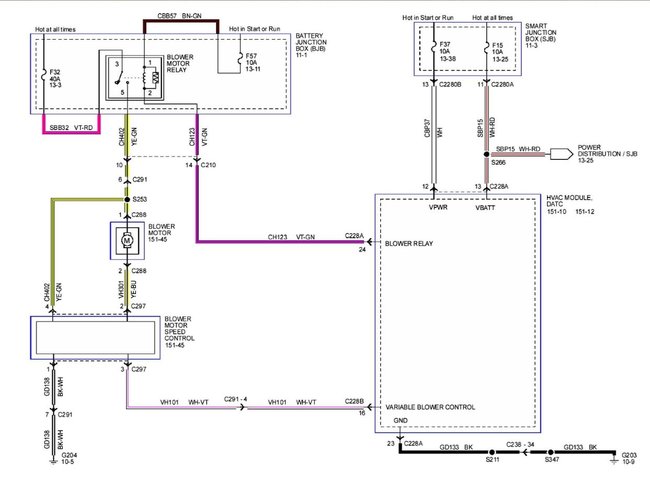
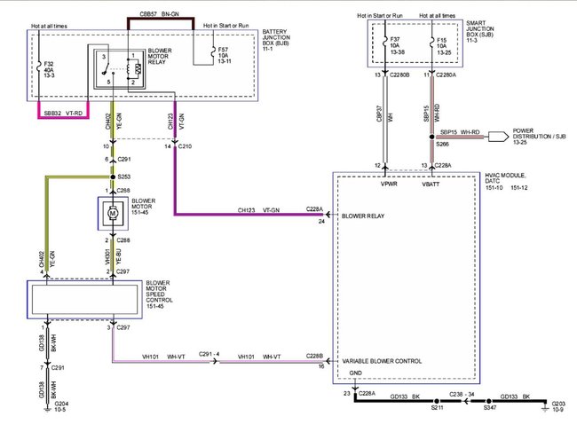
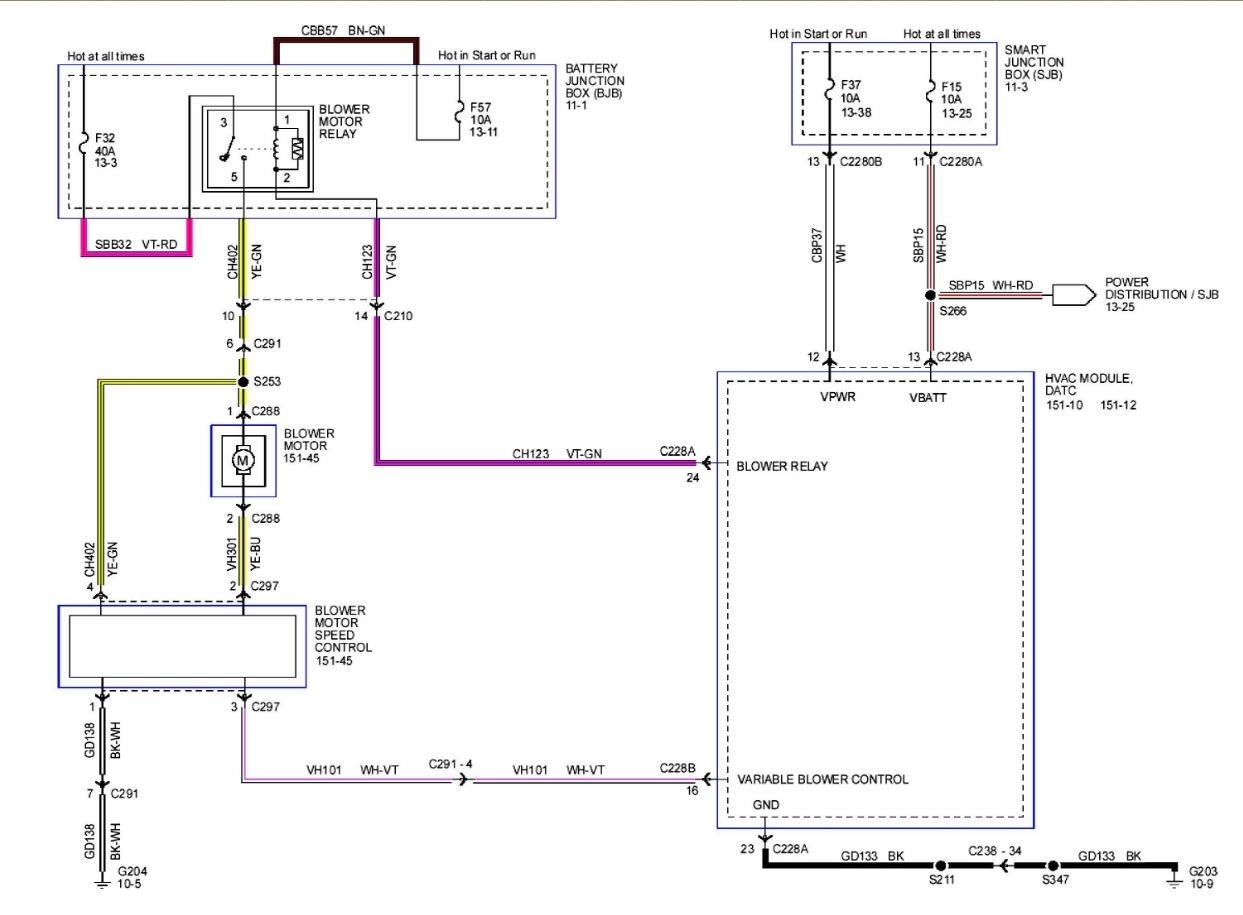
Hello and welcome to 2CarPros. A fan acting that way could be the blower motor itself failing or it could be the controller. The way to test it would be to disconnect the blowers power connection, then put a high draw test light in the circuit. (A headlight bulb or similar works well) Now turn on the system and watch the bulb. If it goes bright then dim then alternates like the fan was doing it is the controller that is failing. If it stays constant and only changes as you change the fan speeds then it is the blower motor itself. Getting to the blower is easy. There are two plastic push pins that secure the cover under the dash on the passenger side. Remove those, then the fuse junction box cover. Then disconnect the wiring and test it. Removing the blower motor isn't hard, there are three screws. Remove those then you need to sort of pry it out of the housing, it can be tricky as there is just barely enough room to get it out. Start by rotating it so the vent tube (6 in pic) is pointing toward the seat, then push on the insulator panel to get clearance.
May 5, 2019 at 4:45 PM