Good morning,
I will attach the possibilities for you for the codes.
What is the exact issue you have with the climate control?
I attached the operation and possible causes for the codes. The codes are 4 digit codes, not 2. It appears to be a wiring issue with the control system.
https://www.2carpros.com/articles/how-to-check-wiring
Normal Operation
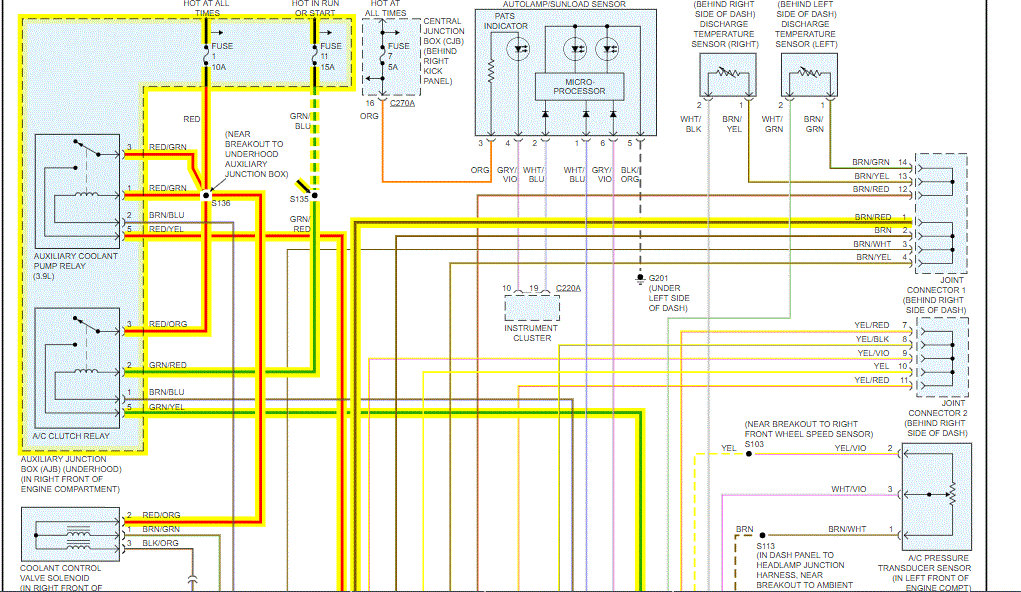
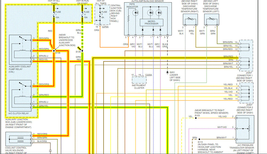
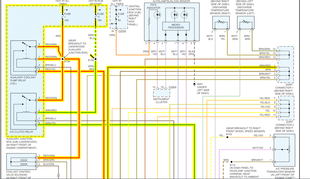
Under normal operation, the coolant control valve receives battery voltage through circuit 30-FB3 (RD/OG)/30-FA1 (RD). The coolant control valve is provided a ground through circuit 91S-FB3 (BN/BL) and/or 91S-FB4 (BN/GN) from the Dual Automatic Temperature Control (DATC) module, depending on which side of the heater core the warm coolant is to flow through.
Under normal operation, the auxiliary coolant pump relay coil receives a ground from the Dual Automatic Temperature Control (DATC) module through circuit 91S-FA76 (BN/BL). The Coil receives battery voltage through circuit 30-FA74 (RD/GN). Battery voltage is supplied to the relay contacts from circuit 30-FA74 (RD/GN). When the relay coil is energized, voltage is delivered to the auxiliary coolant pump motor through circuit 30S-FB1 (RD/YE). Ground for the motor is provided through circuit 31-FB1 (BK/YE).
Possible Causes
An open in circuit 30-FB3 (RD/OG)/30-FA1 (RD), 91S-FB3 (BN/BL) or 91S-FB4 (BN/GN).
A short to ground or voltage in circuit 91S-FB3 (BN/BL) or 91S-FB4 (BN/GN).
A short to voltage in circuit 91S-FB3 (BN/BL) or 91S-FB4 (BN/GN).
Coolant control valve.
Evaporator discharge air temperature sensor.
DATC module.
1265
Normal Operation
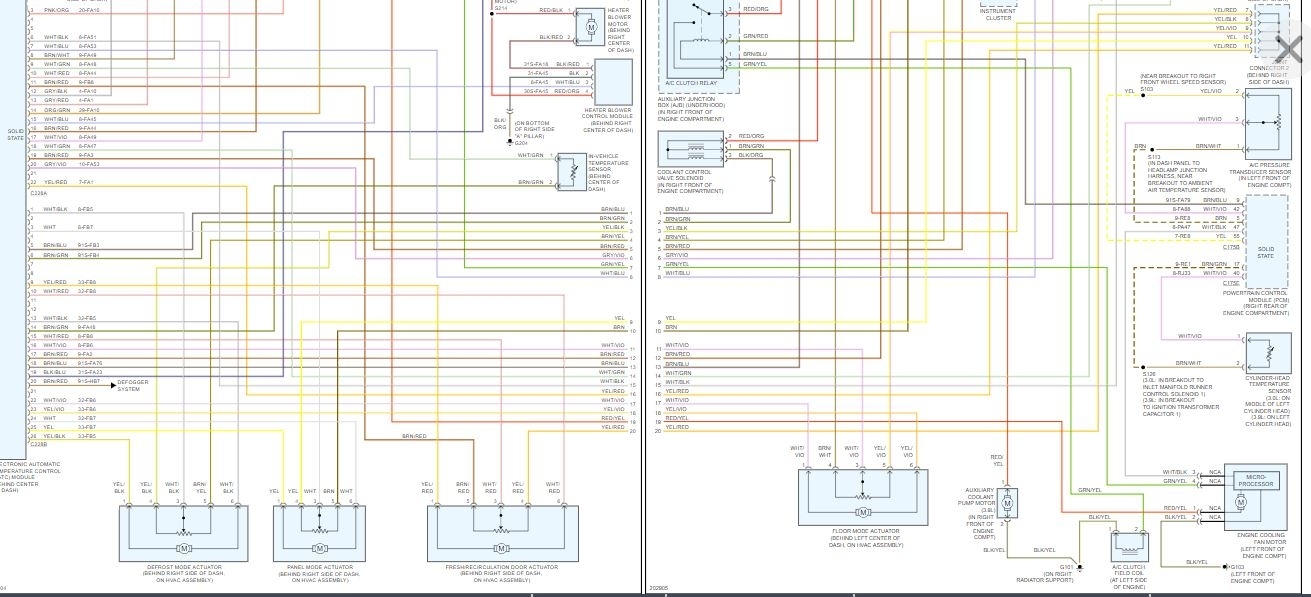
Under normal operation, to open the mode doors, the DATC module supplies the cold air bypass, air inlet, defrost, panel mode and floor mode door actuator motors voltage through the door actuator open circuits and ground through the door actuator close circuits. To close the mode doors, the DATC module reverses the voltage and ground circuits.
The mode door actuator feedback resistors are supplied a ground from the DATC module by the mode door actuator return circuits and a 5-volt reference voltage on the mode door actuator reference circuits. The DATC module reads the voltage on the mode door actuator feedback circuits to determine the mode door actuator position by the position of the actuator feedback resistor wiper arm.
Door actuator open circuits:
Air inlet - 32-FB8 (WH/RD)
Defrost - 32-FB5 (WH/BK)
Panel mode - 32-FB7 (WH)
Floor mode - 32-FB6 (WH/VT)
Door actuator close circuits:
Air inlet - 33-FB8 (YE/RD)
Defrost - 33-FB5 (YE/BK)
Panel mode - 33-FB7 (YE)
Floor mode - 33-FB6 (YE/VT)
Door actuator return circuits:
Air inlet - 9-FB8 (BN/RD)
Defrost - 9-FB5 (BN/YE)
Panel mode - 9-FB7 (BN)
Floor mode - 9-FB6 (BN/WH)
Door actuator reference circuits:
Air inlet - 7-FB8 (YE/RD)
Defrost - 7-FB5 (YE/BK)
Panel mode - 7-FB7 (YE)
Floor mode - 7-FB6 (YE/VT)
Door actuator feedback circuits:
Air inlet - 8-FB8 (WH/RD)
Defrost - 8-FB5 (WH/BK)
Panel mode - 8-FB7 (WH)
Floor mode - 8-FB6 (WH/VT)
Possible Causes
An open, short to voltage, ground or together in door actuator open, close, return, reference or feedback circuits.
Air inlet, defrost, panel mode and floor mode door actuator motor.
DATC module.
Stuck or bound linkage or door.
Images (Click to enlarge)
Jul 27, 2020 at 7:49 AM