A/C cuts on and off

2012 HONDA CIVIC HYBRID
67,000 MILES
Avatar
RROGCCHAR
  • MEMBER
  • 4 POSTS
When driving my A/C will automatically go from cabin air (cold air) to outside air (warm air). After a few minutes it will switch back to cabin air (cold). This cycle keeps repeating itself. When it cuts off I cannot manually switch it back on. What could be the cause of this?
Aug 31, 2019 at 1:10 PM
Advertisement
Avatar
STRAILER
  • CERTIFIED EXPERT
  • 53,854 POSTS
Can I ask if the air flow remains the same as these changed occur? I am trying to see if the system is icing up or if it is a blend door issue.

This guide may help

https://www.2carpros.com/articles/car-air-conditioner-not-working-or-is-weak

Please run down this guide and report back.
Sep 2, 2019 at 5:14 PM
Avatar
RROGCCHAR
  • MEMBER
  • 4 POSTS
The air flow remains constant. I have also noticed that it happens when the outside temperature is around 100 degrees or above. That occurs nearly every afternoon this time of year in South Texas. It works fine mornings, early afternoon and evenings. Not sure if this added information helps or makes since or not. Thanks for responding!
Sep 3, 2019 at 6:35 AM
Advertisement
Avatar
RROGCCHAR
  • MEMBER
  • 4 POSTS
Thanks for the article. If it is a blend door issue would that also effect the defrost? That doesn't work all that great either.
Sep 3, 2019 at 6:37 AM
Avatar
STRAILER
  • CERTIFIED EXPERT
  • 53,854 POSTS
If the system is down on charge it will ice up causing the air flow to slow and the cold to stop working. So we need to tell if it is a vent issue or an pressure issue. Here is a guide that will help:

https://www.2carpros.com/articles/re-charge-an-air-conditioner-system

and

https://youtu.be/uZrQCGwXfek

This will show the correct pressures.

Can you please shoot a quick video with your phone so we can see what's going on? that would be great. You can upload it here with your response.
Sep 3, 2019 at 9:41 AM
Avatar
RROGCCHAR
  • MEMBER
  • 4 POSTS
I had a mechanic look at it last week and the first thing he did was make sure it was fully charged so I do not believe that is the issue. He drove it but it didn't shut off and on for him. Probably drove it in the morning or early afternoon. He said he wasn't real framiliar with the hybrid systems and recommended that I take it to the dealer.
Sep 3, 2019 at 9:52 AM
Avatar
STRAILER
  • CERTIFIED EXPERT
  • 53,854 POSTS
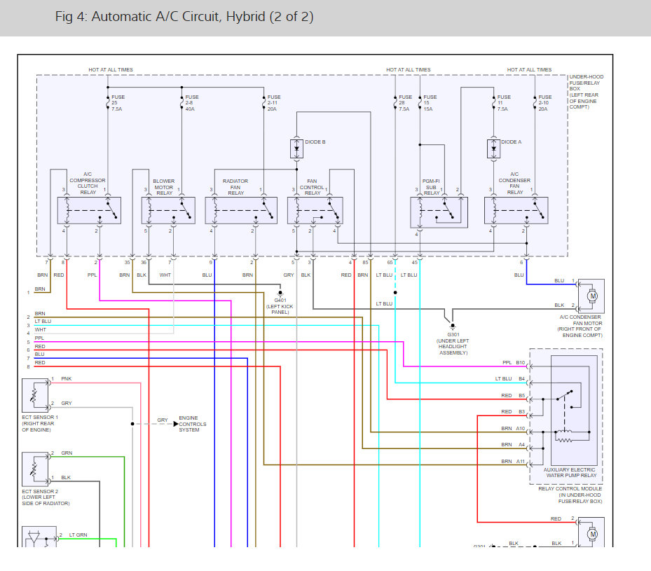
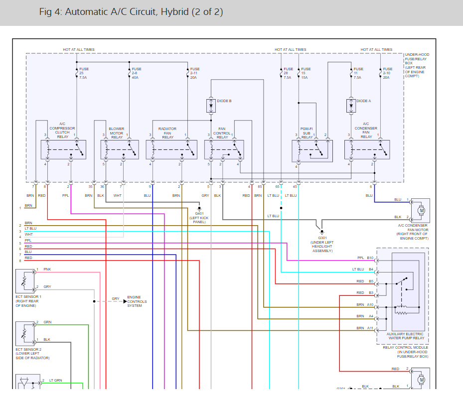
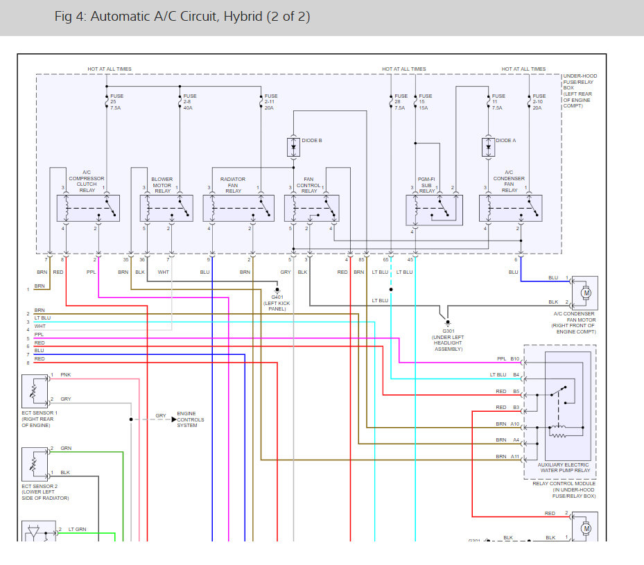
Nice work on the video. One of two things can be happening which we will check for, either the AC compressor stops working (clutch issue) or the mode blend door is having a problem. So this is what I want you to do. When the AC stops blown cold pull over open the hood and using a flashing light see if the compressor clutch is turning. This guide will help:

https://www.2carpros.com/articles/car-air-conditioner-not-working-or-is-weak

Next grasp the larger AC tube coming from the firewall to see if it is cold. If the compressor is working and the tube cold it will be a blend door issue. Here are the air conditioner wiring diagrams so we can see how the system works. Check out the diagrams (below). Please let us know what you find.
Sep 5, 2019 at 10:24 AM