Welcome to 2CarPros.
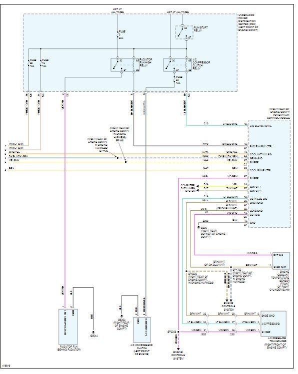
There is a pressure sensor in the smaller diameter line that controls the fan and clutch engagement on the compressor. I'll post info on replacing it along with the wiring diagram below.
Another common thing that causes the poor cooling and pressure issues at idle is a failing expansion valve. Replacement is not difficult but you will need to have the refrigerant evacuated and recharged. Info on that below as well.
Most often it's the expansion valve
PRESSURE SWITCH
1. Disconnect and isolate the negative battery cable.
2. Disconnect the wire harness connector (1) from the A/C pressure transducer (2) located on the A/C discharge line (3).
3. Remove the A/C pressure transducer from the fitting on the A/C discharge line and remove and discard the O-ring seal.
EXPANSION VALVE
1. Disconnect and isolate the negative battery cable.
2. Recover the refrigerant from the refrigerant system
3. Remove the nut (1) that secures the A/C liquid line (2) and A/C suction line (3) to the A/C expansion valve (4).
4. Disconnect the A/C liquid and suction lines and from the A/C expansion valve and position the refrigerant lines out of the way.
5. Remove the O-ring seals from the liquid and suction line fittings and discard.
6. Install plugs in, or tape over the opened liquid and suction line fittings.
7. Remove the two bolts (1) that secure the A/C expansion valve (2) to the evaporator tube tapping block (3).
8. Remove the A/C expansion valve from the evaporator tube tapping block and remove and discard the O-ring seals.
9. Install plugs in, or tape over the opened evaporator tube fittings and all expansion valve ports.
Images (Click to enlarge)
Sep 7, 2019 at 8:15 AM