A/C controls do not work?

2005 TOYOTA SEQUOIA
66,000 MILES • 4.8L • V8 • 2WD • AUTOMATIC
Avatar
BELTFED
  • MEMBER
  • 7 POSTS
climate control panel not working
Jul 11, 2017 at 7:13 PM
Advertisement
Avatar
STRAILER
  • CERTIFIED EXPERT
  • 53,854 POSTS
Hello,

Is sounds like a fuse or the MG circuit control relay. Here are some guides and diagrams (below) to help you do some testing and get the problem fixed.


https://www.2carpros.com/articles/how-to-check-a-car-fuse

and

https://www.2carpros.com/articles/how-to-check-an-electrical-relay-and-wiring-control-circuit


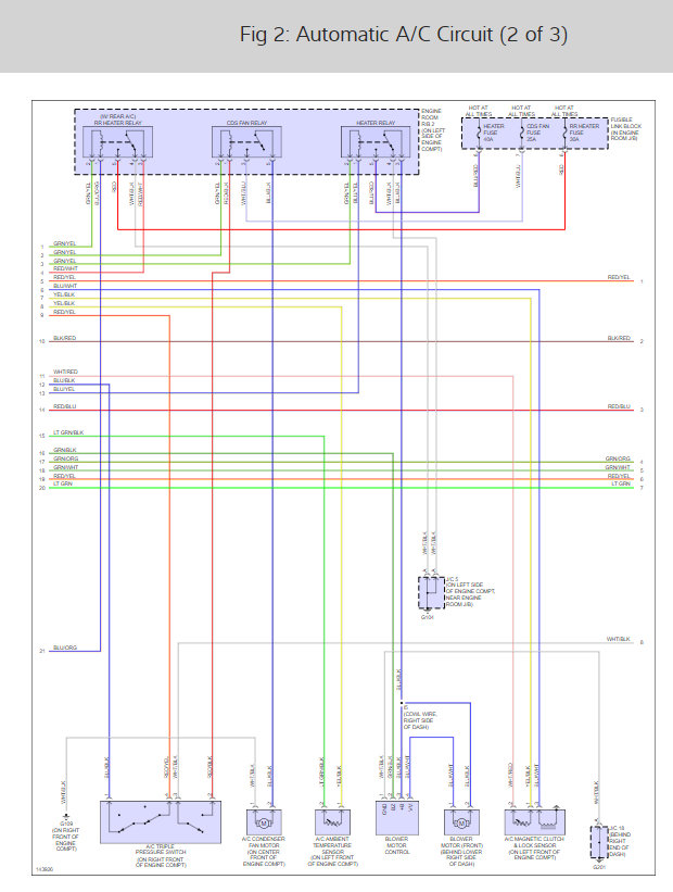
Check out the diagrams (Below). Please let us know what you find.
Jul 12, 2017 at 11:15 AM
Avatar
BELTFED
  • MEMBER
  • 7 POSTS
Checked fuses and MG relay. all good so far
Jul 14, 2017 at 7:04 AM
Advertisement
Avatar
STRAILER
  • CERTIFIED EXPERT
  • 53,854 POSTS
Does the system have power?

Check the A/C fuses:

Test the A/C control panel:

Check the A/C blower motor:

Inspect the A/C compressor:
Jul 14, 2017 at 9:36 AM
Avatar
BELTFED
  • MEMBER
  • 7 POSTS
Checked connection at compressor. No power
Jul 14, 2017 at 11:42 AM
Avatar
STRAILER
  • CERTIFIED EXPERT
  • 53,854 POSTS
If the fuses are good and the relay is good, then you will need to check the wiring.

https://www.2carpros.com/articles/how-to-check-wiring

If this checks out then the controller is bad and needs to be replaced.

Please run some tests and get back to us we are interested to see what it is.

Cheers, Ken
Jul 17, 2017 at 9:30 AM
Avatar
BELTFED
  • MEMBER
  • 7 POSTS
Is this referred to as the a/c integrated control panel? The a/c went out at the same time as the coolant temp gauge. After researching, it appears the coolant temp info is also sent through the same a/c integrated control panel. Does this make sense?
Jul 17, 2017 at 11:51 AM
Avatar
STRAILER
  • CERTIFIED EXPERT
  • 53,854 POSTS
Yes it sure does, it sounds like the control panel is bad.

Please let us know what happens.

Cheers, Ken
Jul 18, 2017 at 9:32 AM
Avatar
DAVID SPRIGGS
  • MEMBER
  • 2 POSTS
Same issue for me. I got another panel from LKQ and it also doesn't respond. All fuses tested and are good. Has anyone solved this issue yet?
Aug 19, 2019 at 6:07 AM
Avatar
STRAILER
  • CERTIFIED EXPERT
  • 53,854 POSTS
We need to check for power at each of the system fuses not that the fuse is good the test is for power at the fuse. here is a guide and the fuse locations. Htr, CIG, Dome, Heater, RR heater and COS fan.

https://www.2carpros.com/articles/how-to-check-a-car-fuse

Check out the diagrams (below). Please let us know what happens.
Aug 19, 2019 at 4:13 PM
Avatar
DAVID SPRIGGS
  • MEMBER
  • 2 POSTS
Took it to a shop today, gave them both units and explained the situation. They got back to me today and said that the harness is not giving power to the unit. So they found a short/broken wire near the connector and fixed it, everything works now.
Aug 19, 2019 at 7:33 PM
Avatar
STRAILER
  • CERTIFIED EXPERT
  • 53,854 POSTS
Glad you could get it fixed, that kind of problem can be tough. Please use 2CarPros anytime we are here to help.
Aug 20, 2019 at 9:44 AM
Avatar
JIMDONSMITH
  • MEMBER
  • 4 POSTS
When I turn the temperature control **** to max cold...the heater control valve goes all the way to the top and cold air blows. When I adjust the temperature off of "max"...even by just one degree...the heater control valve goes all the way to the bottom and hot air blows. So it seems that it is either all up or all down. I assume it should vary to allow cooler or warmer temperatures to come through heater core. I guess the heater control valve is ok and the control cable is ok. So is my problem the temperature control electronic parts are something different?
Oct 10, 2020 at 9:29 AM (Merged)
Avatar
HMAC300
  • CERTIFIED EXPERT
  • 48,601 POSTS
in american cars they are actuators but in yours they are servo motors. I've included a pic see if they are working corrrectly, especially the air mix one
Oct 10, 2020 at 9:29 AM (Merged)
Avatar
JIMDONSMITH
  • MEMBER
  • 4 POSTS
thanks for the quick response. Is there a way to determine if the problem is the servo or the actual control ****??
Oct 10, 2020 at 9:29 AM (Merged)
Avatar
HMAC300
  • CERTIFIED EXPERT
  • 48,601 POSTS
if it's vacuum turn the control toheat and see if you are getting vacuum. if you are and it's not working then it's the servo.if it's electricyou'll have to do the same but use a test light or vom
Oct 10, 2020 at 9:29 AM (Merged)
Avatar
JIMDONSMITH
  • MEMBER
  • 4 POSTS
Ok. I still have no clue. I changed the air temperature control and the problem remains. What regulates the air mix servo? If it is only working from all hot or all cold...then a relay, resister or some sort of module must tell it to stop in the middle to allow the air to mix to "warm". Any information would be greatly appreciated.
Oct 10, 2020 at 9:29 AM (Merged)
Avatar
HMAC300
  • CERTIFIED EXPERT
  • 48,601 POSTS
it's controlld by the control unit that says hot/cold. if it's vacuum it's how much is sent to it and if it's electrical ther ewill b a module inside teh control unit for it.
Oct 10, 2020 at 9:29 AM (Merged)
Avatar
JIMDONSMITH
  • MEMBER
  • 4 POSTS
OK....got it figured out. When I took car to dealership to have them repair the ignition switch, they unplugged the thermistor and never plugged it back in. It was located under the driver steering wheel behind the temperature sensor vent. I plugged it back in and it works perfectly. Thanks.
Oct 10, 2020 at 9:29 AM (Merged)
Avatar
LINDSAY NEAL OBERG
  • MEMBER
  • 4 POSTS
I have the SR5 model. AC panel lights up but neither the temperature nor the fan speed knobs do anything at all. None of the other climate control related buttons respond either, however, the 4WD, VSC and hazard buttons work. Fuses are all good. Any ideas?
Oct 10, 2020 at 9:29 AM (Merged)
Avatar
RIVERMIKERAT
  • CERTIFIED EXPERT
  • 6,110 POSTS
Our pleasure. Happy to help. Closing thread.
Oct 10, 2020 at 9:29 AM (Merged)
Avatar
KHLOW2008
  • CERTIFIED EXPERT
  • 41,814 POSTS
Hi Lindsay,
I would suggest checking the A/C control panel. Seems like it has an internal fault and the easiest way is to get a substitute part to test. You should be able to get one at a reasonable price from the junk yards. Request them to allow you to test before purchase and only if it solves the problem.

K H Low
Oct 10, 2020 at 9:29 AM (Merged)
Avatar
LINDSAY NEAL OBERG
  • MEMBER
  • 4 POSTS
Tried a new/different climate control panel and had the same results. AC screen lights up and shows the “guy in the chair” icon but knobs are all unresponsive. Any other suggestions?
Oct 10, 2020 at 9:29 AM (Merged)
Avatar
KHLOW2008
  • CERTIFIED EXPERT
  • 41,814 POSTS
The diagrams illustrates how to retrieve trouble codes of the A/C system. Give it a try and let us know if there are any codes.
Oct 10, 2020 at 9:29 AM (Merged)
Avatar
LINDSAY NEAL OBERG
  • MEMBER
  • 4 POSTS
What is the R/F switch?
Oct 10, 2020 at 9:29 AM (Merged)
Avatar
STRAILER
  • CERTIFIED EXPERT
  • 53,854 POSTS
Good question not sure. I would test the power and grounds.

https://www.2carpros.com/articles/how-to-check-wiring

Check out the diagrams (below). Please run this test and get back to us. Let me know if you need larger diagrams for the wiring.

Cheers, Ken
Oct 10, 2020 at 9:29 AM (Merged)
Avatar
LINDSAY NEAL OBERG
  • MEMBER
  • 4 POSTS
Fixed it. Rear climate control panel had some sticky buttons. Cleaned them up and front AC controls work.
Oct 10, 2020 at 9:29 AM (Merged)
Avatar
DANNY L
  • CERTIFIED EXPERT
  • 5,648 POSTS
Hello, I am Danny.

Job well done! Thanks again for using 2CarPros.com.
Oct 10, 2020 at 9:29 AM (Merged)
Avatar
CURTISWEBB
  • MEMBER
  • 2 POSTS
Hi Lindsay. Not sure if you will see this message, as I don't think I can message you directly. But as I followed this thread, I couldn't determine what you actually did. I have the same problem. Did you simply clean the controls on the rear control panel?
Oct 10, 2020 at 9:29 AM (Merged)
Avatar
STRAILER
  • CERTIFIED EXPERT
  • 53,854 POSTS
Yes, the button will stick down causing the system not to work. You can clean them with soap and a damp towel. Can you please shoot a quick video with your phone so we can see what's going on? that would be great. You can upload it here with your response.
Oct 10, 2020 at 9:29 AM (Merged)
Avatar
CURTISWEBB
  • MEMBER
  • 2 POSTS
Hi Ken, yes, it was the sticky buttons. I've cleaned them and the system now works. :)
Oct 10, 2020 at 9:29 AM (Merged)
Avatar
STRAILER
  • CERTIFIED EXPERT
  • 53,854 POSTS
Nice work, we are here to help, please use 2CarPros anytime.
Oct 10, 2020 at 9:29 AM (Merged)
Avatar
ERNIE POULIN
  • MEMBER
  • 1 POST
In answer to the R/F question, it is the Recirculate/Fresh Air button. So it is saying, to put the A/C system in diagnostic mode, without ECM test equipment, hold the Auto and that R/F button down concurrently while starting the Sequoia (or Tundra) and, as the flowchart posted above shows, it will put it in DTC mode. The temperature screen will show the Diagnostic Trouble Code, which you can Google or download a service manual to troubleshoot. As to the issue we have, the panel buttons and fan control knob do not respond at all, even when starting. Your finding the sticky rear control button was great! I replaced the relay. The controls still do not respond. I was about to get a new A/C control board until I read your note, Lindsay (albeit a couple years ago so you may not see this, but hopefully it'll help others). I am cleaning the rear sticky buttons now and [fingers crossed]. Thanks! :)
Oct 10, 2020 at 9:29 AM (Merged)
Avatar
STRAILER
  • CERTIFIED EXPERT
  • 53,854 POSTS
Excellent addition to this thread! Please feel free to use 2CarPros anytime!
Oct 10, 2020 at 9:29 AM (Merged)
Avatar
DANNY L
  • CERTIFIED EXPERT
  • 5,648 POSTS
Glad to hear everyone's problem on this thread was fixed with all the information provided by everyone. Hope you will all use the site again in the future. Thanks again for using 2CarPros.

Danny-
Oct 10, 2020 at 9:29 AM (Merged)