A/C Control Panel wiring diagram needed

2013 CHEVROLET MALIBU
93,000 MILES • 2.4L • 4 CYL • 2WD • AUTOMATIC
Avatar
SABINE BAUER
  • MEMBER
  • 4 POSTS
Hello! i just destroyed the connector terminal that goes into the A/C Panel. now i want to rewire the connector but i am not sure in which order the three cables should be connected. Anybody here that can help me?
Cheers from Germany,
Sabine
Jun 23, 2022 at 11:30 PM
Advertisement
Avatar
JACOBANDNICKOLAS
  • CERTIFIED EXPERT
  • 110,175 POSTS
Hi,

That doesn't sound good. Listen, I would be happy to help but I need to know if you have automatic or manual climate control.

Let me know.

Take care,

Joe
Jun 24, 2022 at 9:12 PM
Avatar
SABINE BAUER
  • MEMBER
  • 4 POSTS
That’s how the panel looks like.
Jun 25, 2022 at 3:19 AM
Advertisement
Avatar
SABINE BAUER
  • MEMBER
  • 4 POSTS
The connector is just a terminal socket with three cables going in.
Jun 25, 2022 at 3:21 AM
Avatar
JACOBANDNICKOLAS
  • CERTIFIED EXPERT
  • 110,175 POSTS
Hi,

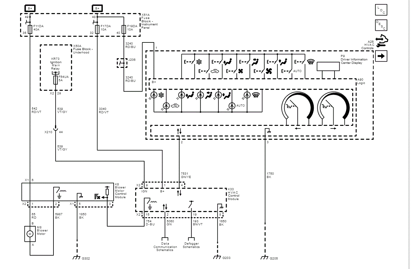
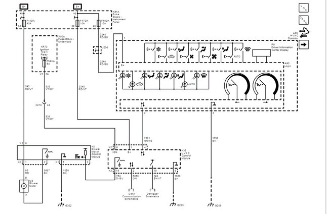
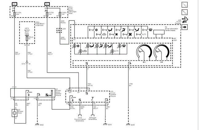
That's for automatic climate control. I attached the wiring schematic below for the controller and control module.

Take a look through it and let me know if it helps. Also, here is a link you may find helpful:

https://www.2carpros.com/articles/how-to-check-wiring

Take care,

Joe

See pic below.
Jun 25, 2022 at 8:35 PM