The A/C control panel does not turn on and does not light up?

2010 MERCURY MILAN
220,000 MILES
Avatar
DCUDD
  • MEMBER
  • 4 POSTS
The control panel for the A/C will not come on and it does not light up. All the fuses and relays are good. What would cause this problem? The blower motor resistor plug was changed. Everything was coming on and working fine, they unplugged the resistor and moved the wires to get them up out of the way. And plugged it back in and nothing has come back on.
Sep 4, 2023 at 6:58 AM
Advertisement
Avatar
DCUDD
  • MEMBER
  • 4 POSTS
The blower motor resistor plug was changed. Everything was coming on and working fine, they unplugged the resistor and moved the wires to get them up out of the way. And plugged it back in and nothing has come back on.
Sep 4, 2023 at 7:53 AM
Avatar
STRAILER
  • CERTIFIED EXPERT
  • 53,854 POSTS
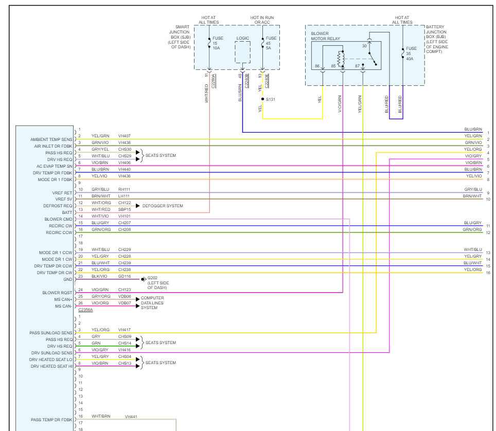
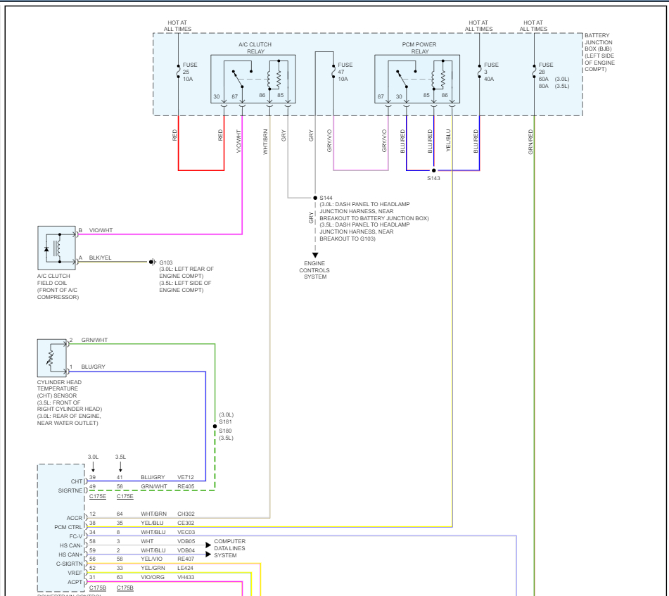
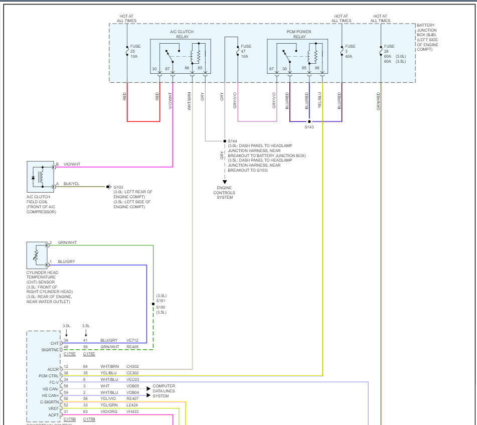
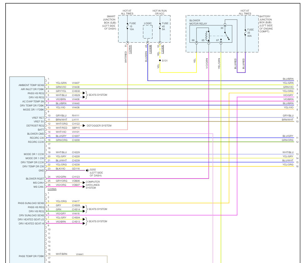
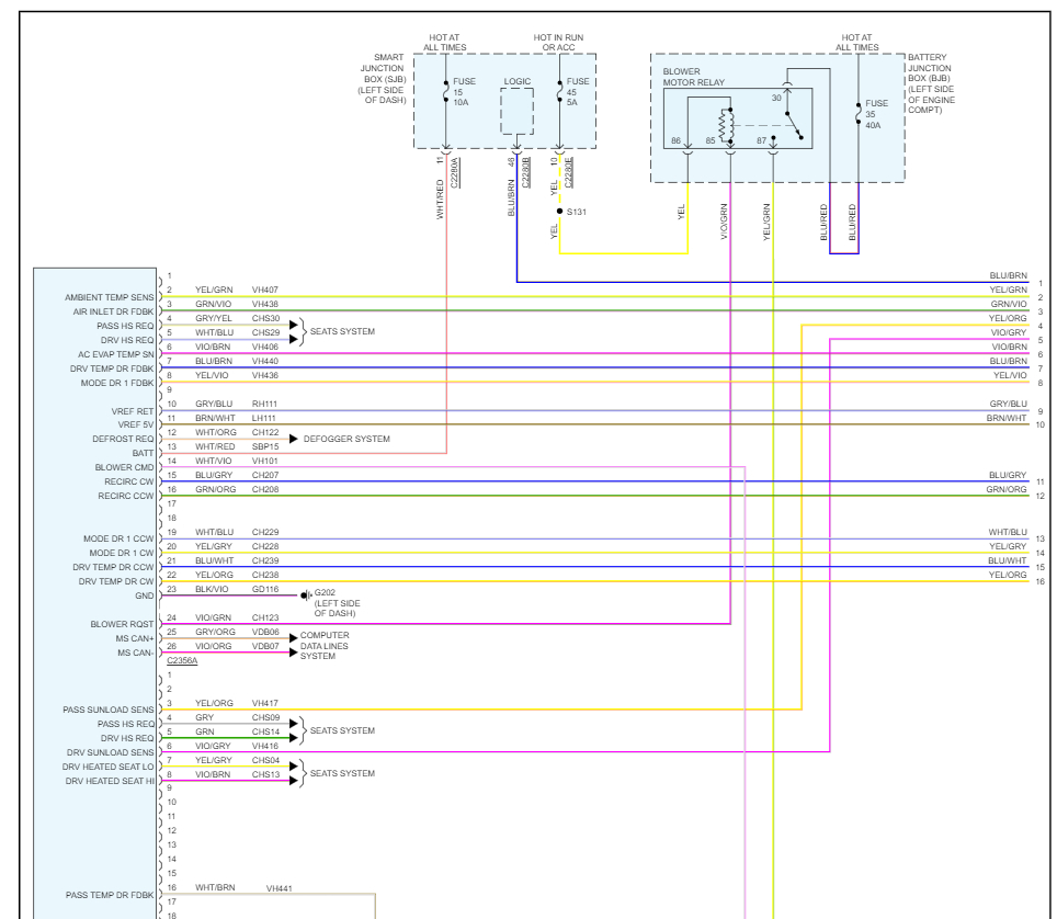
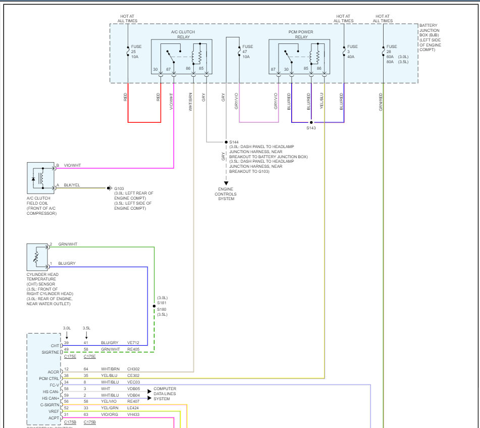
We need to check the 6 fuses that run the system first. This guide can help, and I have included the fuse location as well in the images below. If the fuses are okay let's check the system grounds (G202 - left side of dash) which I have included in the wiring diagrams below, also you can see which fuses need to be checked by the wiring diagrams.

https://www.2carpros.com/articles/how-to-check-a-car-fuse

and

https://www.2carpros.com/articles/how-to-use-a-test-light-circuit-tester

Check out the images (below). Please let us know what happens.
Sep 4, 2023 at 1:23 PM
Advertisement