A/C control has no power

2015 CHEVROLET MALIBU
100,000 MILES • 2.5L • 4 CYL • 2WD • AUTOMATIC
Avatar
JUNIOR1322
  • MEMBER
  • 1 POST
Replaced the relay A/C fuse also replaced the A/C control and still no power.
May 27, 2021 at 7:54 AM
Advertisement
Avatar
STRAILER
  • CERTIFIED EXPERT
  • 53,854 POSTS
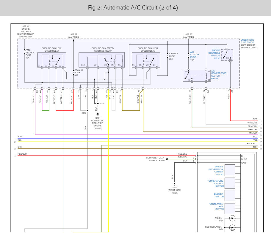
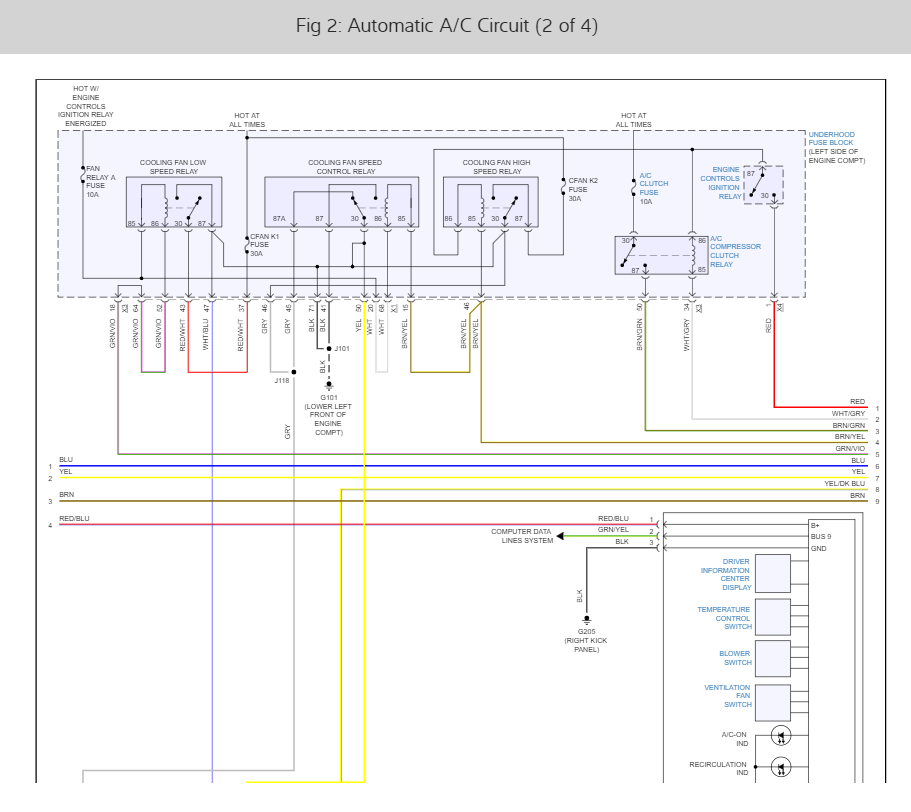
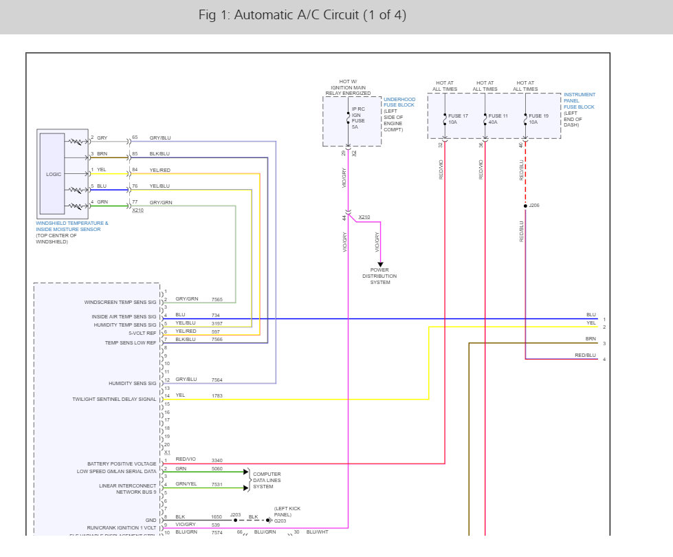
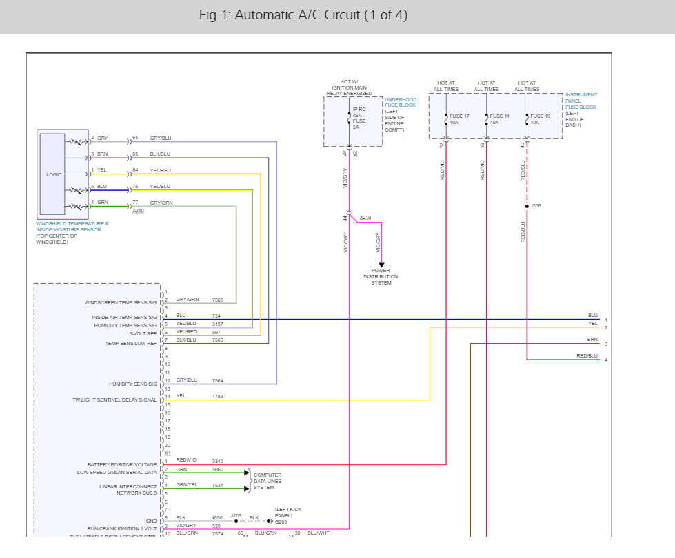
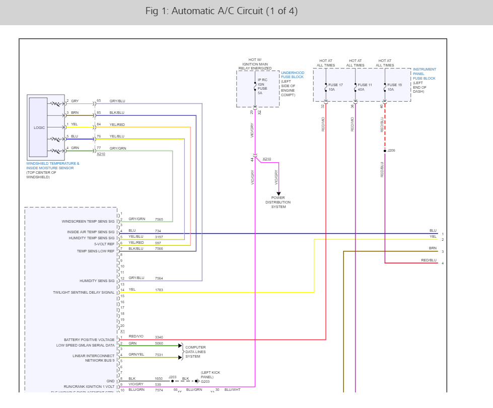
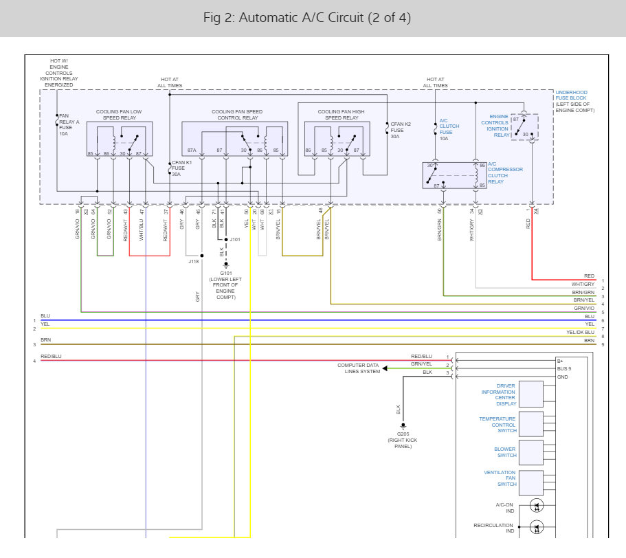
We need to check for power at the fuse (located in the diagrams below). this guide will help. Also I have included the air conditioner wiring diagrams so you can see how the system works and which fuses to check.

https://www.2carpros.com/articles/how-to-check-a-car-fuse

Check out the diagrams (below). Let us know what happens and please upload pictures or videos of the problem.
May 28, 2021 at 10:27 AM