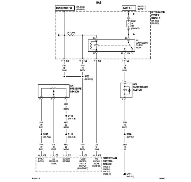
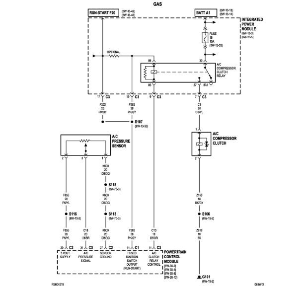
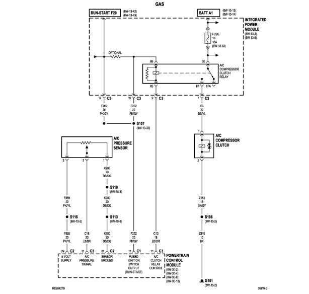
The A/C compressor clutch will not engage. It has rear air and there are no visible leaks. I have tried to see if it is getting power and checked relays and fuses looks to be fine but it does not seem to be getting power.
Jul 1, 2018 at 4:45 PM
