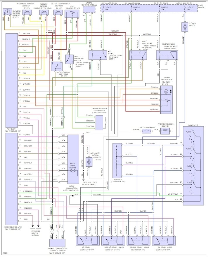
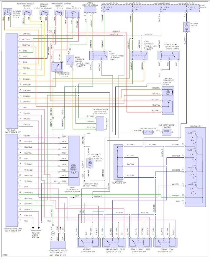
The air conditioner compressor will not run unless I ground one of the wires where the low pressure switch connector. I have already replaced the LP switch and recharged the system with 1.75 lbs of Freon after replacing the LP switch.
May 10, 2016 at 4:08 PM




