AC compressor not working properly

1999 FORD COUGAR
260,000 MILES • 2.0L • 4 CYL • 2WD • MANUAL
Avatar
WISH30
  • MEMBER
  • 124 POSTS
Dears, at the start of last summer the A/C was out of refrigerant and I went to recharge. About ten days later it was gone again, and the "expert" said it was the compressor.
Then another "expert" replaced the compressor with a used one, and the same situation again. He made five reparations and recharging (including the compressor replacing) trying to replace some gasket rings, some hoses (as he said), but after the fifth intervention said that the internal (in the cabin) evaporator (radiator) is maybe leaking and must be replaced.
Third "expert" recharged and replaced some sealing rings again and the situation was the same. On his second inspection he said that compressor is leaking also.
(I must notice here that after every recharging the A/C was blowing very cold air and worked perfectly the first week. After 10-12 days the coldness was going lower and lower, and the symptom was continuous on and off cycle of the compressor)
Finally, the fourth "expert" confirmed that compressor is leaking and better to buy brand new one.
I purchased from a local dealer by part number and win number and received the same but with smaller clutch wheel diameter on the front side.
The mechanic said it would not be a problem, and he will adjust the belt tensioner.
When I took the car, he told me that it works perfectly.
But what I noticed:
When parked in place and turn on the A/C, compressor starts cycling On and Off in about 2-3 seconds interval. If I press the gas pedal a little, it starts and stays on even after releasing the pedal.
When I drive and turn the A/C on, it blows pretty cold air, but I can clearly hear the clicking of compressor from a little opened window, it makes On and Off at intervals of about 10 seconds.
I tried two almost useless steps, the first one to completely clear and wash the outside radiator (in the front of car) even it was clear, and the second one to try with another compressor relay but result was the same.
Any advice? Thanks in advance.
Jul 1, 2022 at 3:03 PM
Advertisement
Avatar
STRAILER
  • CERTIFIED EXPERT
  • 53,854 POSTS
The size of the pulley shouldn't matter, it sounds like you are low on refrigerant again. There is a way to check to see if the evaporator is leaking without removing it. This guide will show you how, just put the leak probe into the water drain line and if it goes off the evaporator is leaking:

https://youtu.be/yrhWKlQEPWw

Let us know what happens and please upload pictures or videos of the problem.
Jul 2, 2022 at 1:41 PM
Avatar
WISH30
  • MEMBER
  • 124 POSTS
I don't plan to buy any equipment because I only need to have A/C healthy, but here in Macedonia you cannot find an expert even for bread making. My only option is to bring the car to him on Tuesday again. And about that option, low refrigerant sounds like that, but the symptom is happening after the replacement directly (after 2-3 hours until now) not after couple of days.
Jul 2, 2022 at 3:20 PM
Advertisement
Avatar
STRAILER
  • CERTIFIED EXPERT
  • 53,854 POSTS
It will act that act if the system is overcharged as well. Check out this video which should help you see what's going on:

https://youtu.be/4EqdrBVb0sY

Please let us know what happens.
Jul 3, 2022 at 10:46 AM
Avatar
WISH30
  • MEMBER
  • 124 POSTS
Sorry about my late answering, but I received the last e-mail notification in spam. I just came back from the mechanic, and he said there were about 300 grams of 760 missing Freon. He inspected with ultraviolet light and said he didn't know where it was leaking. Then discharged the whole system, and recharged again. Then he said to drive the car together and the symptom with on and off was the same. He said why do you open the window to hear the click of compressor, just don't listen and drive. The final words were that maybe the cabin temperature sensor is in some fault. He said I don't know what to tell you, just drive the car. Please if you have some schematic or photo of location of this temperature sensor and if it is not very difficult, I will try to remove and test at home with multimeter and hair dryer. Or if you don't have, please just describe me with words. Thanks once more.
Jul 4, 2022 at 1:27 PM
Avatar
WISH30
  • MEMBER
  • 124 POSTS
Update: I made some researching and effort and got the sensor out. It is on the photo. Please if you can give me some instructions how to test it at home. As I can see it have four wires.
Jul 4, 2022 at 3:26 PM
Avatar
WISH30
  • MEMBER
  • 124 POSTS
Update: I found that two wires are thermistor leads and other two are cooling fan. So I connected the fan at 5V Dc because I was not sure about its voltage and it started to spin. Other two wires gave me 9.4KOhms at room temperature around 26-7°C and if I blow hot air by mouth it drops than rises again to this value. Is it good range? Thanks
Jul 4, 2022 at 6:33 PM
Avatar
STRAILER
  • CERTIFIED EXPERT
  • 53,854 POSTS
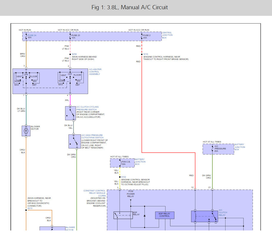
It still sounds like you have a leak, did you see the video? You can inspect the condenser without having a leak tool. I would not allow the compressor to continually click on and off, the sensor values seem okay, I did notice that the compressor is controlled by a CCRM constant control relay module which goes out all the time. Here is a compressor HVAC wiring diagram so you can see how the system works. Check out the diagrams (below). Please let us know what happens.

Jul 5, 2022 at 12:26 PM
Avatar
WISH30
  • MEMBER
  • 124 POSTS
I cleaned the temperature sensor completely with contact spray and cotton earbuds (the thermistor was unable to be seen before cleaning) and mount it again, also made a reset with battery removing. Then I drove the car about 40km (after reaching working temperature in idle and then turning the compressor on 2 minutes before start driving) and as I could hear, clicking was in some long intervals (more than 4-5 minutes maybe). The temperature was set to 19°C and it was really cold in the car.
About the inspection, as I told you, the mechanic checked with ultraviolet light all visible pipes and front radiator and the compressor (also I was next to him) and there was no sign of leaking anywhere. It is pretty weird if his words were correct ("300g of freon are missing and I topped it again").
Jul 5, 2022 at 8:23 PM
Avatar
STRAILER
  • CERTIFIED EXPERT
  • 53,854 POSTS
So, is the system full and working now? and when it stops they add more?
Jul 6, 2022 at 5:06 PM
Avatar
WISH30
  • MEMBER
  • 124 POSTS
It works and I will see in a couple of days how much would missing. If in 5-6 days 300 grams were missing, so in next 7-8 days it should be gone completely.
Jul 6, 2022 at 5:52 PM
Avatar
WISH30
  • MEMBER
  • 124 POSTS
Me again. Today I drove the car again after a long period (when I wrote on the forum last time). From previous post I told you that it seemed to work normal after cleaning cabin temperature sensor, and relearning mode (removing the battery). (If this information is useful, that test driving of 40-50km was early in the morning, weather was warm but not extremely hot - around 27-8°C).
Today when I was driving noticed that compressor cycles again in every couple of seconds (7-8 maybe) and the blown air was still cold (if the freon is gone air should be just fan or a little bit fresh). The weather is pretty hot today (around 37-8°C).
As I read on the internet, a common fault is Freon leaking, but every single sensor can cause the PCM to give a command to stop or start the compressor.
So, if the (internal) evaporator sensor is not very difficult to reach please someone tell me its location to try to remove and to clean and test with multimeter its functionality. (Or maybe some other sensor by your advice) I know that I am boring, but thanks for your patience, time and help once more.
Jul 21, 2022 at 4:53 AM
Avatar
STRAILER
  • CERTIFIED EXPERT
  • 53,854 POSTS
You are never boring, we want to help you get eh problem fixed. I would like to know what the high side pressure is because if the system has too much refrigerant it will have this problem as well.

https://www.2carpros.com/articles/re-charge-an-air-conditioner-system

Here is the location of the cycling switch sensor in the diagrams below.
Jul 21, 2022 at 10:49 AM
Avatar
WISH30
  • MEMBER
  • 124 POSTS
Do you have a diagram of the exact location of evaporator sensor, that one which measures the temperature of internal evaporating core (not cabin temperature)? because I like to check that sensor also (if not too difficult to reach). Thanks
Jul 21, 2022 at 10:58 AM
Avatar
STRAILER
  • CERTIFIED EXPERT
  • 53,854 POSTS
They don't show it be it should be around the evaporator core case.
Jul 22, 2022 at 2:10 PM
Avatar
WISH30
  • MEMBER
  • 124 POSTS
Update: The refrigerant leaked out completely again (it was in around 20 days). Before searching for a fifth mechanic, I tried to inspect in late at night with mosquito lamp diodes. What I noticed was fresh green color on the joint of pipes between low pressure line and the accumulator/receiver/drier.
I attached photos made by mobile (but it can be seen). As I read on internet it is good option to replace the receiver every 2-3 years, and as it is never replaced, I ordered new one (together with low pressure sensor) and waiting to receive and go to mechanic to make new try :)
I would like to ask about one pipe if you are able to tell me what is that pipe for (hope not a part of AC).
I was not able to completely inspect the way because I was laying in front of the car (not under). I noticed some points of leak but also the coolant joints on some pipes reflect green and by logic it is not necessary to be Freon.
This pipe is like a horizontal U letter and is mounted in front of the car (in front of the AC radiator on the lowest point. It is connected with rubber hoses, then hoses again connected with thinner pipes and go somewhere behind the engine. Thanks in advance for your patience, time and answer. Best regards from Macedonia.
Aug 8, 2022 at 4:15 AM
Avatar
STRAILER
  • CERTIFIED EXPERT
  • 53,854 POSTS
The first two images seem like the problem, the second two don't look like anything to be concerned with, good job on finding the link, I like the mosquito lamp. :)

Here is how to change out the receiver dryer. Here is a video on vacuuming down and recharging:

https://youtu.be/4EqdrBVb0sY

Check out the diagrams (below). Please let us know what happens.
Aug 8, 2022 at 5:56 PM
Avatar
WISH30
  • MEMBER
  • 124 POSTS
Update: I don't remember the "serial" number of the new mechanic anymore. He replaced the receiver (dryer) and since today there have been 17 days passed, the compressor works as it should be and blower still produces cold air (as it should be). Also tested automatic regulation of temperature (on 23°C) it works as should work. So, praying to God I will wait additional period and see if the Freon is still present (as it should be). :)
Sep 11, 2022 at 9:12 AM
Avatar
STRAILER
  • CERTIFIED EXPERT
  • 53,854 POSTS
Thanks for getting back to me. Glad you could get it fixed, that kind of problem can be tough. Please use 2CarPros anytime we are here to help.
Sep 12, 2022 at 4:07 PM