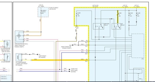
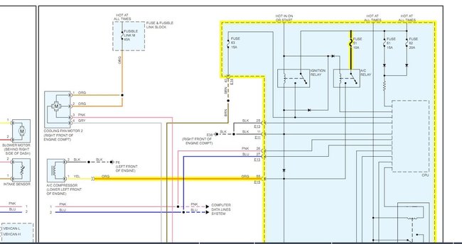
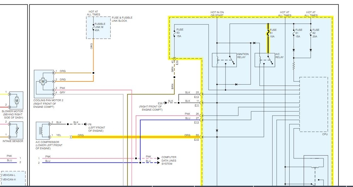
Hello, My vehicle listed above as filled all the information the A/C went out. okay, so the clutch looked shot burnt. maybe I'm answering my own question but any way I replaced the compressor with new clutch and the pressure switch charged and still nothing jumped the compressor so it works all fans work blows cold air... all i need is the compressor to turn on... fuse is good but this car does not have a relay switch is it possible the burnt clutch as i did bench test it and nothing possibly somehow messed up the IPDM board that this model has the A/C relay switch on? Is there a way to test so i'm not replacing for no need if not the problem? hope you can help..
Thank you, Rich
Thank you, Rich
Jun 18, 2019 at 6:55 PM





