A/C compressor not engaging? B3933 code

2008 CADILLAC SRX
181,744 MILES • 3.6L • V6 • 2WD • AUTOMATIC
Avatar
JAROD FINLEY
  • MEMBER
  • 1 POST
We have gotten the error code

B3933:06 AC evaporator temperature sensor circuit short to ground/open

We can get the compressor to kick in when we use a jump wire at the relay, so we replaced the relay, however we are still having the same problem.

I have called the Cadillac house to find an evaporator temperature sensor however they cannot find anything like that for this vehicle and have suggested it’s the actuator temps level. We’re not sure what to do now.
Sep 2, 2023 at 11:38 AM
Advertisement
Avatar
STRAILER
  • CERTIFIED EXPERT
  • 53,854 POSTS
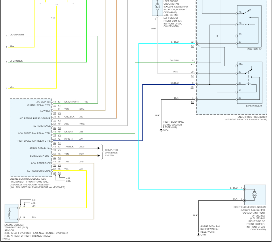
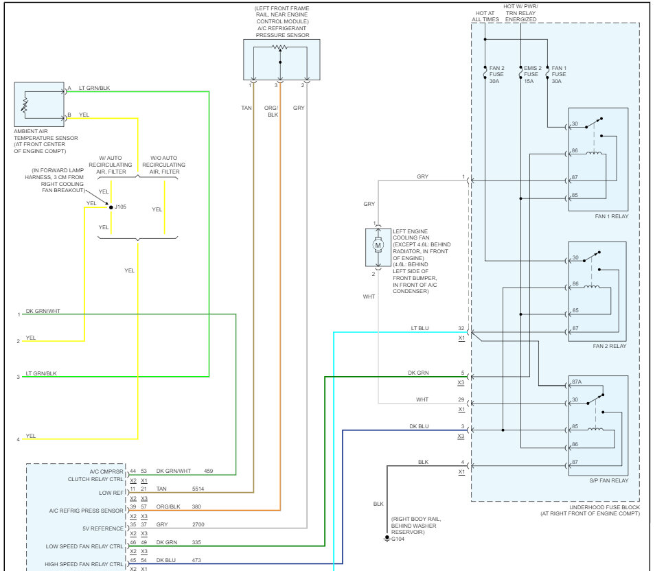
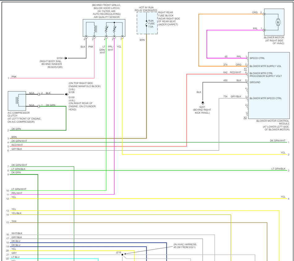
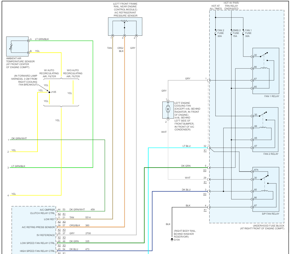
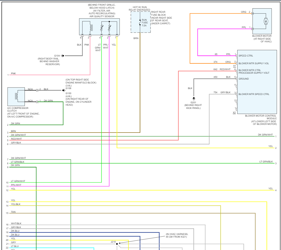
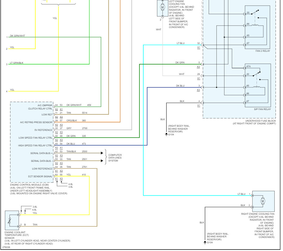
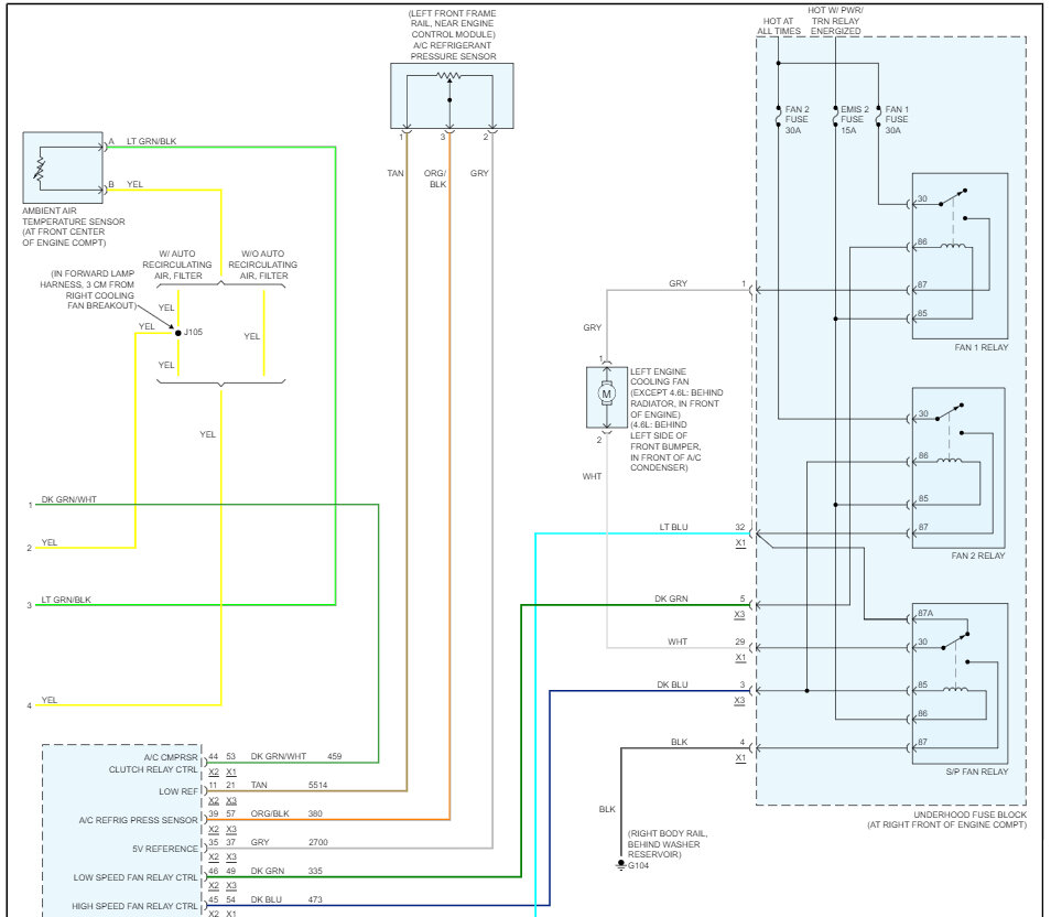
Yep, the evaporator temperature sensor is inside the evaporator case, here is a guide to help you test the connections and the HVAC system wiring diagrams so you can see how the system works and which wires to test. Also, I have included how to change out the sensor as well.

https://www.2carpros.com/articles/how-to-check-wiring

Check out the images (below). Let us know what happens and please upload pictures or videos of the problem so we can see what's going on.
Sep 3, 2023 at 11:45 AM