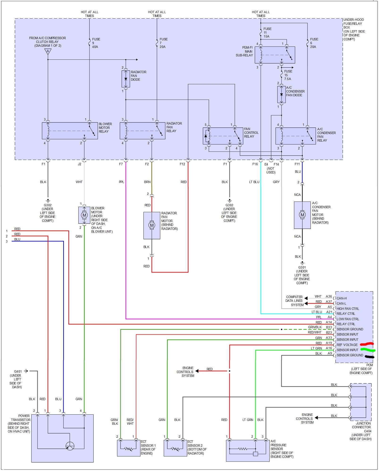
This is the fan control side of the system. I marked the pins for the sensor on the PCM. The reading you get on the green wire at the sensor should be the same at
pin 16 in connector A. You already verified the power and ground. on the other pins.
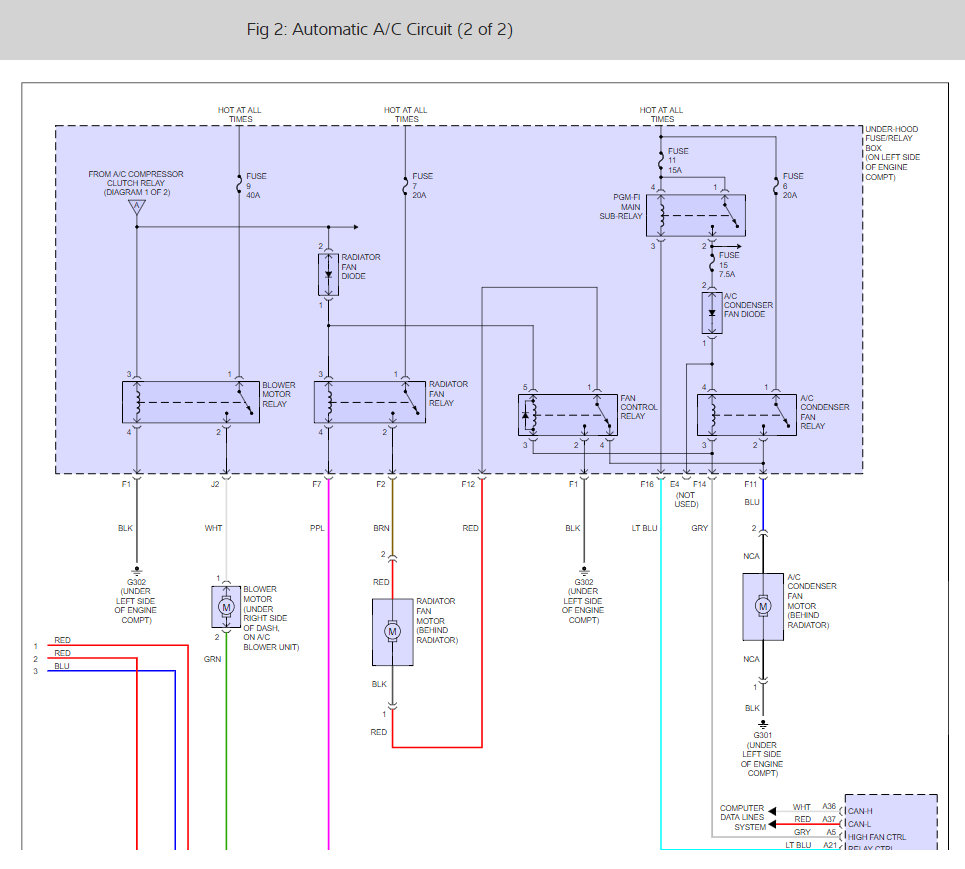
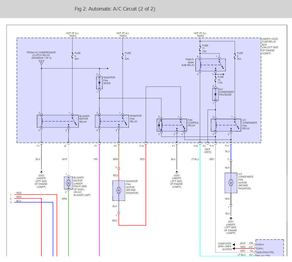
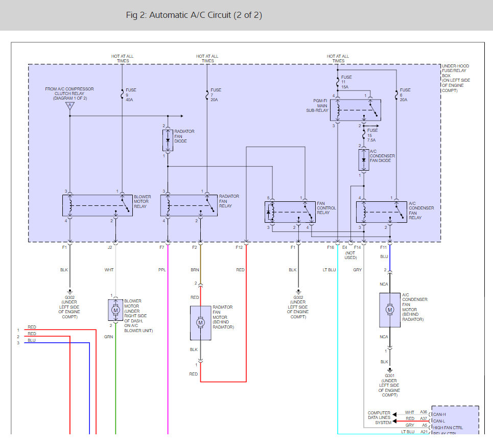
The way the fans are supposed to operate is somewhat simple.
When you turn on the AC the control head sends a signal to the PCM asking for AC. The PCM activates the clutch relay. This section seems to work as the clutch engages. Now the same signal comes in on circuit A at the top left of this diagram.
It's on this section that controls the fans that there is a problem.
All of the relays are 12 volt with ground side control by the PCM and they all carry 12 volts to the fans or other relays.
I believe you said that the engine cooling fan still comes on but that the AC fan(s) don't correct?
In that case the blower motor relay is OK. The radiator fan diode and relay are working as are ECT 1 and 2.
Check fuses 15 and 6, those power the AC fan and relay.
Check that the fan control relay is the correct one, it has a blocking diode inside that could have failed. It will be a 5 pin relay. The other 4 are 4 pin.
Sep 6, 2017 at 4:39 PM