A/C compressor cycles on and off while driving?

1999 FORD COUGAR
280,000 MILES • 2.0L • 4 CYL • 2WD • MANUAL
Avatar
WISH30
  • MEMBER
  • 124 POSTS
I had lot of problems with the system and most of them solved (for example last year when it was leaking from dryer and 5 mechanics told me it is the cabin evaporator, and I found the leak with mosquito UV lamp). Everything was okay one year since about two months ago when compressor started short cycling on lower RPMs, and the blowed air wasn't cool enough even on high RPMs. A mechanic recharged the system telling me that 50g of frayon were missing. Everything started normally again about 20 days, when the same problem appeared again. I found a leak on low pressure line (pipe-hose-pipe at one of the joints, normally again with the mosquito lamp). The hose was replaced and reassembled with a new one and the system was recharged. Now when I'm driving, I notice that compressor makes short cycling again (but blowed air is cool enough as I think), then when stand in place on idle, compressor stays turned on and air blows cold. Please help me with some further instructions. Thanks in advance.
Aug 23, 2023 at 4:49 PM
Advertisement
Avatar
STRAILER
  • CERTIFIED EXPERT
  • 53,854 POSTS
It sounds like you have a leak again, but to be sure here is how to check the pressures to help confirm the issue:

https://youtu.be/4EqdrBVb0sY?si=glgC31-t1wj7af3S

This guide can help you find the leak:

https://www.2carpros.com/articles/air-conditioner-leak-detection

Please go over these guides and get back to us.
Aug 24, 2023 at 12:43 PM
Avatar
WISH30
  • MEMBER
  • 124 POSTS
When it was leaking the short cycling was on idle, but when driving the compressor was active all the time and blowed air was not cold enough as it should be, now the situation is opposite, on iddle compressor works continously and air is cold as it should be, when driving it makes short cycles.
Aug 24, 2023 at 1:15 PM
Advertisement
Avatar
STRAILER
  • CERTIFIED EXPERT
  • 53,854 POSTS
I see, it sounds like you have too much refrigerant in the system. Let's check the high side pressure to confirm the problem.
Aug 25, 2023 at 11:45 AM
Avatar
WISH30
  • MEMBER
  • 124 POSTS
I don't have a gauge to measure that but will to it these days.
Tonight, I plan to make some electrical inspections (to be sure if the clutch connector and relay are okay).
I'm going to connect small bulb to the clutch relay power supply and lead it to the cabin (with thin wire) to be able to see if the system cuts out the power to the relay, or maybe the relay cuts out itself.
Aug 25, 2023 at 11:50 AM
Avatar
WISH30
  • MEMBER
  • 124 POSTS
I quit my plan with bulbs, because I made some connection as showed on the diagram (with small dash bulbs) thinking that when relay receive power first bulb will turn on, and also the second at the same time when it is connected to ground with the closed contact of relay.
(That plan was to check if the relay is losing power from the system, or it is losing contact on switching terminals)

But in reality, something is not as I planned in theory. When I turn the ignition both bulbs turned on, and when started AC, both bulbs turned off :)

Next idea was to try with swapping horn and clutch relays and give some try of couple of days to see if problem still occurs, BUT it was also not possible in practice as in theory, the clutch just turned on and off immediately and then did not come on again. The relays are the same model, but of AC is blue color 30A and of horn is brown color 20A.

Then I turned back to the original position, so today I plan to mechanically open the clutch relay and gently clean the switching contact points and give it a try for a couple of days. If the problem still occur, will ask some AC mechanic to measure the high pressure if it is in the normal range.
Aug 26, 2023 at 6:34 AM
Avatar
STRAILER
  • CERTIFIED EXPERT
  • 53,854 POSTS
Sorry, we only handle one problem per thread, please post your new question here, you must be logged in.

https://www.2carpros.com/questions/new

Cheers, Ken
Aug 27, 2023 at 9:26 AM
Avatar
WISH30
  • MEMBER
  • 124 POSTS
Yesterday I went to Ac "mechanic" and he did recharge of the system, saying the refrigerant level is okay. Tonight, I did test driving, and the compressor did the same, 10-15 seconds cycling... any further advice?
Aug 30, 2023 at 11:59 AM
Avatar
WISH30
  • MEMBER
  • 124 POSTS
?
Sep 1, 2023 at 10:27 PM
Avatar
STRAILER
  • CERTIFIED EXPERT
  • 53,854 POSTS
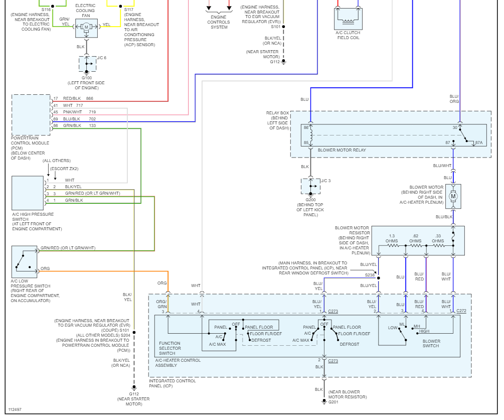
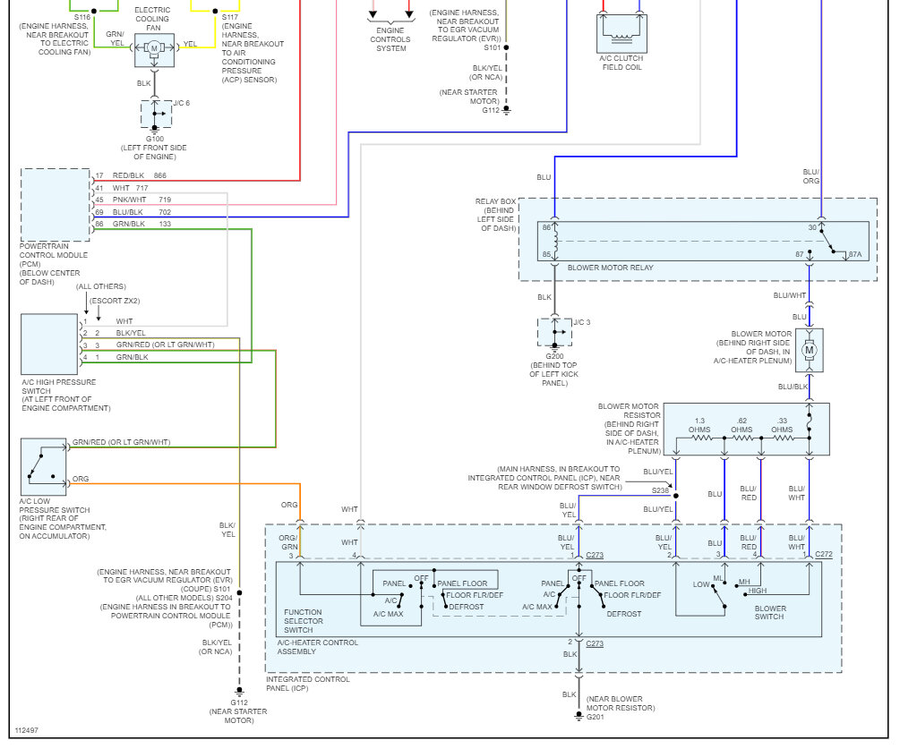
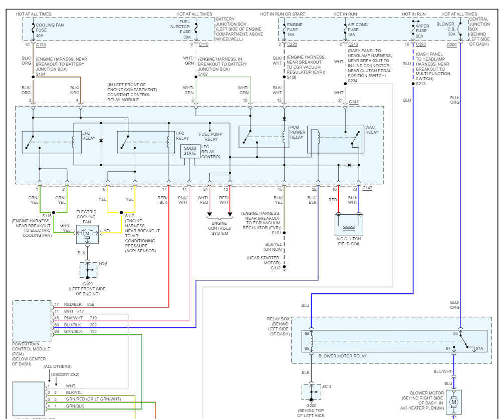
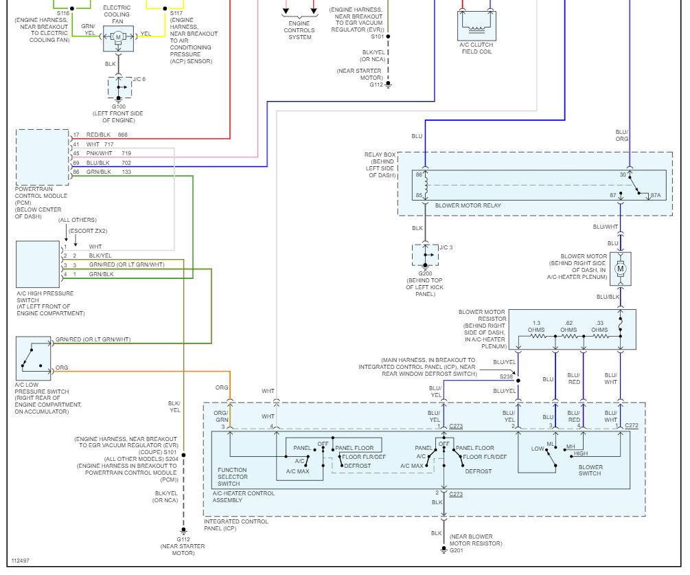
I am wondering if you have a compressor clutch coil going out, I liked the idea of the bulb, but I would piggyback the circuit to the compressor clutch then to the bulb then to ground. here are the A/C and compressor wiring diagrams so you can see how the system works. This way you can see if the signal is causing it or the compressor, please let me know.
Sep 2, 2023 at 12:49 PM
Avatar
WISH30
  • MEMBER
  • 124 POSTS
This is pretty complicated for me, but also almost impossible for our "professional mechanics".

I gave a try to the high-pressure switch and will see what will happen.

Explanation: I have done jump test, the high-pressure switch has 4 contacts, two of them are normally closed, so when the connector is removed and those contacts jumped, the clutch turns on and compressor works with both radiator fans running on normal speed, and when other two pins jumped, radiator fans start high speed.

My logical opinion was that when starting A/C the fans work normal, when rising the pressure fans should start run high with clutch still on, and when upper limit of pressure is reached, the fans should still run high, but clutch cut off. (it was just my logic, maybe is wrong)

So, I bought another high-pressure sensor and last night replaced it (normally for my financials - second use) and normally good amount of frayon sprayed out :(

In this case tomorrow or the day after tomorrow I should visit a mechanic to refill the system (because now it still blows cold but makes short cycling even on idle) and see if something will go on better or worse way. Normally I will inform you about the results. In case you have some additional opinions please let me know as soon as possible.

The removed sensor was F68H-19D594-AA 9630, the replaced is F42H-19D594-AA 9949
Sep 3, 2023 at 1:10 PM
Avatar
STRAILER
  • CERTIFIED EXPERT
  • 53,854 POSTS
I think it could be a defective high-pressure sensor. I still like the idea of splicing in a bulb to the power source to the compressor clutch. Please let me know what happens.
Sep 4, 2023 at 11:10 AM
Avatar
WISH30
  • MEMBER
  • 124 POSTS
It is very bad when you live in a small city or small country where every second person is a "pro" for everything.

My father went to two places and had no result.

Yesterday at the technical station for registration of vehicles, they said it is 400g of frayon but we cannot recharge the machine shows there is leak somewhere.

Today on other tech stations the same answer, "the machine beeps saying that there is some leak, if I continue it may explode".

Tomorrow it should be taken to the first of those five mechanics who started the very long story of "reparations" last year. :(
Sep 5, 2023 at 3:56 AM
Avatar
WISH30
  • MEMBER
  • 124 POSTS
Latest update, we left the car to the "specialist" yesterday morning, and few moments he told my father: I charged the system with paint only and going to wait some more time to find where is leaking :D (funny and sadly at the same time).
Sep 7, 2023 at 6:41 AM
Avatar
STRAILER
  • CERTIFIED EXPERT
  • 53,854 POSTS
I think he used dye which is a good way to find the leak.
Sep 8, 2023 at 4:05 PM
Avatar
WISH30
  • MEMBER
  • 124 POSTS
I will see, but I doubt if he even knows how to properly discharge and recharge, because here every idiot is an expert
Sep 8, 2023 at 5:09 PM
Avatar
WISH30
  • MEMBER
  • 124 POSTS
The car is at home, the final answer is the same from the same "mechanic" that gave me one year ago, it leaks from somewhere, but I can't see where, probably the evaporator under the dash is leaking, but I have lot of work now, I can replace it in winter. tragic and comedic in what miserable country we live.
Sep 11, 2023 at 2:23 AM
Avatar
STRAILER
  • CERTIFIED EXPERT
  • 53,854 POSTS
Car repairs can be frustrating I know, please hang in there we'll get through it together.
Sep 11, 2023 at 12:03 PM
Avatar
WISH30
  • MEMBER
  • 124 POSTS
Tomorrow I'm starting with a new mechanic in the city next to mine, it is not far, just 10km, so we will see what they will concluse. Will let you know.
Sep 11, 2023 at 12:09 PM
Avatar
STRAILER
  • CERTIFIED EXPERT
  • 53,854 POSTS
Please do.
Sep 12, 2023 at 9:50 AM
Avatar
WISH30
  • MEMBER
  • 124 POSTS
Tomorrow I should go to bring the car back (now I am at work), the simple and standardised answer was: "It is probably leaking from the evaporator under the dash". So I should try to find another one more mechanic, because as I think it is impossible the evaporator to start leak just from replacing high pressure sensor. Even if it is true, why those 400grams of freon remained, didn't leak away.
Sep 14, 2023 at 9:42 AM
Avatar
WISH30
  • MEMBER
  • 124 POSTS
Today I took the car at home and tomorrow will drive it to another city near me (50km) and will left there for another inspection (if they even solve something).
In the between-time I would like to ask you if you have evaporator location or removal steps diagram, because if they tell me the same, next step must be to try to reach the evaporator and bring the car to a mechanic to be replaced.

I often think to sell the car, but now I am deeply underwater, because I bought it $1,500, and could sell it not more than $1,200 300, but in these 3 and a half years I spent over $3500 to get nothing :(
Sep 15, 2023 at 8:33 AM
Avatar
STRAILER
  • CERTIFIED EXPERT
  • 53,854 POSTS
Yep, that is rough, here is how to remove the evaporator. Check out the images (below). Please let us know how it goes.
Sep 18, 2023 at 10:13 AM
Avatar
WISH30
  • MEMBER
  • 124 POSTS
The mechanic from Prilep (the city where I left the car on Saturday) has just called me and told me that the system is filled up, also he returned back the old high-pressure switch.
He gave me explanation that short cycling while driving is due to extremely cold state of the evaporator, and it has mercury thermostat to prevent getting frosted (I honestly don't believe in this too much).
Sep 19, 2023 at 2:43 AM
Avatar
STRAILER
  • CERTIFIED EXPERT
  • 53,854 POSTS
They can ice up if the system is a little low. Please check out this guide:

https://www.2carpros.com/articles/why-your-cars-ac-evaporator-ices-up-and-how-to-fix-it

Please go over this guide and get back to us.

Sep 20, 2023 at 5:22 PM
Avatar
WISH30
  • MEMBER
  • 124 POSTS
I took the car yesterday, it worked fine 50km way to home.
Sep 20, 2023 at 8:29 PM
Avatar
STRAILER
  • CERTIFIED EXPERT
  • 53,854 POSTS
Good to hear, thanks for letting us know, we are here to help, please use 2CarPros anytime.
Sep 23, 2023 at 10:23 AM
Avatar
WISH30
  • MEMBER
  • 124 POSTS
It was daytime and a lot of traffic, I am not 100% sure. Tonight, I drove in very calm conditions because there is almost zero traffic at night, and the cycling is the same, about 10 seconds when driving, when stop it is continuously running on idle. So, my logic is that it cannot be true that "evaporator is freezing so that's why compressor shuts off" because if it freezes, it will also freeze on idle. I have no more idea what to inspect anymore.
Sep 23, 2023 at 5:35 PM
Avatar
WISH30
  • MEMBER
  • 124 POSTS
Any advice on what step can I make on my own? I have no more where to take the car. :(

This period I didn't drive the car, but tonight I will make the same inspection again.

Outside temperature was 16°C (if that matters something). My small dash bulb is wired to the power source of R3 that is a clutch power relay. It is normally closed, so when energized it opens the contact.

Ignition on and bulb lights, push A/C button and bulb shuts off, the compressor runs.

Tested on both options (temperature set to hot - 25°C and temperature set to Lo), when stay in place on idle, the bulb stays off and clutch is energized all the time, start drive, it cycles on every 9-10 seconds.
Also made a test in place on idle, pressing the gas pedal, clutch shuts off after 2-3sec.
Ran the car in free motion (idle) on down warded street, clutch stay on.
Ran again on down warded street in gear (2-3) without gas, clutch still on. Pressing gas, start cycling.

In a moment of time, I got some conclusion on my mind maybe there is some reason in WOT circuit, but as I can search, there is no WOT relay on diagrams (thought it could be the same relay with both functions but different sources of control).

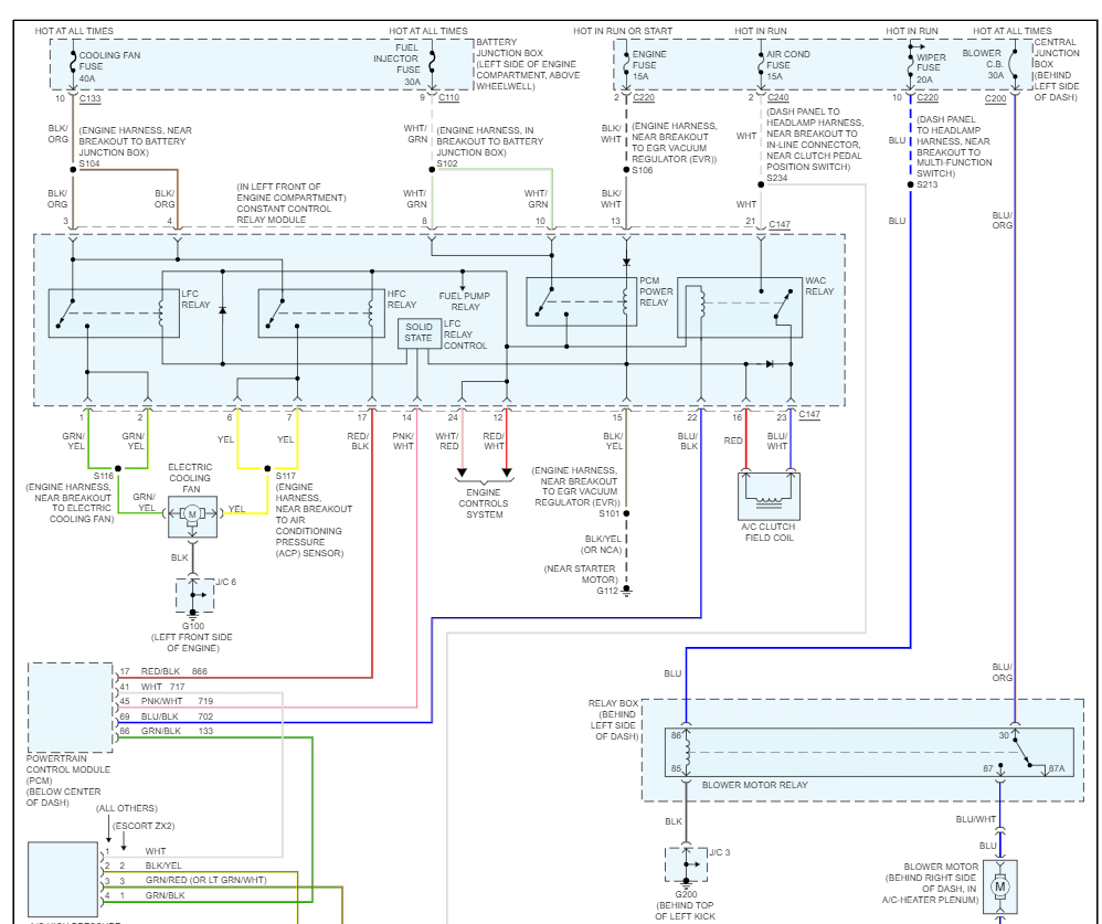
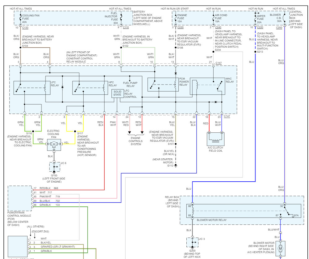
In the attachment there is a diagram picture of the power distribution box.

Please stay with me just a little more time in these hard moments for me, I don't have anyone to consult. It is not about the perfection of this scrap of a car, but about solving something so simple that it looks like a big mystery to our electricians and mechanics.

Thanks in advance and best regards from North Macedonia!
Oct 12, 2023 at 1:36 PM
Avatar
STRAILER
  • CERTIFIED EXPERT
  • 53,854 POSTS
It could be the relay for the compressor, or the compressor clutch. Have you changed out the AC compressor relay?
Oct 13, 2023 at 8:24 AM
Avatar
WISH30
  • MEMBER
  • 124 POSTS
No, I have not, because I could not find the same here because it is normally closed and most of relays are normally opened. (Additional question: if it is the relay, how could it work all time on idle? Also, I opened it to see the contacts they were perfect.)

Tonight, I made another try, disconnected throttle position sensor, and drove the car for couple of kilometers but the problem was the same.
Oct 13, 2023 at 1:04 PM
Avatar
WISH30
  • MEMBER
  • 124 POSTS
I know that I am annoying, also it is hard for you to make theoretical conclusions or predictions when you don't have the vehicle in front of you and also I don't have advanced equipment to be able both work on distance, but I must tell you every testing and results, because it is the only way that may lead to the root of problem.

Today I made a day test, drove about 15km through the city (outside temperature was 27°C if it matters) the A/C temperature was set to 19 then after a while to Low, and the bulb didn't light even once (the compressor was running all the time without cycling.

Thanks once more for your steel nerves and patience, I would be happy for your next advice...?
Oct 14, 2023 at 5:48 AM
Avatar
STRAILER
  • CERTIFIED EXPERT
  • 53,854 POSTS
We need to see if the compressor is getting power while it is cycling, this will tell us if it is the power supply or the compressor coil. Also, can you tell me what the high side pressure is when the system is on?

https://www.2carpros.com/articles/re-charge-an-air-conditioner-system

Please go over this guide and get back to us.
Oct 14, 2023 at 10:56 AM
Avatar
WISH30
  • MEMBER
  • 124 POSTS
As I told you, I don't have advanced tools and cannot measure pressures, also as I told you, compressor makes short cycling at night, because today when it was sunny it was on all the time as I explained in previous reply, and also as I told you in previous replies it shuts off when the relay stop receiving power.
Oct 14, 2023 at 11:00 AM
Avatar
WISH30
  • MEMBER
  • 124 POSTS
Also, as I mentioned before, the temperatures outside were 16 and today 27°C, if that leads somewhere to the root.

As I explained, night driving, outside 16, AC set to 25, stay in place, compressor run continuously and vents blow warm air, press gas pedal, compressor starts cycling on and off every 9-10 seconds (relay that controls the clutch receives and loses the power). Start driving, compressor short cycles again. Driving in idle on down warded street, compressor stays on. Driving in shift but without gas, on down warded street, compressor still stays on, pressing gas, it starts cycling.
Made same tests on AC set to LO, everything the same.

Today, outside 27, drived 15 km through the city, compressor stayed on all the time and cold air blowing as it should.
Oct 14, 2023 at 11:42 AM
Avatar
WISH30
  • MEMBER
  • 124 POSTS
Could it be some fault of ambient temperature sensor? Yesterday I drove 80km, outside was 27°c, compressor didn't shut down even once. This morning when coming back from work, turned on 22°c to demist the windshield, outside was 13°c, short cycling was the same.
Oct 20, 2023 at 1:14 PM