A/C compressor clutch is not engaging

2009 FORD ESCAPE
250,000 MILES • 4 CYL • 2WD • AUTOMATIC
Avatar
CHRIS449683
  • MEMBER
  • 1 POST
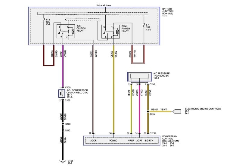
The condenser fan is not coming on and I am unable to get the compressor clutch to engage even after bypassing the compressor clutch relay.
Jun 21, 2018 at 5:31 PM
Advertisement
Avatar
ASEMASTER6371
  • CERTIFIED EXPERT
  • 52,796 POSTS
Good morning.

When you bypassed the relay, did you verify powers to the relay? You need a test light or volt meter to perform this.

Key on, engine off, test for 2 powers at the relay cavity. One comes from the power relay and one from the fuse. The bypass you tried relies on the fuse listed to have power to the relay. If you have no power then it will not engage the compressor. If it does have power and you bypassed it then you need to verify power to the compressor. You may have either a bad compressor or a wire harness issue between the relay and the compressor.

Roy
Jun 22, 2018 at 4:37 AM