☰
Login
Join
×
Home
Answered Questions
Repair Topics
Repair & Service Guides
Popular Questions
Warning Lights
Trouble Codes
How It Works
Testing / Diagnostics
Symptoms
Videos
Login
Become a Member
Home
Oldsmobile
Cutlass
Climate Control
Air Conditioner
Orifice Tube
Ac compressor
1991 OLDSMOBILE CUTLASS
200,000 MILES • 2.5L • 4 CYL • AUTOMATIC
DDEONTE38
MEMBER
1 POST
FOLLOW
I have put a new compressor but no o ring seal or a ac Orifice tube how do I put the Orifice tube at and is it too late to put everything on now
Jun 27, 2020 at 3:45 PM
Advertisement
ASEMASTER6371
CERTIFIED EXPERT
52,796 POSTS
Good morning,
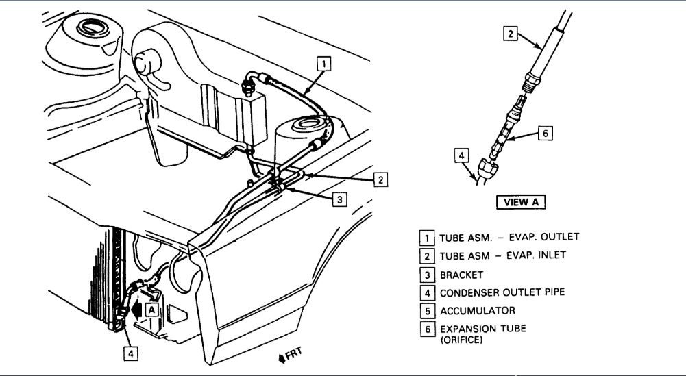
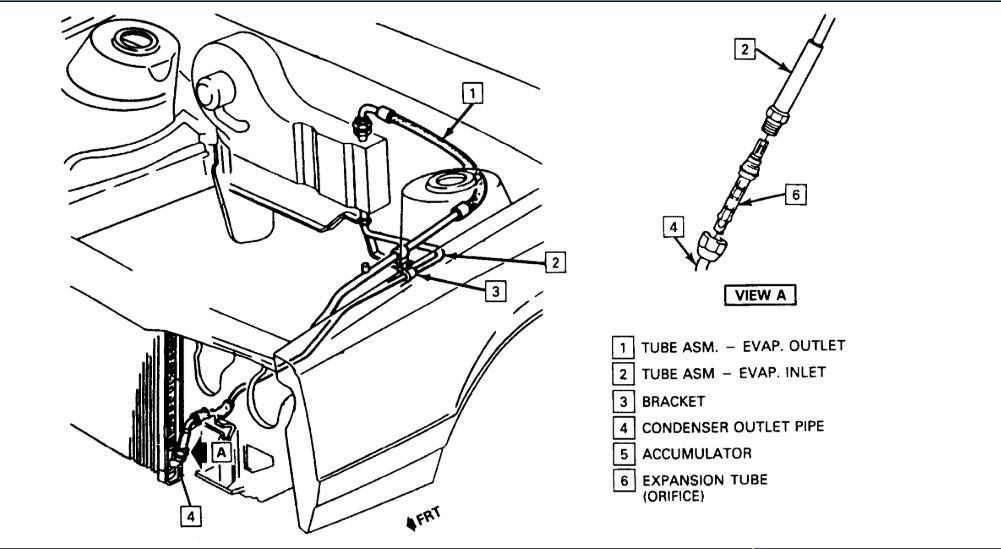
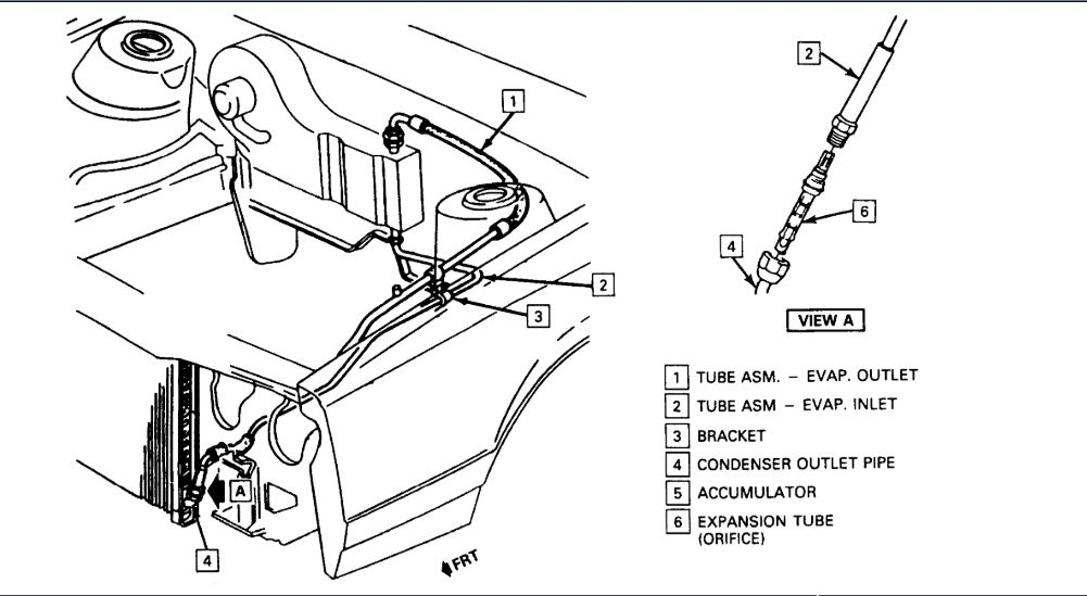
I attached a picture of the location of the orifice tube for you.
You need to recover the Freon to access this. The tube comes with seals on it but you need a new seal for the line.
https://www.2carpros.com/articles/re-charge-an-air-conditioner-system
Did you replace the dryer as well? Since you had the system open, you must replace it.
Roy
Image (Click to enlarge)
Jun 29, 2020 at 5:34 AM