A/C compressor what could cause the clutch not to engage?

2014 CHEVROLET CRUZE
260,000 MILES • 1.8L • 4 CYL • 2WD • AUTOMATIC
Avatar
CRAZYDOG72
  • MEMBER
  • 13 POSTS
The A/C compressor is not blowing cold air. I have verified that the clutch is not locked up. I checked the relay and it’s fine. Still need to check the Freon and to check for voltage at the compressor. Any suggestions on what could cause the clutch not to engage?
Apr 20, 2024 at 4:58 PM
Advertisement
Avatar
JACOBANDNICKOLAS
  • CERTIFIED EXPERT
  • 110,175 POSTS
Hi,

Several different things can prevent the compressor from engaging. For example, low refrigerant, a faulty clutch, a pressure switch, a faulty climate control unit, and the list goes on.

When you checked the fuses/relay, did you confirm there was power to and from the fuse and that the relay (primary side) was being energized? If not, do that.

Here are two links that explain how to check both:

https://www.2carpros.com/articles/how-to-check-an-electrical-relay-and-wiring-control-circuit

https://www.2carpros.com/articles/how-to-check-a-car-fuse

If both are good, then chances are it is resulting from low refrigerant. If the system is low, the low-pressure switch will prevent the compressor from engaging. Keep in mind there are other things, but that would be the most likely cause. Take a look through this link as well. You may find it helpful.

https://www.2carpros.com/articles/car-air-conditioner-not-working-or-is-weak

Let me know your thoughts.

Joe
Apr 20, 2024 at 10:59 PM
Avatar
STRAILER
  • CERTIFIED EXPERT
  • 53,854 POSTS
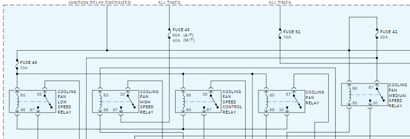
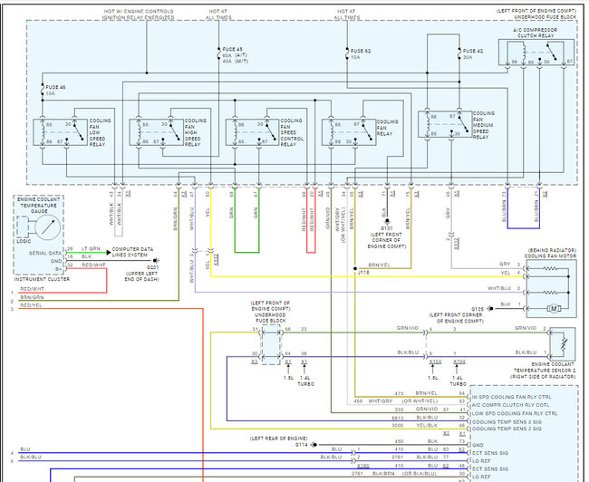
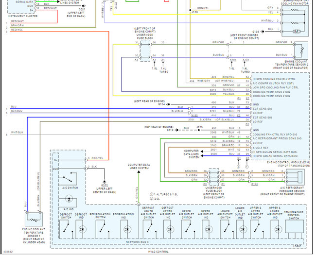
I would connect a A/C recharge kit to see if have refrigerant, if so the compressor relay is a common failure point, but you should check the fuses which there are many, here is a wiring diagrams so you can see how the system works and which fuses to check, also I have included the compressor relay location so you can swap it out.

https://www.2carpros.com/articles/air-conditioner-how-to-add-freon

Check out the images (below). Please upload pictures or videos in your response to the problem so we can see what's going on.
Apr 21, 2024 at 10:33 AM
Advertisement