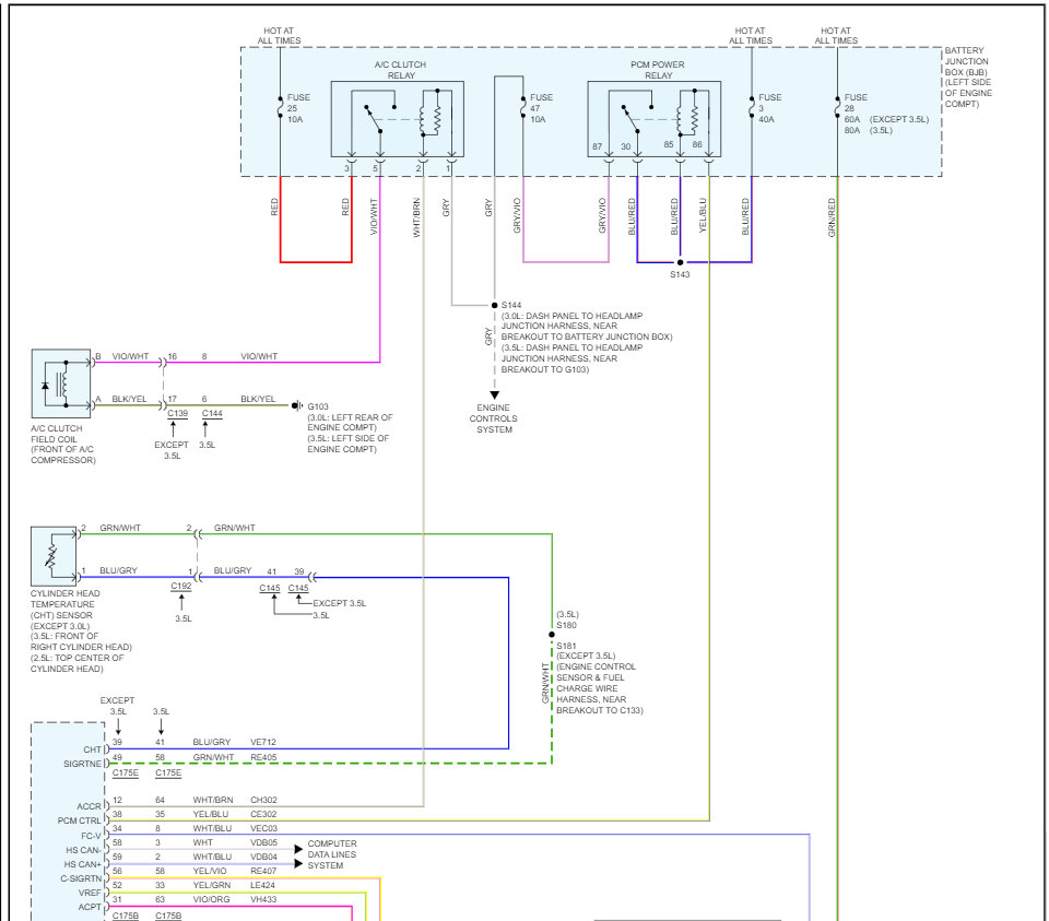
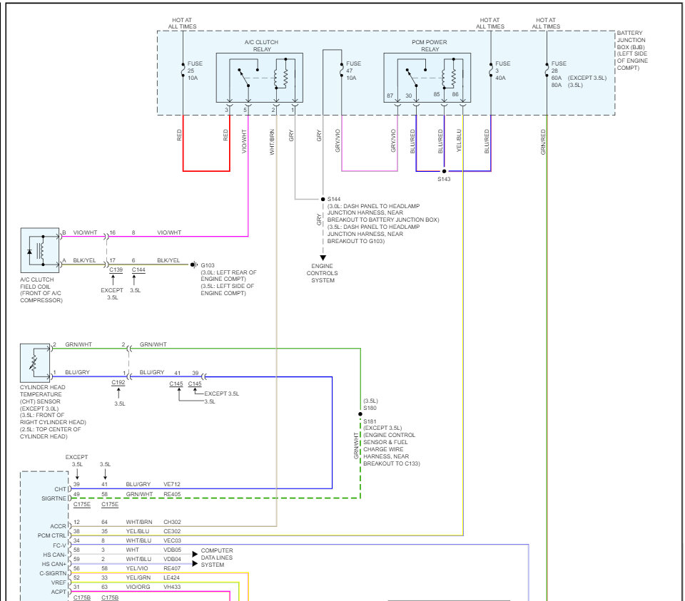
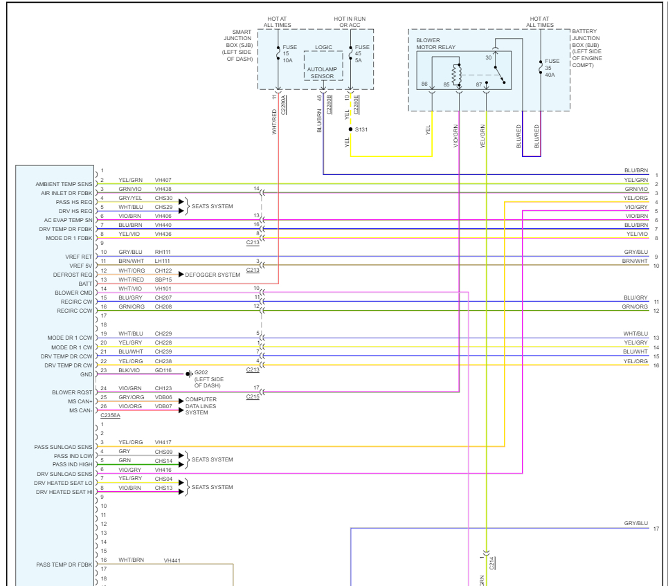
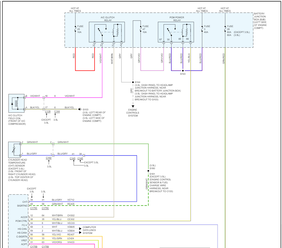
A/C pressure is good, not high or low. Radiator fan is good but not coming on when A/C is on. I unplugged high pressure switch and cooling fans come on, so I know fans are good. I'm thinking of a faulty low-pressure switch. I thought maybe the fan relay was not working right but I didn't see a cooling fan relay. Please help!!
Jun 25, 2023 at 7:07 PM





