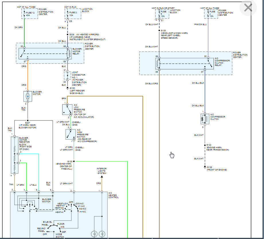
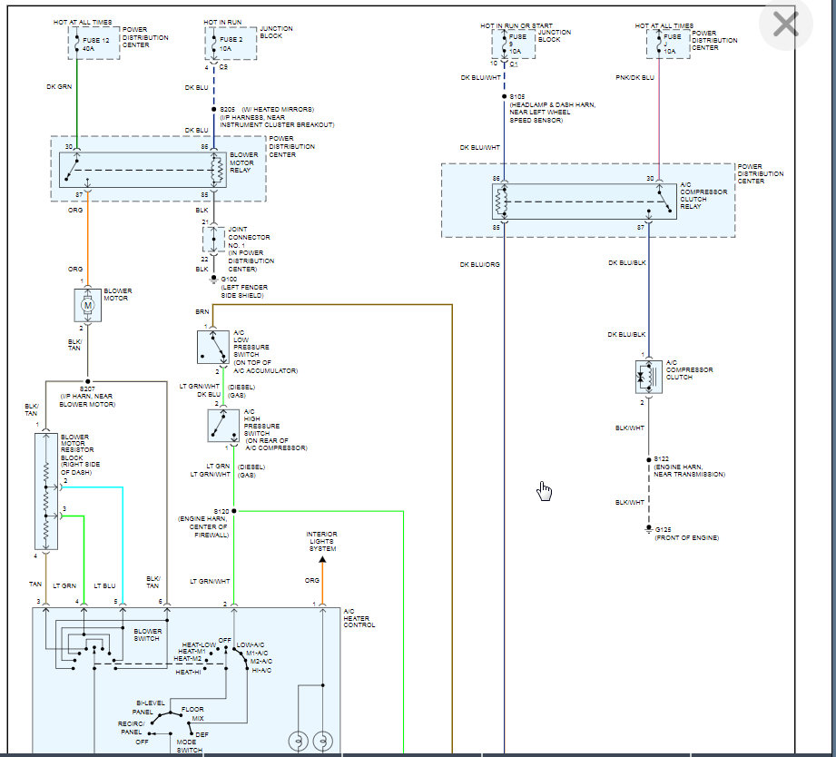
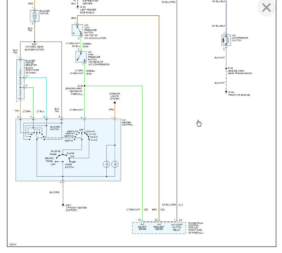
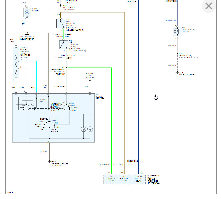
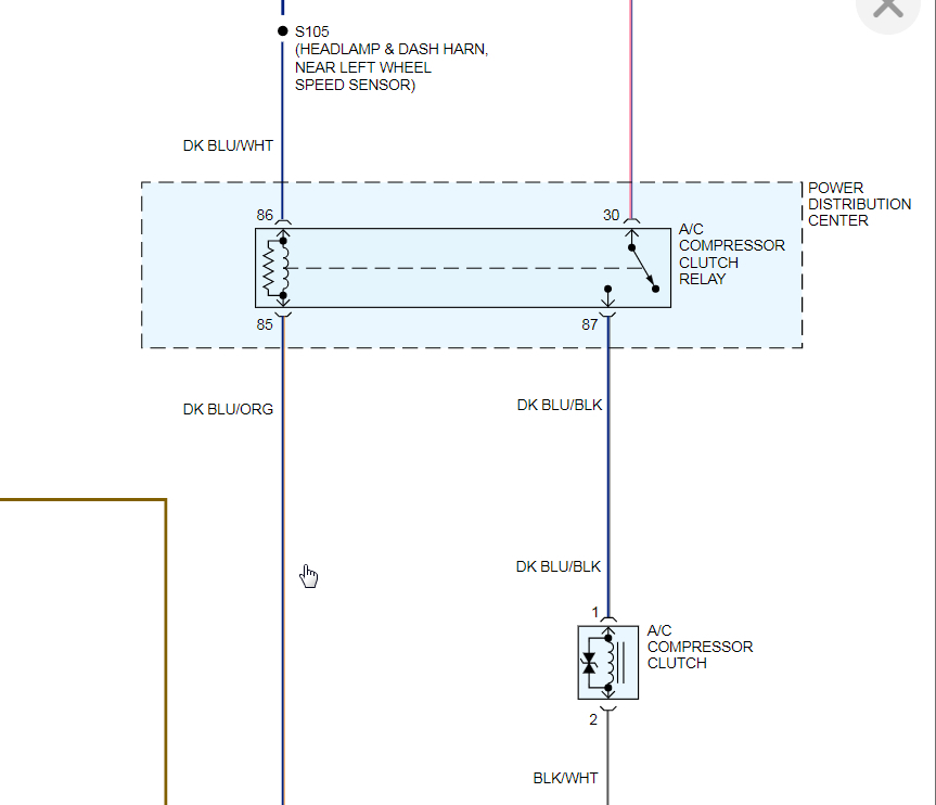
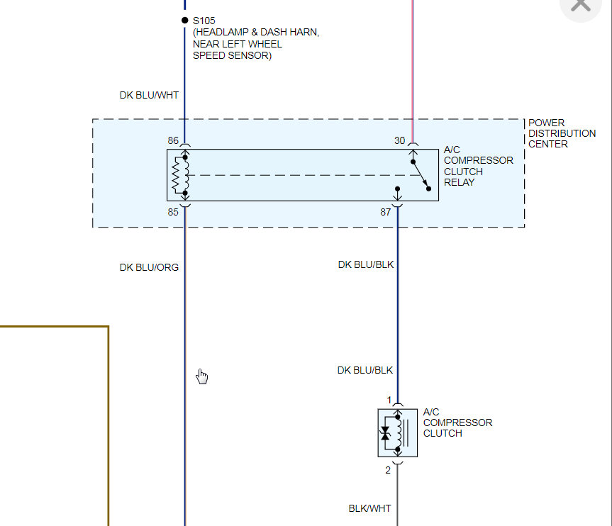
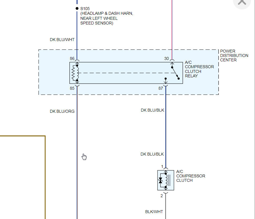
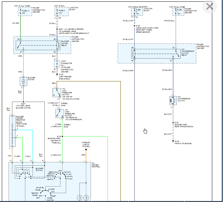
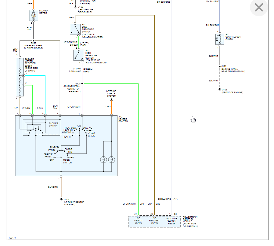
Hi there, so my A/C is not working, the A/C clutch won't engage. I checked the fuses they are good. I swapped the A/C relay with the horn relay and nothing. I jumped the relay and then it works. So I thought low refrigerant, so I tried jumping the low pressure switch and still didn't engage. When to the high pressure switch and tried jumping it still nothing. I checked the voltage at both and they both checked good. What am I missing?
Thanks in advance.
Thanks in advance.
Jun 26, 2020 at 5:18 PM


