AC clutch and condenser fan does not run

2002 MAZDA PROTEGE
87,000 MILES • 2.2L • 4 CYL • 2WD • AUTOMATIC
Avatar
57 HANDYMAN
  • MEMBER
  • 8 POSTS
The AC clutch will engage if I run twelve volts directly from battery to clutch wire. Also, when this is done the condenser fan is not running. Fan can be made to work if twelve volt power is applied to connector.
Jan 26, 2018 at 6:20 PM
Advertisement
Avatar
MHPAUTOS
  • CERTIFIED EXPERT
  • 31,937 POSTS
You will have to check for refrigerant charge, if low the low pressure cut out switch stops power to the clutch. you may have a refrigerant leak to look into to, check this out first.
Jan 26, 2018 at 8:25 PM
Avatar
57 HANDYMAN
  • MEMBER
  • 8 POSTS
After I posted my problem, I performed a continuity check of the refrigerant pressure switch located atop the receiver/dryer. There appears to be continuity circuit complete, but I do not know what that mean? Is the switch good or bad? Does having continuity mean there is sufficient refrigerant pressure and the switch is completing the circuit and passing the current on to where/what?

Now, if the refrigerant charge is low, in order to charge they system, I need to run the compressor. Can I do that by applying direct twelve volts to the clutch? If so, at what point do I determine that the system has a sufficient charge? I am aware that an overcharge is just as detrimental as undercharge.

What about the condenser fan? How should I go about isolating the problem?

Thank you in advance.
Jan 27, 2018 at 12:21 AM
Advertisement
Avatar
STRAILER
  • CERTIFIED EXPERT
  • 53,854 POSTS
Hello,

If the switch has continuity then the system has sufficient pressure to turn on. we must be losing power somewhere.

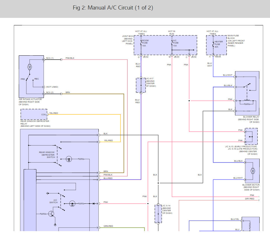
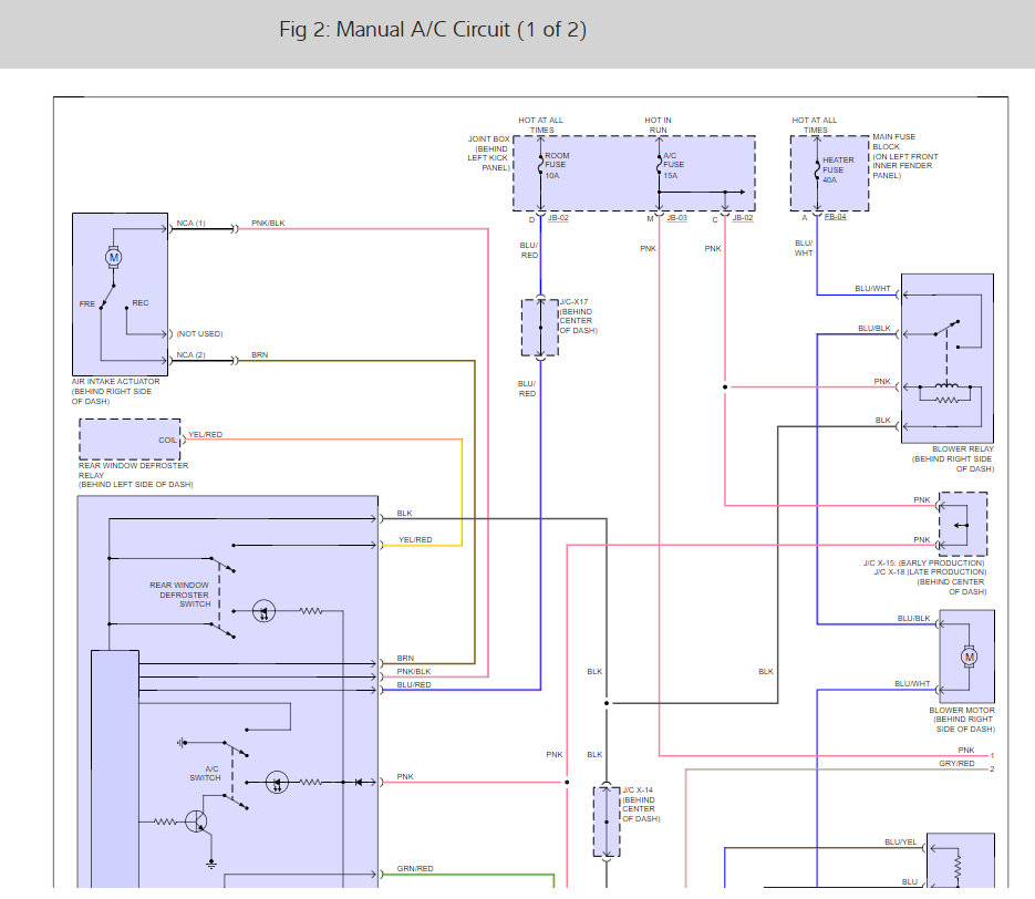
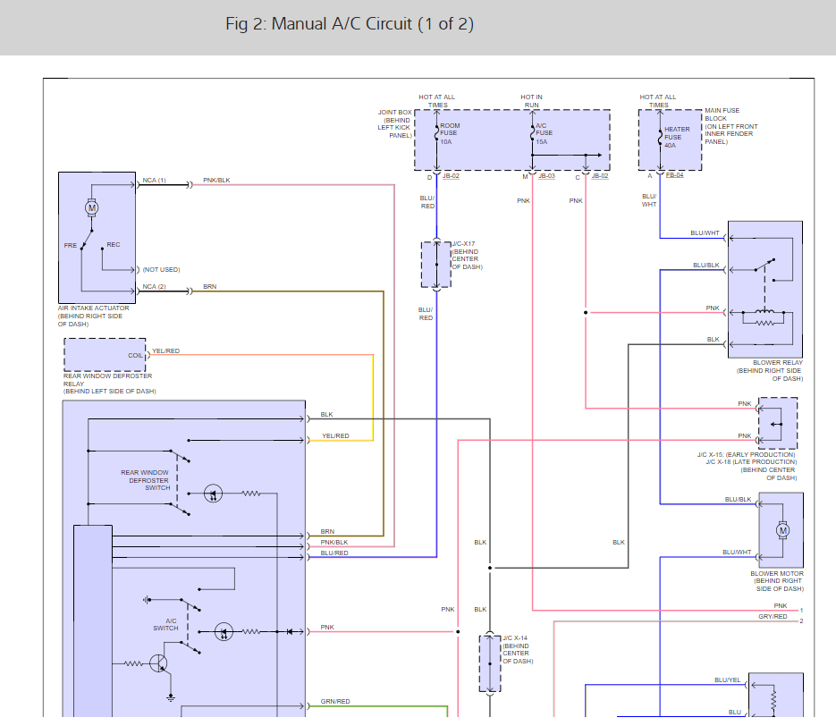
Here is a guide and a wiring diagram of the air conditioner system and the locations of the fuses and relays:

https://www.2carpros.com/articles/how-to-use-a-test-light-circuit-tester

Check out the diagrams (below).

Please let us know what you find. We are interested to see what it is.

Cheers, Ken
Jan 29, 2018 at 11:39 AM
Avatar
57 HANDYMAN
  • MEMBER
  • 8 POSTS
Hello Ken,
Thank you for responding and providing diagrams along with your guidance on what/how to address them. I appreciate the information. I must say that I have been doing a lot of online research to resolve this matter. Initially, I found guidance to examine all fuses and relays but was not able to find a blown fuse nor relay; I will redo with your diagrams. I did find a reference to relays in the engine compartment fuse box. I did swap the AC relay with headlight and horn but there was no change AC clutch nor condenser fan engaged.

On a Protege site, I also found a reference to a switch on the dash that plays a role in controlling the cabin fan as well as the compressor clutch. They pointed to a sensor wire in that circuit and their recommendation is to install resistors which shifts fan and clutch control voltages from position #1 to #3.

I will do your recommendations and get back to you shortly. Again, thank you for your assistance.
Jan 29, 2018 at 12:08 PM
Avatar
57 HANDYMAN
  • MEMBER
  • 8 POSTS
Ken,
Follow-up/update: I used the diagrams and listings to check the fuses and relays; all were good. In order to make sure the pressures were up to speed, I redid vacuum of the AC system and drew a vacuum of 22 pounds which held.

Because the car had an overheating problem, I can't run it long enough to recharge the R134a until I repair that issue. I will do that tomorrow morning.
Jan 29, 2018 at 7:26 PM
Avatar
STRAILER
  • CERTIFIED EXPERT
  • 53,854 POSTS
It sounds like we are getting closer. Please let me know what happens. Ken
Jan 30, 2018 at 10:22 AM
Avatar
57 HANDYMAN
  • MEMBER
  • 8 POSTS
Ken, I realized I made an error in reporting the vacuum; it should have been 22 in rather than pounds. This morning I hooked up manifold gauges and readings for low pressure held overnight at 75 pounds. With cooling repairs out of the way, I applied 12v to the AC clutch directly and resumed recharging the low side with R134a. The decal under the hood says recharge amount is 21 oz. Thus far, only a small amount (8 oz max) of refrigerant has been transferred via the low side port. The recharge transfer is taking a long time with the car idling at less than 600 rpm. With the low side readings approaching 100psi, I am being very cautious and wanted to check with you guys if this is a good or bad sign? I ask because the high side pressure is about the same and there is no appreciable difference between the high and low side pressures.

Also, the AC condenser fan has not even moved while the recharging has gone on. I don't know what is going on there? I thought the AC condenser fan should run once the AC is turned on.
Jan 30, 2018 at 7:01 PM
Avatar
STRAILER
  • CERTIFIED EXPERT
  • 53,854 POSTS
Hello,

It sounds like you have a compressor with seals that are bad not pumping pressure. 100 pounds for the low side is too high but it is to be expected with a bad compressor. Also the condenser fan is controlled by high side pressure which never gets high enough to turn the fan on.

Here are two guides to help us get the problem fixed.

https://www.2carpros.com/articles/replace-air-conditioner-compressor

and

https://www.2carpros.com/articles/re-charge-an-air-conditioner-system

Check out the diagrams (Below)

Please let us know what happens.

Cheers, Ken

Jan 31, 2018 at 10:55 AM
Avatar
57 HANDYMAN
  • MEMBER
  • 8 POSTS
Hi Ken,

I will reviewed the videos and got a few tips on some procedures I can do to isolate the issue. Specifically, I want to check the refrigerant pressure switch on the high side. In this car, I see that that switch appears to be an integral part of the dryer and not a separate item. While I have done a continuity check on the switch (it indicates there is continuity), I have not tried using a jumper across the switch terminals to test the condenser fan nor have I tested to see if 12v power is being delivered. As recommended in the video, my next step is to perform wire-by-wire power tracing. I will get back to you. Thank you.
Jan 31, 2018 at 2:26 PM
Avatar
STRAILER
  • CERTIFIED EXPERT
  • 53,854 POSTS
Please do, we like to see conclusions :)
Feb 2, 2018 at 10:08 AM
Avatar
57 HANDYMAN
  • MEMBER
  • 8 POSTS
Just an update: I did install the sensing wire circuit (which consisted of two resistors) in the dash center console but it didn't make any difference. The initial conditions still remain: neither AC clutch nor condenser fan will run. As a result, I am not able to recharge the R134a to an acceptable. Do both the AC clutch and fan have to be running at the same time? Also, where in the refrigerant lines would a blockage most likely exist? I am thinking that would like be at the expansion valve or orifice.
Feb 5, 2018 at 12:54 PM
Avatar
STRAILER
  • CERTIFIED EXPERT
  • 53,854 POSTS
There may be blockage in the expansion valve but the only way to tell is to remove the valve and inspect it. It might be okay though if you had a compressor that compresses. Because of the low high side pressure and high low side pressure we can safely say the compressor is not working. (clutch rotating)

Feb 6, 2018 at 10:46 AM
Avatar
57 HANDYMAN
  • MEMBER
  • 8 POSTS
FYI, I just happen to have two compressors and have swapped them out. The reason for swapping them was I suspected the clutch was bad. I should have jumped the clutch PRIOR to doing the swap. The initial compressor is back in place now. One observation that I have made is with the AC compressor clutch "jumped" and running, the high side connector and aluminum hose get very hot. Isn't that heat a result of the compressor doing its job?

Yesterday, I did do some spark tracing with a test light and was able to detect current at the 30A and 10A fuses, associated with the AC condenser fan. Also, while checking the Refrigerant Pressure Switch, for some reason, the radiator cooling fan would start up whenever I probed one side of the connector (red/gray wire). The test light was connected to ground. I was not able to check the two 30A relay plugs since in order to detect current, I believe there needs to be power to one of the two sets of terminals which closes the relay. According to a schematic I have, both the AC clutch and the fan condenser are connected to the PCM which controls energizing the two relays for these components.

This whole no AC situation started when I did some work on the radio for my son. Prior to removing the radio, the AC worked fine; unfortunately, after fiddling with the radio, now the AC doesn't work. As a result, I have focused on the electrical circuits in the cabin because I did remove the center dash face plate where the AC controls are.

Thanks for you assistance, Ken.
Feb 6, 2018 at 2:05 PM
Avatar
STRAILER
  • CERTIFIED EXPERT
  • 53,854 POSTS
Hmm, good info to have, I would remove the radio and recheck your work. The heat of the AC lines means the system is working.

Use the wiring diagram I gave you above to see where you are losing connection.

Feb 7, 2018 at 10:34 AM