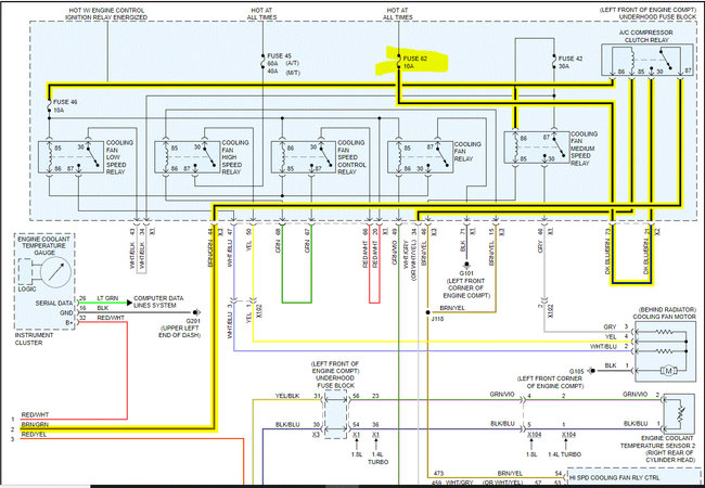
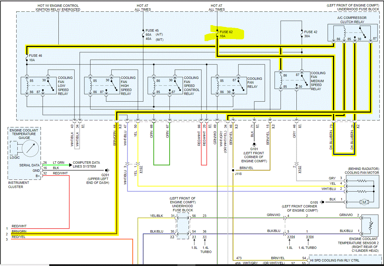
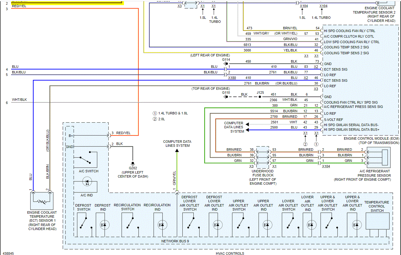
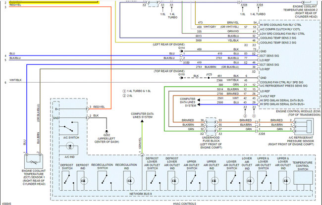
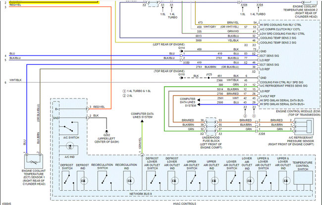
The car in question A/C went out suddenly some time ago. Being here in Texas it's been in the one hundred degree temperatures, I'm attempting to remedy this again.
Yesterday, after finding out which fuses to check, I realized the A/C clutch 10 amp fuse was blown. I replaced it, hopped into the vehicle and fired it up. It was blowing cold! I shut it off and ran inside to brag to the wife on how I had finally fixed the A/C. She came out, started it, and to our disappointment blew nothing but hot air. I checked the fuse and it had blown. I replaced it but this time and the following 3 or 4 times after, I couldn't get the cold air to come back not even for a minute, the fuse simply blew each time. Any help would be more than appreciated.
Yesterday, after finding out which fuses to check, I realized the A/C clutch 10 amp fuse was blown. I replaced it, hopped into the vehicle and fired it up. It was blowing cold! I shut it off and ran inside to brag to the wife on how I had finally fixed the A/C. She came out, started it, and to our disappointment blew nothing but hot air. I checked the fuse and it had blown. I replaced it but this time and the following 3 or 4 times after, I couldn't get the cold air to come back not even for a minute, the fuse simply blew each time. Any help would be more than appreciated.
Jul 24, 2021 at 10:24 AM





