A/C climate control buttons not working properly?

2022 CHEVROLET MALIBU
15,000 MILES • 1.5L • 4 CYL • 2WD • AUTOMATIC
Avatar
PAPAHOOD
  • MEMBER
  • 4 POSTS
Hi there. Bear with me. The other morning on my way to work my climate control buttons started going wacky. By that I mean kind of doing their own thing. The heated seat buttons started scrolling through the options and other buttons went in and out. At one point I was able to set the A/C where I wanted it but after a few minutes the whole thing shut down. So, I turned it back on and it did it again. So, I get to work, and it sits there all day and now it doesn’t power up at all. The weird part is though I can still control the climate through the digital screen. But what’s weird is whenever I start the car it automatically goes to 72 degrees and in the defrost face mode. But I am still able to set the A/C where I want it and it will run fine. So, has the climate control module gone bad on me? The physical button controls. Thanks
Jul 3, 2023 at 3:26 PM
Advertisement
Avatar
STRAILER
  • CERTIFIED EXPERT
  • 53,854 POSTS
Yep, this is what happens when the HVAC controller goes bad, here is how to replace it in the images below. I have included how to calibrate the unit as well without using an interface module. Check out the images (below). Please let us know if you need anything else to get the problem fixed.
Jul 4, 2023 at 11:24 AM
Avatar
PAPAHOOD
  • MEMBER
  • 4 POSTS
Thanks for the quick response. A couple of questions. So, there are two components I need to replace? The remote control module and the physical button control module? And my other question is I’m a little confused on the procedure to clear or calibrate codes. Are those links for that? Or was that in the pics and I’m just not seeing it correctly. Thanks
Jul 4, 2023 at 11:44 AM
Advertisement
Avatar
PAPAHOOD
  • MEMBER
  • 4 POSTS
Okay, so, I figured out the instructions for calibration. Picture was just too big, and I thought it was an ad. Anyway, that brings me to hopefully my last question. In the instructions for that it says to remove the HVAC fuse for the control module when doing this. I have found two HVAC fuses under the dash and two air conditioning fuses under the hood. Just wondering which one it actually is. Thanks
Jul 5, 2023 at 7:27 AM
Avatar
STRAILER
  • CERTIFIED EXPERT
  • 53,854 POSTS
I would remove them both. Please let me know if that works.
Jul 6, 2023 at 9:50 AM
Avatar
PAPAHOOD
  • MEMBER
  • 4 POSTS
And which fuse? Thanks
Jul 6, 2023 at 12:11 PM
Avatar
STRAILER
  • CERTIFIED EXPERT
  • 53,854 POSTS
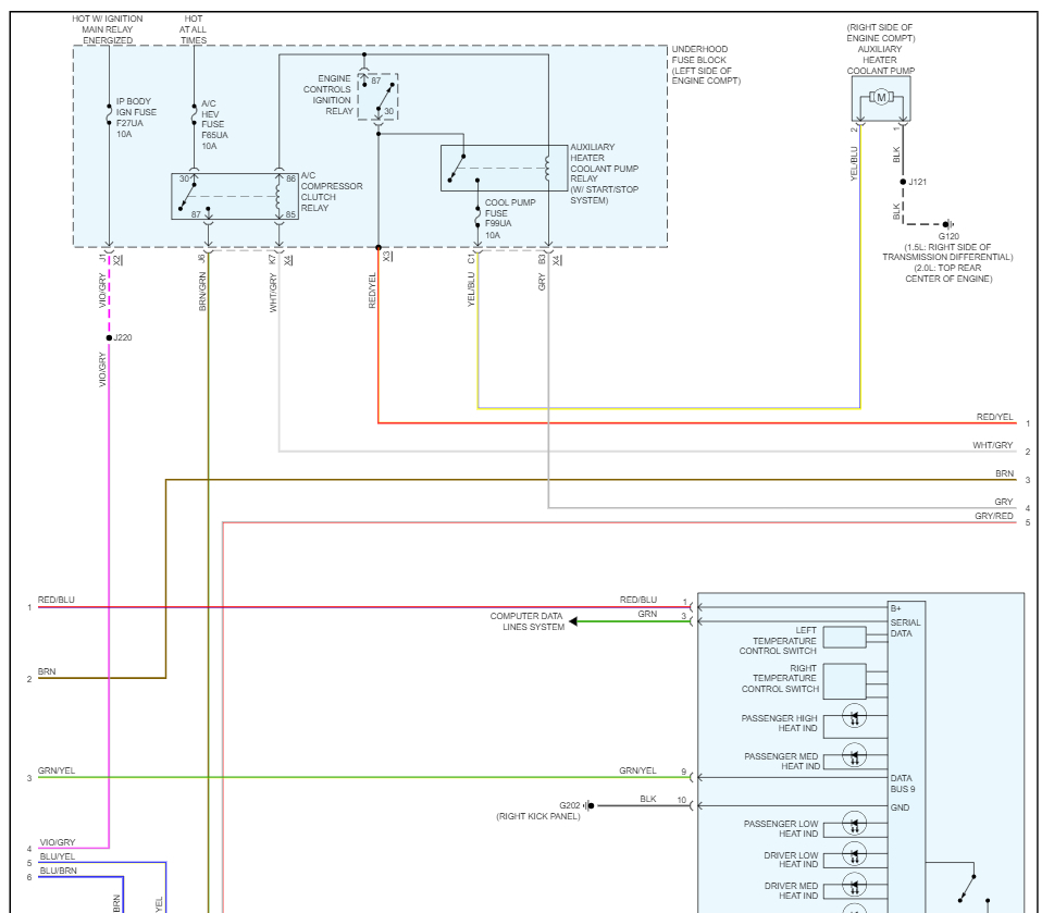
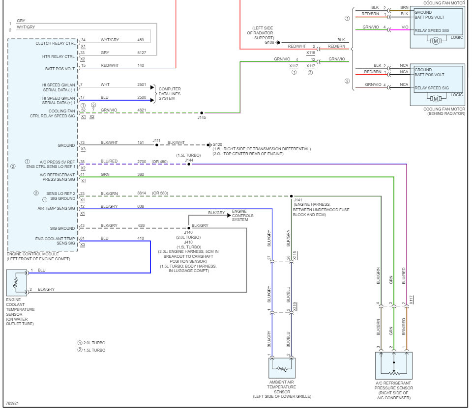
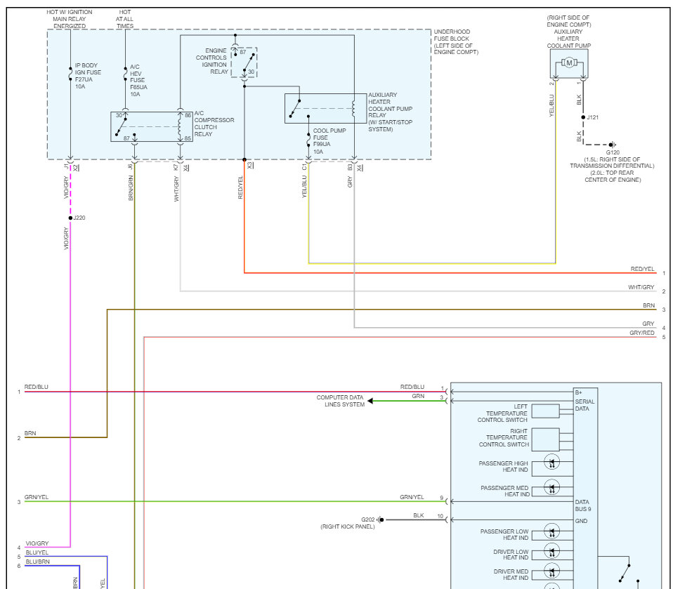
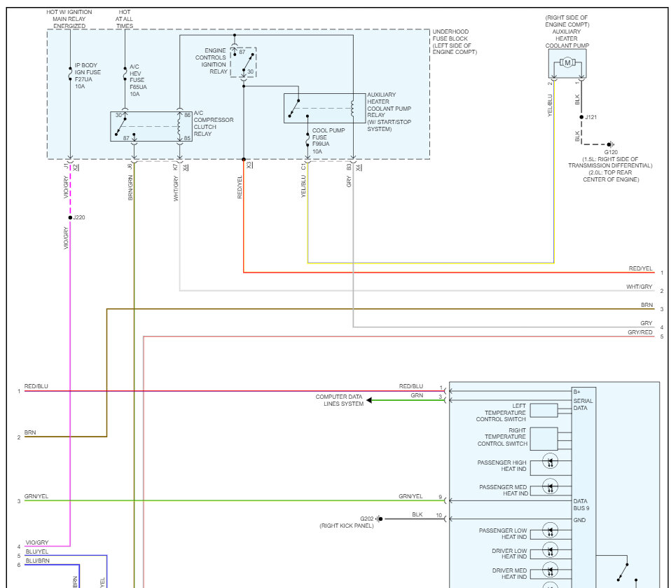
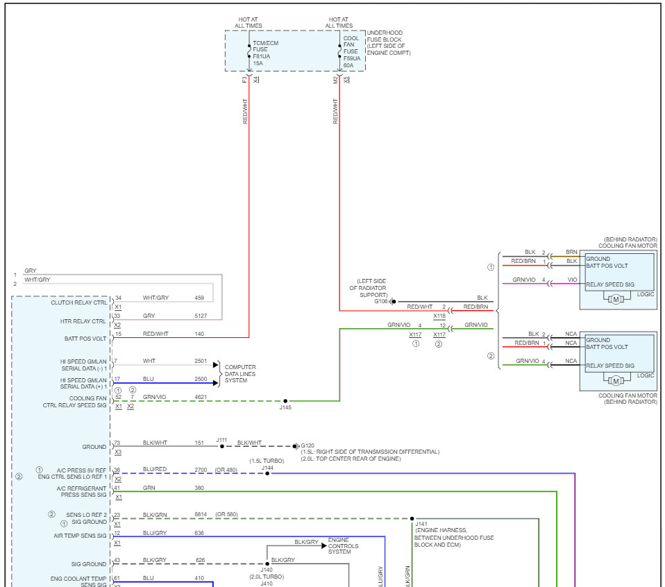
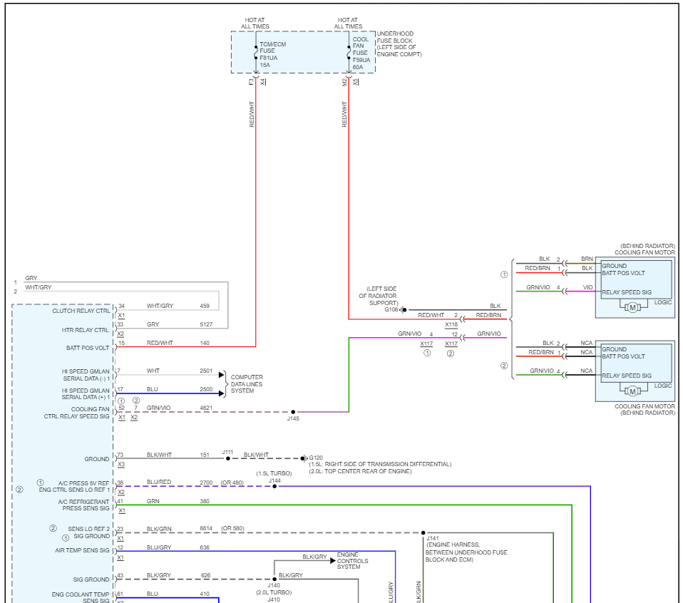
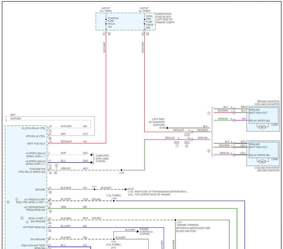
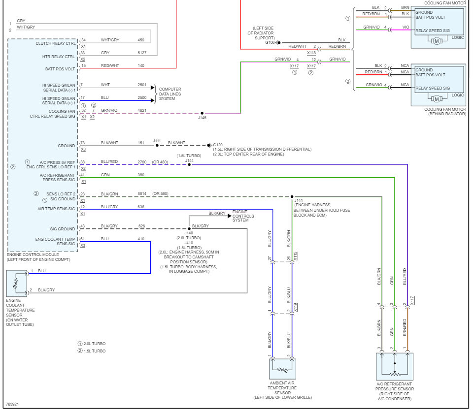
Sure, there are many fuses that run the system. here are the HVAC wiring diagrams so to can see how the system works and which fuses run the system:

https://www.2carpros.com/articles/how-to-check-a-car-fuse

Check out the images (below). Please let us know how it goes.
Jul 7, 2023 at 9:51 AM