A/C blows hot air only

2000 TOYOTA CAMRY SOLARA
100 MILES • V6 • AUTOMATIC
Avatar
DONNAWOODLEE
  • MEMBER
  • 42 POSTS
When I push the A/C button it makes a sound like something tries to open but doesn't. The green light on button comes on but no A/C.
Feb 21, 2020 at 1:16 AM
Advertisement
Avatar
ASEMASTER6371
  • CERTIFIED EXPERT
  • 52,796 POSTS
Good morning,

Can you check and see if there is any pressure in the A/C system? If you are low in Freon, it will not come on and blow cold air.

https://www.2carpros.com/articles/car-air-conditioner-not-working-or-is-weak

Can you see if the clutch is engaged for the compressor with the A/C commanded on?

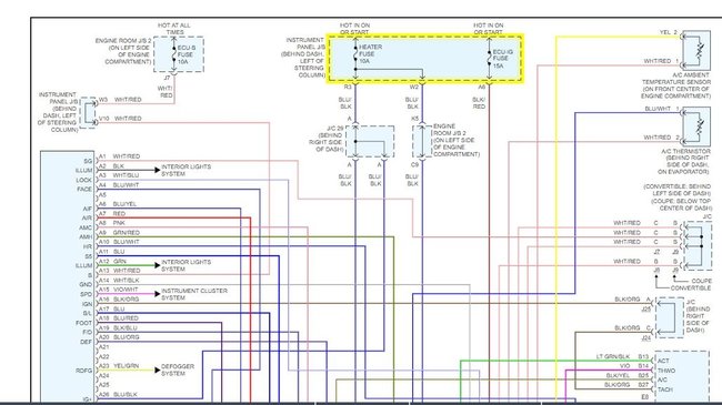
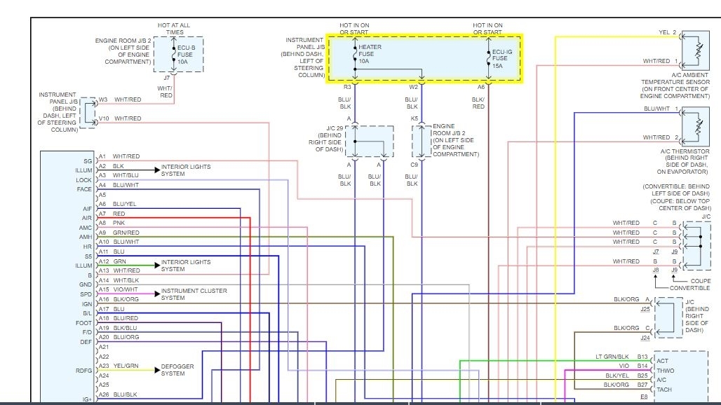
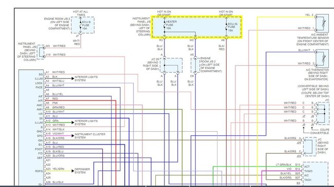
I attached a wiring diagram for you to view. Make sure you check the 3 fuses I highlighted for power on both sides.



Roy
Feb 21, 2020 at 4:18 AM