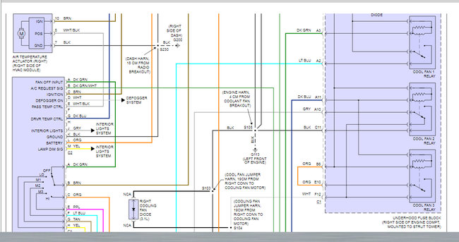
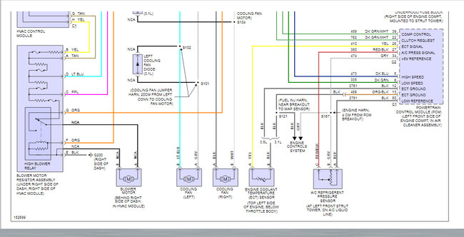
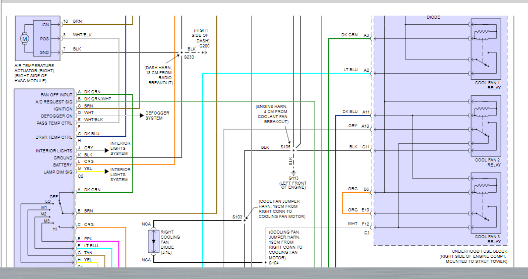
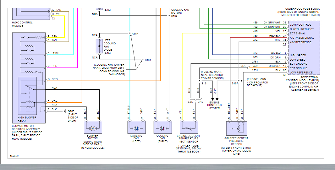
My AC will not turn on. It came on blowing cold for a mintue then went back to hot. The button you push to turn AC on and off doesn't light up the rear defrost does not either. I don't know what to look for.
May 8, 2019 at 10:18 PM













