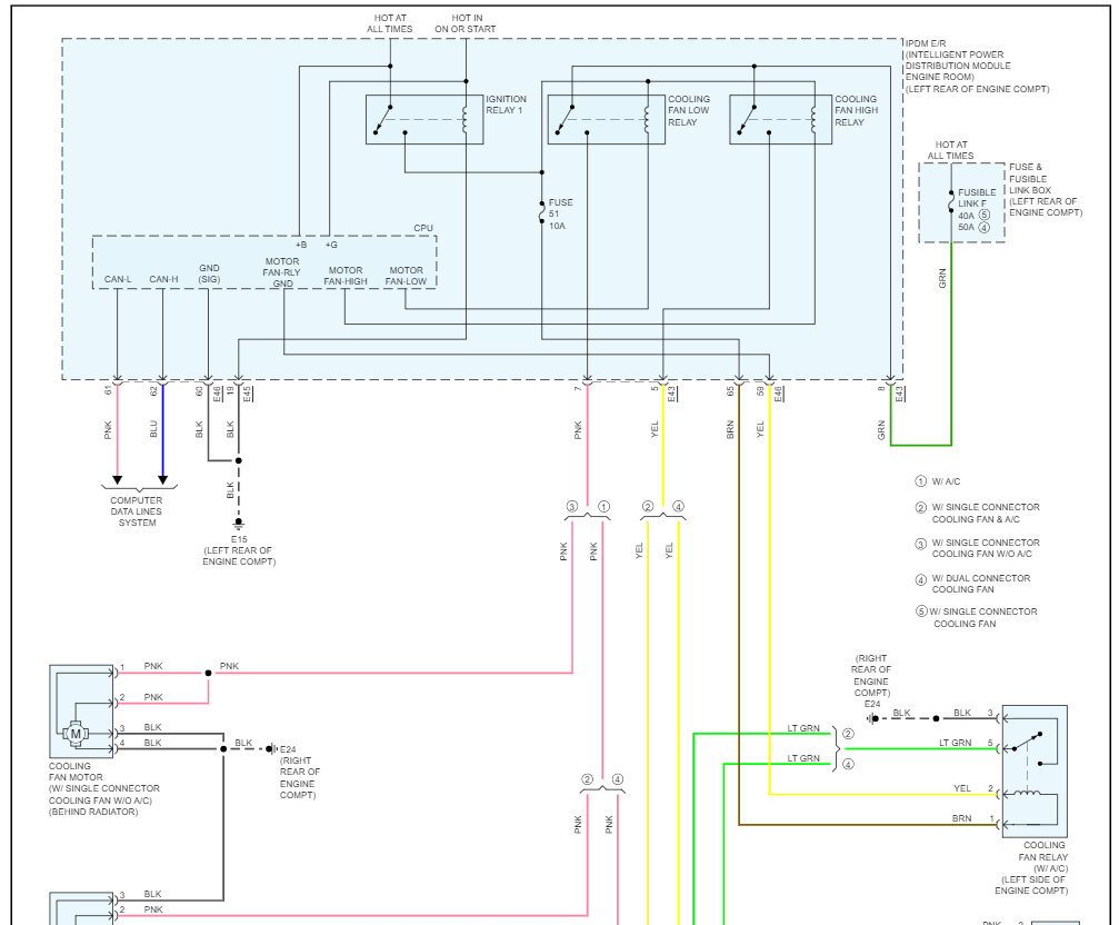
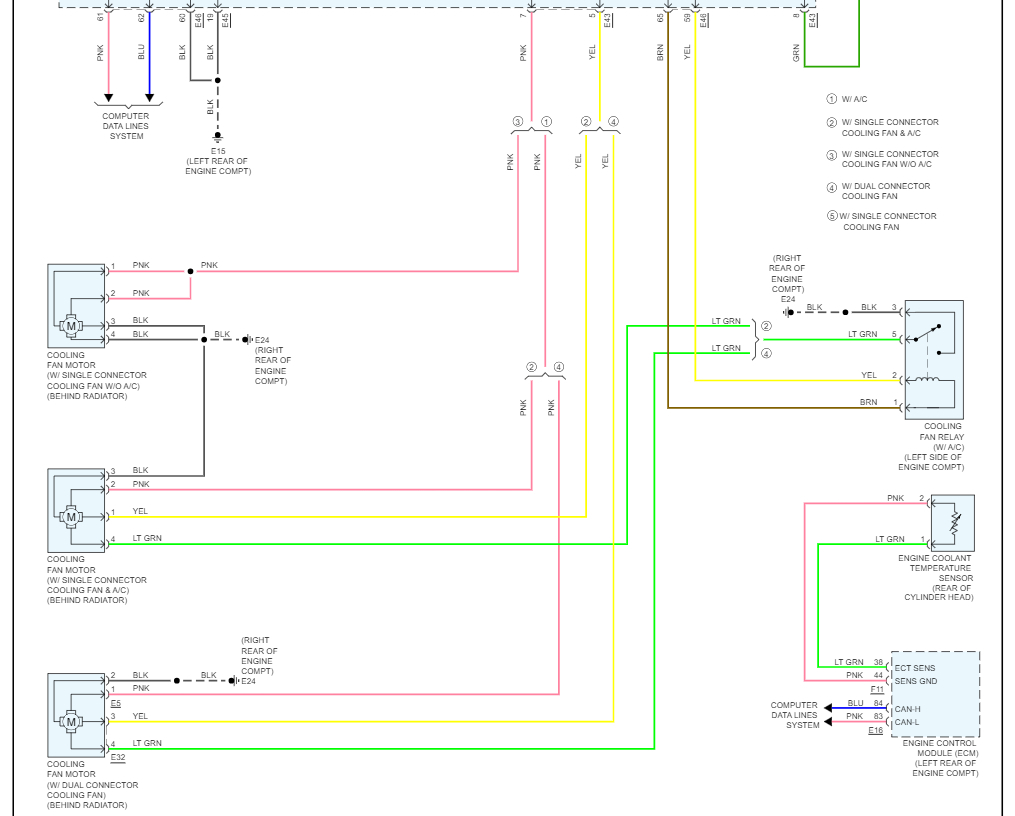
When I first purchased the car, the A/C was working great but now most of the time I'll turn on the A/C. At first it will give cold air but when I come to a stop it goes hot. Not all the time though. When the A/C is on, and the car is moving it seems to work better half but not all the time when idling it does the same sometimes it works sometimes it doesn’t, but the difference is that when idling the car seems to struggle. I noticed when the compressor clutch turns on is when the car begins to make that stutter almost like it wants to steal and then it’ll stop. Once I turn off the A/C during the hot Eder times of the day the A/C just bows out hot air for the longest time. then it’ll blow cold air after some time I checked to see if it needed to be charged and it seems to be fine. Can you help me? oh yeah, I bought the car without the air intake hose, I'm not sure what it’s called but it’s the black part that takes in air the Endor’s are there it just air intake tube that missing. I don’t know if that plays a part here any way my A/C use to blow cold air now it blows cold and hot. can you help?
Jun 22, 2023 at 10:15 AM




