A/C blowing hot air

2011 CHEVROLET CAMARO
159,000 MILES • 3 CYL • AUTOMATIC
Avatar
CHENYRIA
  • MEMBER
  • 1 POST
I went to a mechanic and had my compressor replaced but the A/C still blows hot. He said it’s a bad wiring, I’m skeptical? What should I do?
Jun 10, 2020 at 12:34 PM
Advertisement
Avatar
ASEMASTER6371
  • CERTIFIED EXPERT
  • 52,796 POSTS
Good afternoon,

Did you get a second opinion?

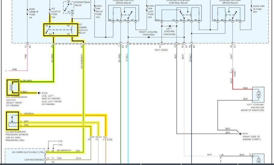
I attached a wiring diagram for you to view. Do you have a voltmeter to do some checks?

https://www.2carpros.com/articles/how-to-check-wiring

Do you have gauges to give me the high and low side pressures?

https://www.2carpros.com/articles/car-air-conditioner-not-working-or-is-weak

Roy
Jun 10, 2020 at 1:31 PM