AC blower is not working

1999 PONTIAC SUNFIRE
246,000 MILES • 2.2L • 4 CYL • 2WD • AUTOMATIC
Avatar
MRBOB459
  • MEMBER
  • 5 POSTS
I originally asked this question as a response to the thread found at https://www.2carpros.com/questions/pontiac-sunfire-1998-pontiac-sunfire-blower-problems#last. Apparently that thread is no longer monitored and I have not received an answer.

This has been very helpful to me, but my problem has not yet been solved. In helping Narcissus Razmataz said there was much more to check if one step did not solve the problem, and these further diagnostics would involve the mode switch and blower switch. I have power to the mode switch from the blower relay, but I have no clue how to continue checking this problem, and my blower is still not functional.

Any further help you can give me will be greatly appreciated.
Sep 30, 2016 at 8:48 AM
Advertisement
Avatar
HMAC300
  • CERTIFIED EXPERT
  • 48,601 POSTS
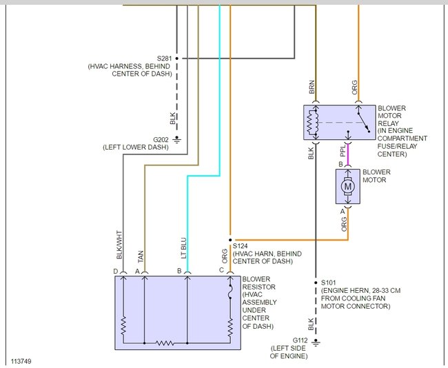
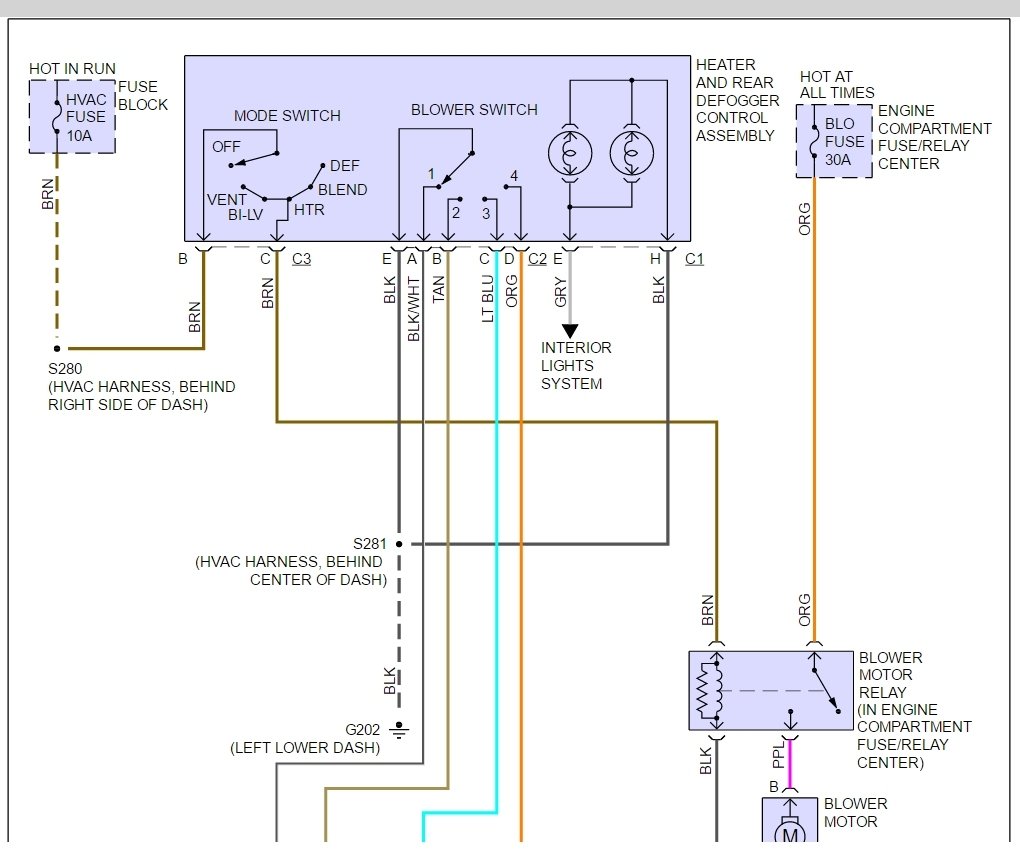
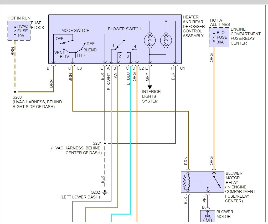
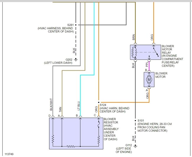
if you have power to the relay then try a like relay by switching them if blower works that is the problem, if not then you need to delve further like is the switch sending power? does blower only work on high? then it may be resistor is bad. see picture.
Sep 30, 2016 at 9:33 AM
Avatar
MRBOB459
  • MEMBER
  • 5 POSTS
I am copying my request from that other thread here. I followed all the steps on that thread and still have nothing. The blower does not work at all. If it worked on high I would not be worrying about this because the two highest settings are all I ever use and I never turn it off.

The thread I followed for the initial testing of this problem is:

https://www.2carpros.com/questions/pontiac-sunfire-1998-pontiac-sunfire-blower-problems#last

my post there is: This thread has been very helpful to me so far, but it ended before my problem was found. My car is a 1999 Sunfire with the same problem, but apparently a different cause. I always have the blower on, and while travelling this summer started smelling hot circuits. The next day the blower would not turn on. When I returned home I started by going to the junk yard and getting another blower because the odor I had smelled was very similar to that of burning fields; the replacement motor also did not work when installed. It was at this point I began doing diagnostics. Both motors work when attached to the battery, although the original motor does not turn as freely as the one I got from the junk yard.

Next I checked all the fuses in the system and replaced the blower motor relay. Still nothing. At this point I found this thread and completed all the diagnostics it recommended, hoping that Narcissus had the more serious problems because that is what I expected I have. I have power at the mode switch, which is one step beyond the diagnostics you detailed to Narcissus, but I have no idea where to go from here and I am not finding anything else on the internet about this problem. Can you help me go on from here?

Sep 30, 2016 at 10:58 AM
Advertisement
Avatar
HMAC300
  • CERTIFIED EXPERT
  • 48,601 POSTS
it sounds like it may be a bad hvac control module which a mechanic will need to scan for codes to verify. if you try to replace it the other will need to be programmed to your vehicle by a mechanic. there may also be another problem wiring wise. we do not normally read posts as we create them and only go to our manual for issues like yours .check the HVAC fuse inside car as that powers the control head it may be blown or the brown wire leading to control may not be powering it up which if no control no blower.
Sep 30, 2016 at 12:12 PM
Avatar
MRBOB459
  • MEMBER
  • 5 POSTS
That fuse has been checked multiple times, so I am assuming your suggestion of the control module or something else is going to be the problem. Since I smelled hot circuits, but it did not draw enough power to blow any fuses something like that could have overheated after cooling when the engine was shut down no longer functions at all. I guess this will go to my mechanic. Thank you for your assistance.
Sep 30, 2016 at 2:35 PM
Avatar
STRAILER
  • CERTIFIED EXPERT
  • 53,854 POSTS
Hello,

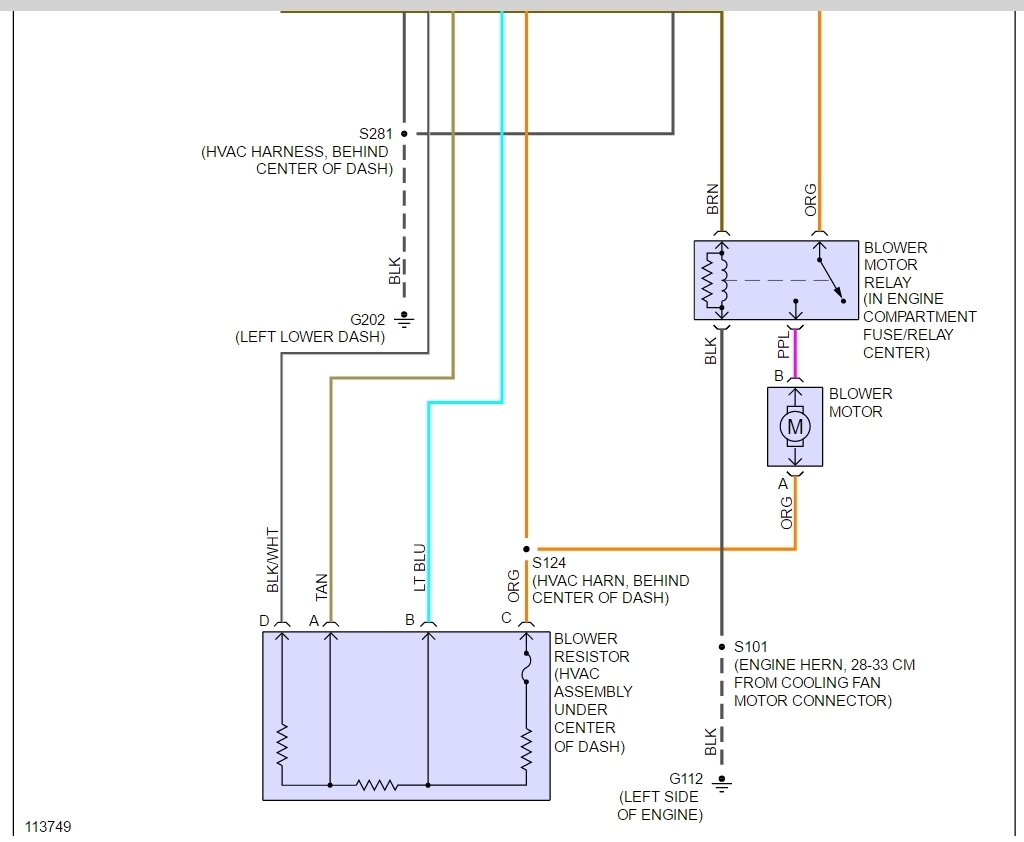
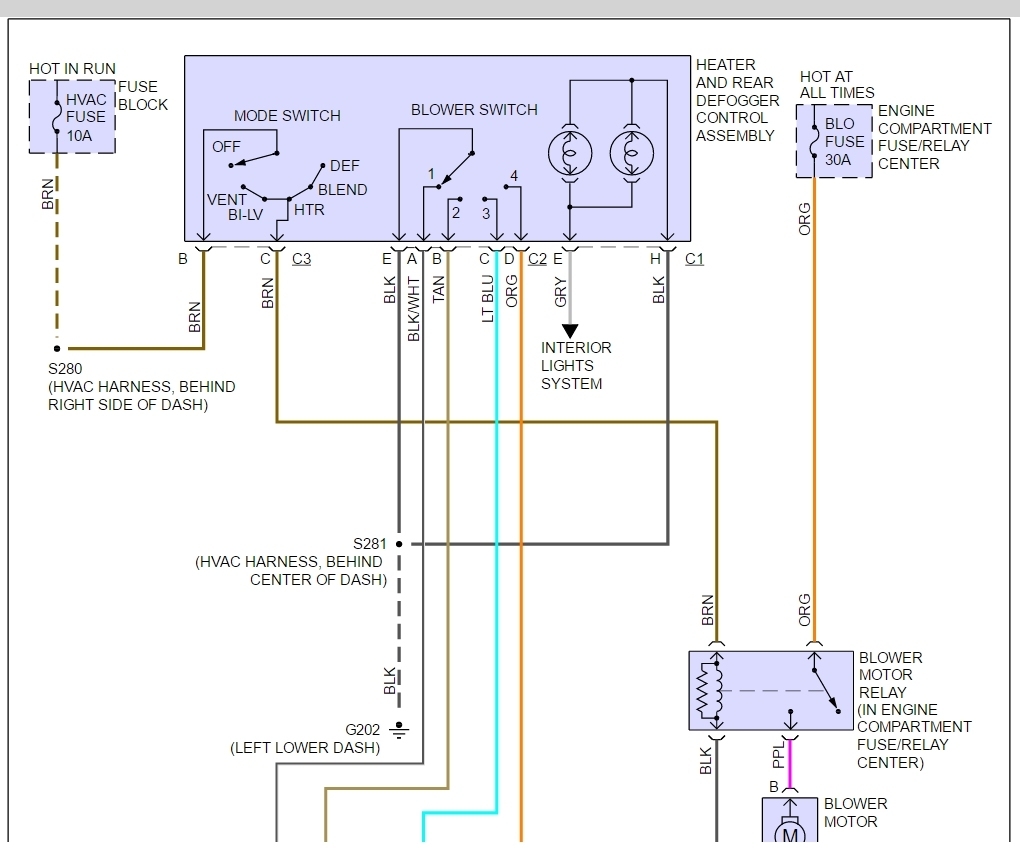
I found these wring diagrams to help troubleshoot the problem. Test the power and ground for the relay.

Here is a guide that can help you

https://www.2carpros.com/articles/how-to-check-an-electrical-relay-and-wiring-control-circuit

Please let us know what you find so it will help others.

Best, Ken
Oct 4, 2016 at 10:25 AM
Avatar
MRBOB459
  • MEMBER
  • 5 POSTS
I am sorry it has taken me so long to try this information you gave me. It was reviewed immediately but I have only just now tried these tests. Everything up to step 12 had been done in previous tests and when I replaced the relay. I had assumed all was well with the relay before because I can hear it activate when it is plugged in with the power turned on, but upon doing these tests I get an unexpected result and wonder how it is possible for that relay to activate at all.

I jumped terminals 85 and 86 (step 12 in the link you gave me) with the engine off and found the circuit to be active. Next I went to step 13 and attempted to jump circuits 87 and 30 with the engine running and my tester did not light up. It was not clear to me from the instructions given if the previous circuit was supposed to still be jumped, and I had not jumped it when I changed the tester light to this second circuit. With the tester light still in this circuit I attempted to jump the circuit between 85 and 86 again, and was surprised to find no arc as I closed this circuit. I changed the tester light to this circuit and found it to be dead. When I turned off the ignition I again had a hot circuit between leads 85 and 86. I don't know, but this sounds like a problem to me.

What's going on here? Is this how this side of the relay is supposed to be functioning or is there a problem somewhere in this circuit?
Oct 23, 2016 at 5:10 PM
Avatar
HMAC300
  • CERTIFIED EXPERT
  • 48,601 POSTS
it may be the fuse box try tweaking the prongs of the relay then putting dielectric grease on them I t may be getting poor contact in fuse box or you will need another fuse box where relay goes if no power there. However you should have a mechanic scan for codes for a control head problem
Oct 24, 2016 at 6:48 AM