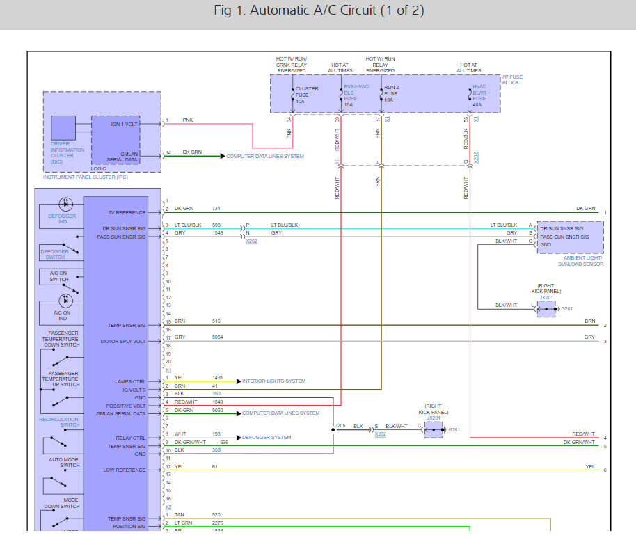
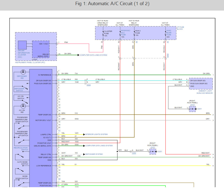
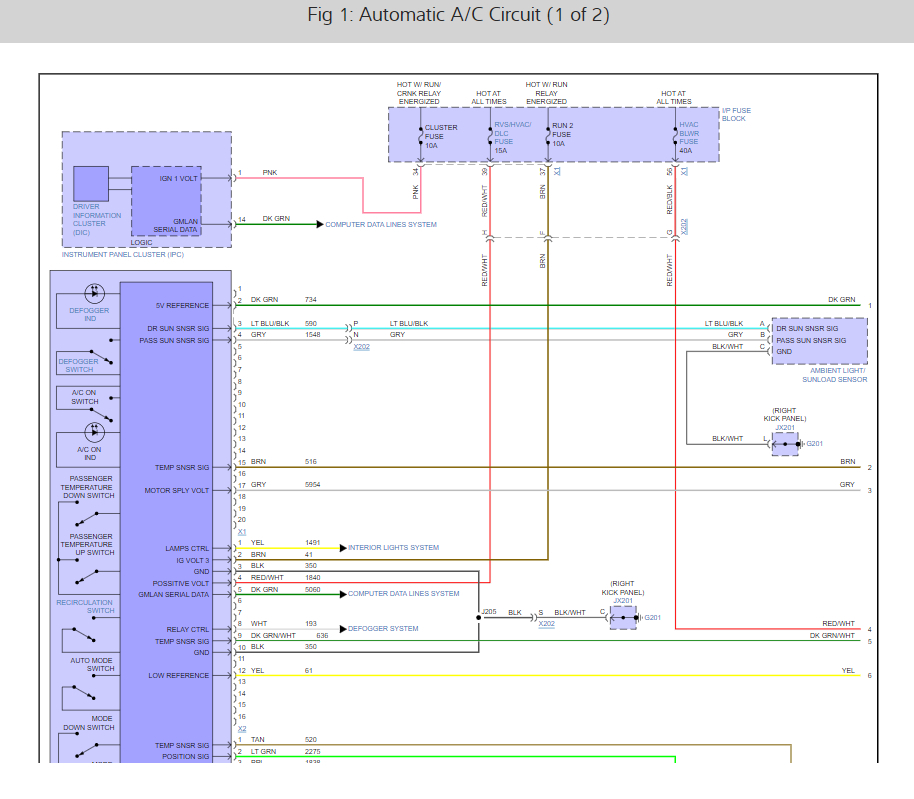
The temperature and the buttons to switch vents won't control. So, i replaced the climate control module and it worked for a week. After that it was stuck on heat and won't control again. I checked all the fuses and also the actuator blender and everything is fine. This is the second time it has happened and always works like one week with the new climate control. I took it to the shop for the first time and they didn't find anything wrong with it. That's why i would like your guys help please. Thank you.
Nov 16, 2022 at 3:40 PM






