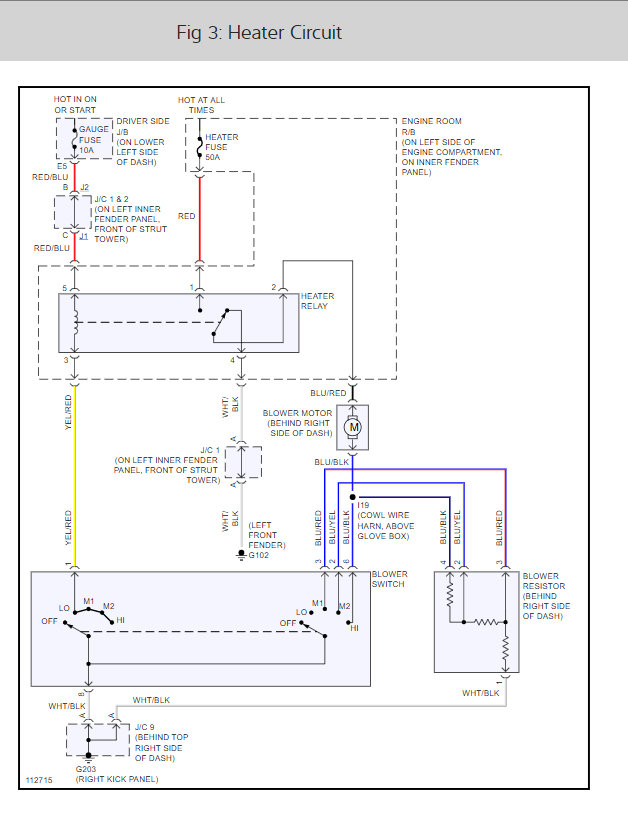
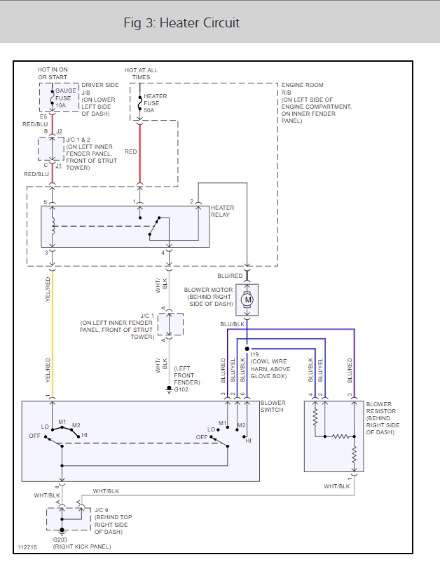
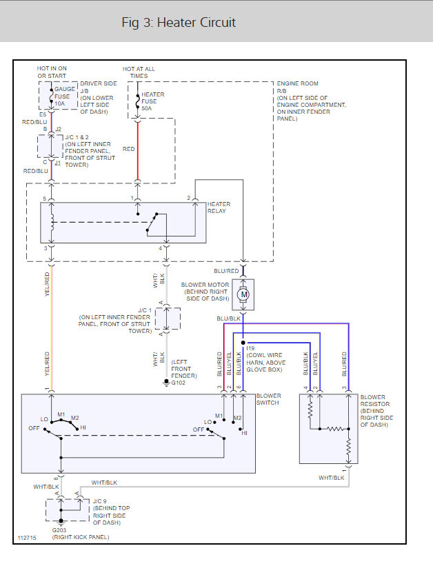
Hi, the A/C in my car is not working.when I push the A/C button the light comes on but compressor is not powered. Kindly help me with the circuit diagram for the said A/C amplifier above.
Regards,
George
Regards,
George
Oct 18, 2019 at 4:00 AM




