A/C air not cold

1998 ACURA CL
153,000 MILES • 3.0L • V6 • 2WD • AUTOMATIC
Avatar
MAILMD32217
  • MEMBER
  • 23 POSTS
Hey 2CarPros,

My A/C air stopped blowing cold. The passenger side fan comes on, but the drivers side fan does not before and after the ac is turned on. It is my understanding that both fans should come on at some point. When is that?

Upon further inspection, I noticed a disconnected wiring harness hanging down, but the middle of the disconnected wire that was stuck in the plastic clip of the larger wiring harness. The two wiring harnesses in question are located to the passenger side of the radiator fan cover. The main wire separates into one disconnected small round gray wiring harness and one larger square gray connected wiring harness. I wires did not have any tape or plastic coil protection; so, taped the the (white, red, gray) wiring with black electrical tape. I could see where the small round gray harness plugs in at. Where does the gray smaller wiring harness in the attached photo plug in at and what is the name of the wire and what it goes to?

What is the most likely possibility for the air to only blow room temperature air and stop blowing cold air?

MD
Jul 28, 2019 at 5:55 PM
Advertisement
Avatar
MAILMD32217
  • MEMBER
  • 23 POSTS
Hey 2CarPros,

While waiting for your reply, I decided to do some more research. I was looking see if I could find where the small (red single wire) disconnected harness might go to. I found a disconnected blue wire with a small pin socket underneath the radiator fan cover. I imagined the connection to the small wire harness to look the same as what it plugs into, but the blue wire fits perfectly in the one pin inside the small harness. The blue wire runs to a the part that looks like a motor underneath the alternator. It might be the the connection I was looking for. I don't see anything else that it might plug into. I've attached a photo. Please research, troubleshoot, diagnose and help solve this trouble.

What is the motor underneath the alternator called and is the blue wire the correct connection to the small gray disconnected wiring harness in question?

Thanks,

M D
Jul 29, 2019 at 12:45 PM
Avatar
STRAILER
  • CERTIFIED EXPERT
  • 53,854 POSTS
Hello,

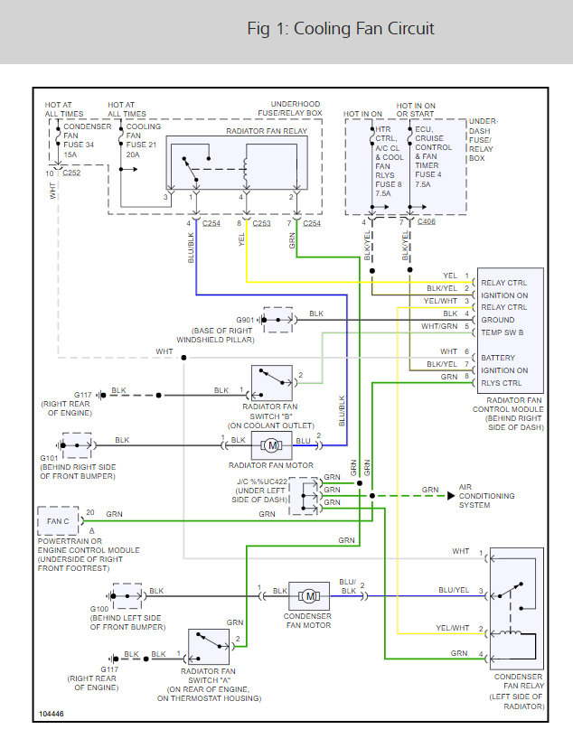
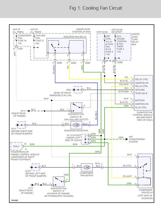
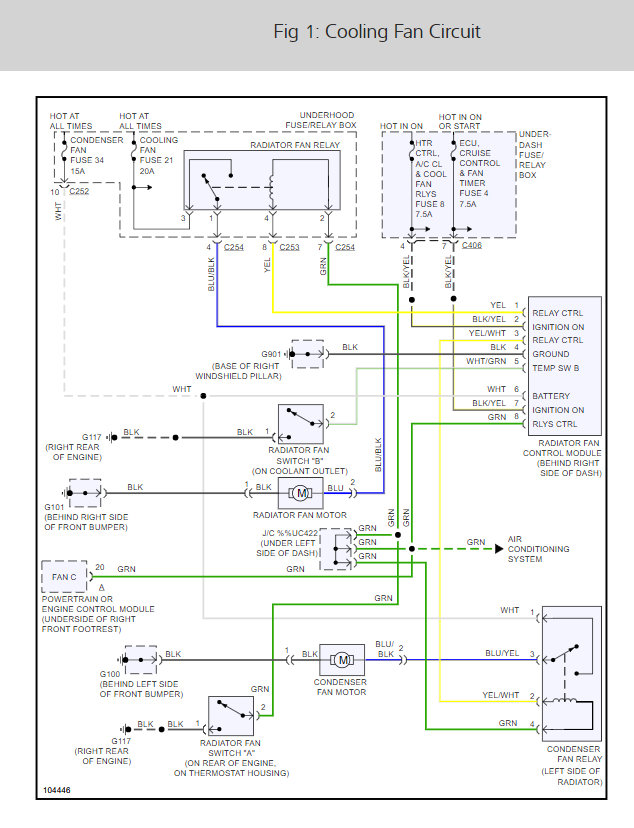
It looks like you have some wiring issues for sure. lets fix the issue by following this guide to check the wiring with the engine cooling fan wiring diagrams below.

https://www.2carpros.com/articles/how-to-check-wiring

Check out the diagrams (below). Please run some tests and get back to us. make sure to check the relay as well.
Jul 30, 2019 at 12:09 PM
Advertisement
Avatar
MAILMD32217
  • MEMBER
  • 23 POSTS
Hello,

My A.C. started working again after I made the connection with the 2 disconnected wires. The 2 previously described wires above, the red and blue one going to the radiator cooling fan motor. I don't know how they were unplugged. You probably have some experience or knowledge about this with other vehicles.

This appears to have solved the A C problem. For now, this case appears to be solved.

Thanks,

M D
Aug 4, 2019 at 7:30 AM
Avatar
STRAILER
  • CERTIFIED EXPERT
  • 53,854 POSTS
Glad you could get it fixed, that kind of problem can be tough. Please use 2CarPros anytime we are here to help.
Aug 5, 2019 at 9:40 AM
Avatar
CMS4896
  • MEMBER
  • 4 POSTS
When the outside temperature is above 85, my AC does not get very cold, even when it's turned up all the way and after I have been driving for over 15 minutes.

Also, when the weather was cold the car does not heat well.

Do you think it's the thermastat? And if yes, what is the average cost to repair including parts and labor?

Thank you!

Carolyn
Aug 5, 2019 at 9:40 AM (Merged)
Avatar
ASEMASTER6371
  • CERTIFIED EXPERT
  • 52,796 POSTS
have the cooling system checked as it is common to both issues.

we need the pressure readings for the ac when running.

Roy
Aug 5, 2019 at 9:40 AM (Merged)
Avatar
HONDATECH1983
  • CERTIFIED EXPERT
  • 109 POSTS
Are both of your cooling fans working when your a/c is on? Is your coolant level full?
Aug 5, 2019 at 9:40 AM (Merged)