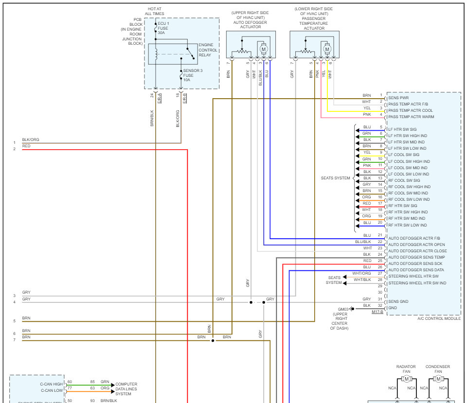
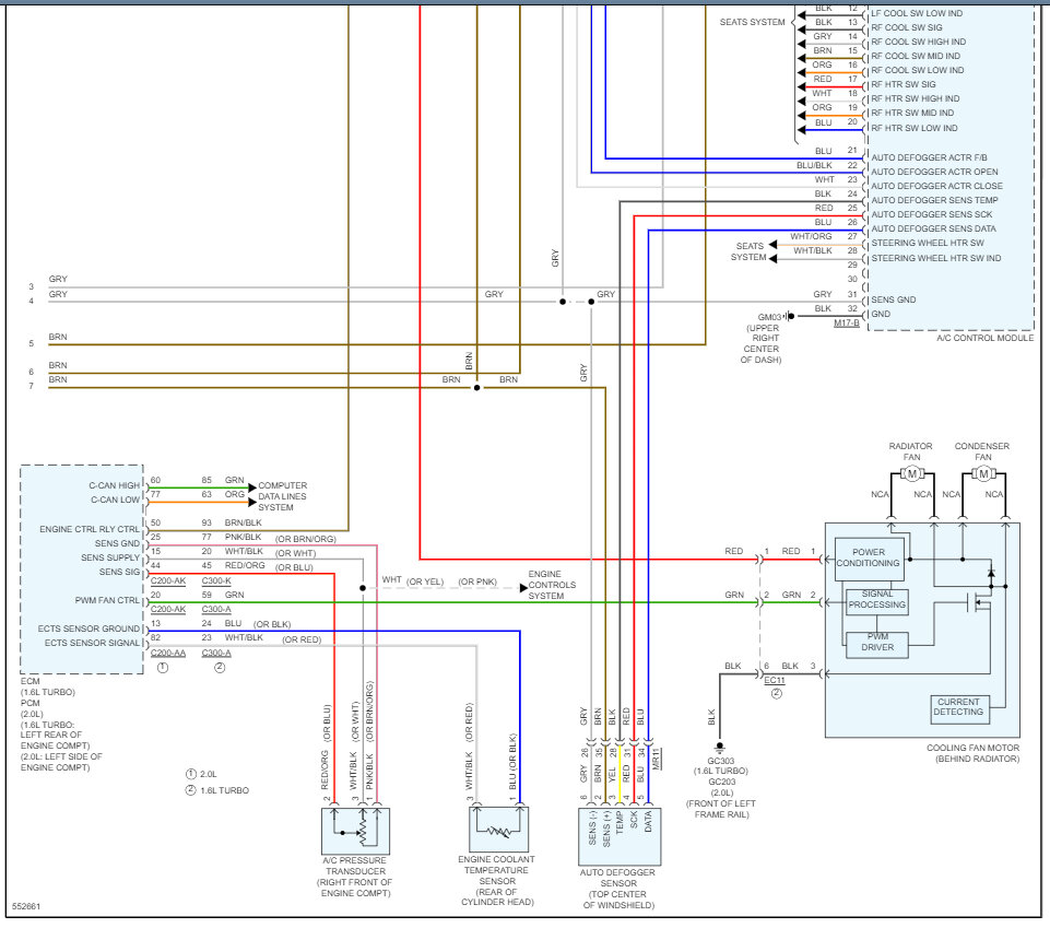
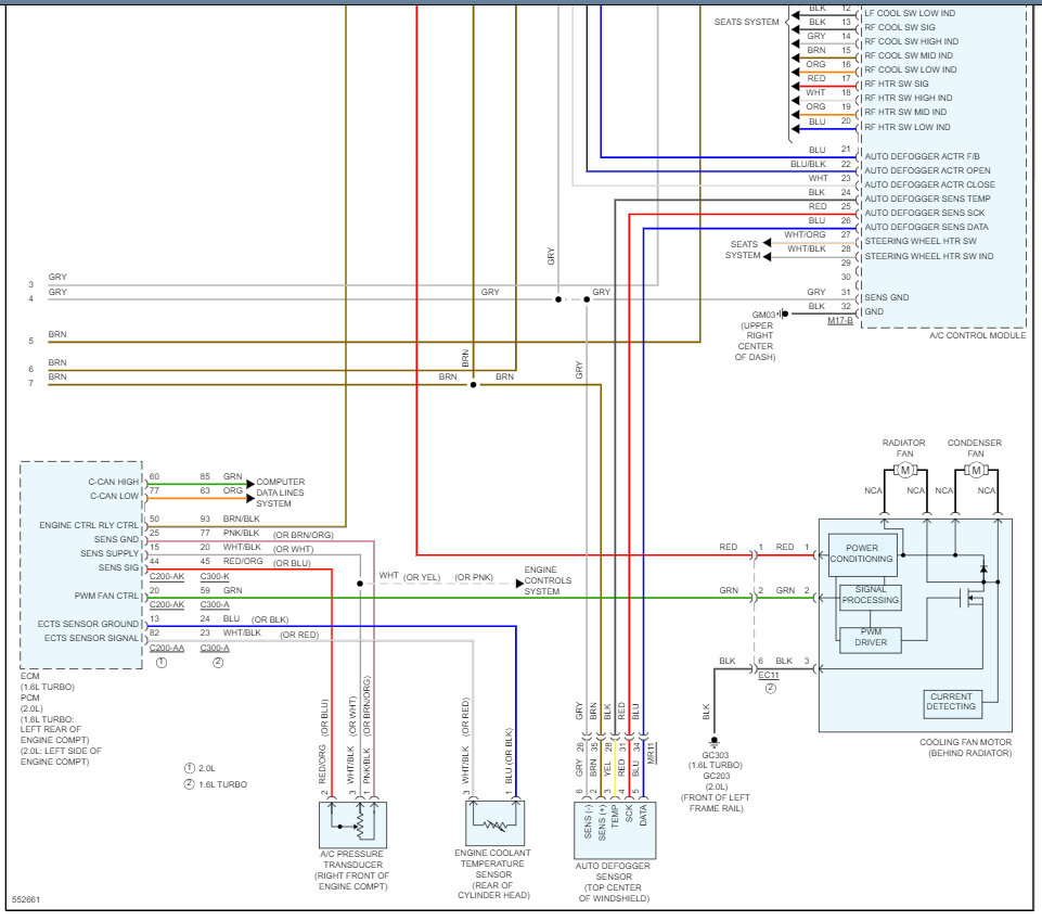
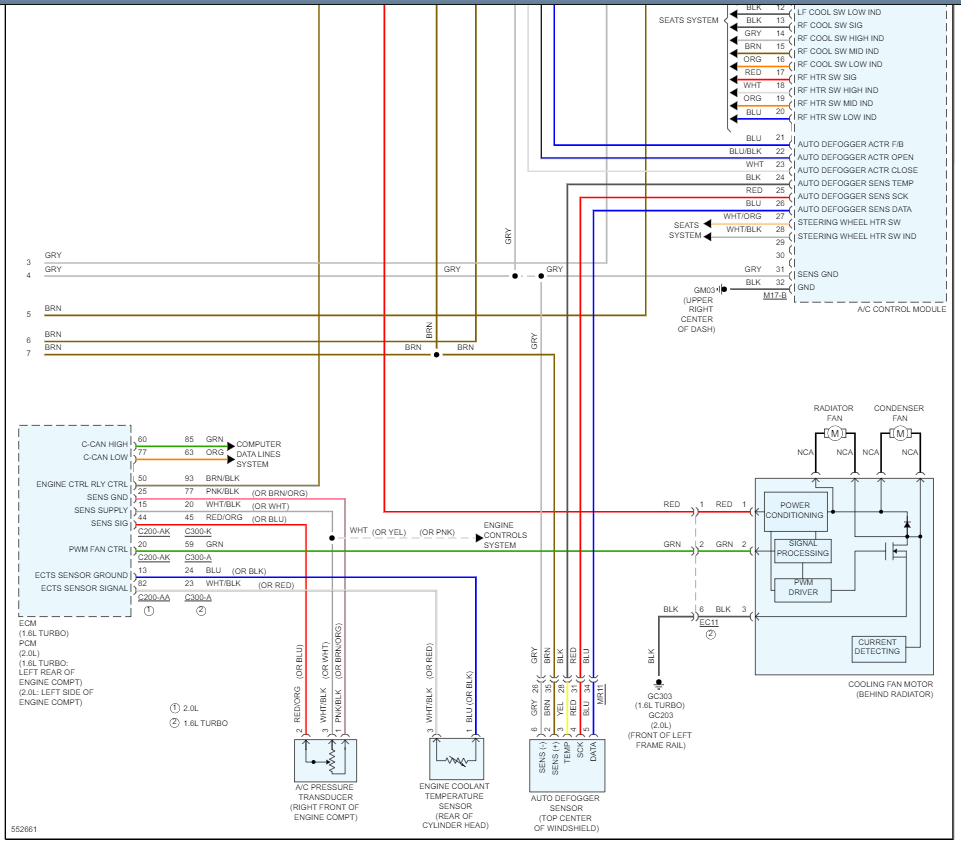
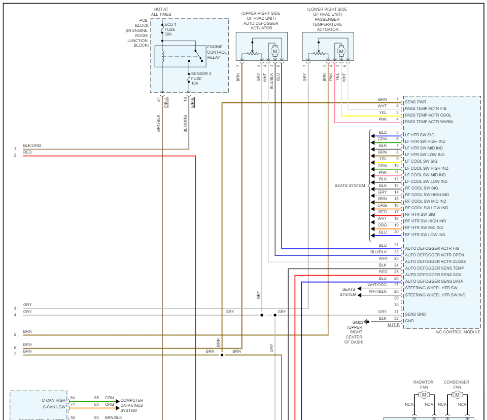
I'm noticing that my coolant fans will not operate. I'm not overheating, and I tend to idle for long periods of time, and they never turn on. I understand that if they don't turn on then the A/C won't turn on in most cases. When I turn the car on and select the A/C from the HVAC module I'm only getting 2-5 volts at the compressor which I think would be high resistance in the circuit or its the module not allowing the compressor to come on due to the fans not turning on. I replaced the evap thermistor near the gas pedal and I've swapped out A/C relay under the hood of the vehicle. My gauges are reading static pressure at 100 high and low since the compressor isn't turning on.
Jun 25, 2023 at 3:26 PM












