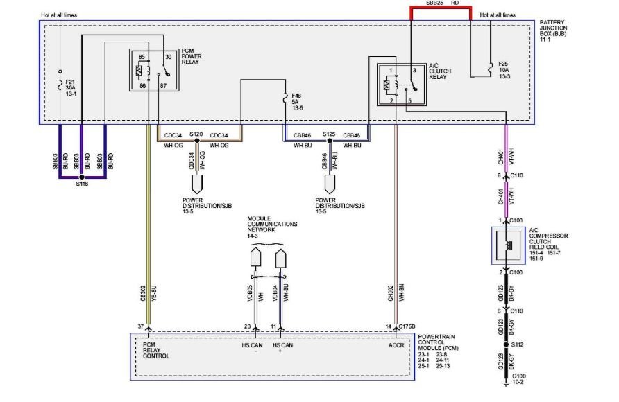
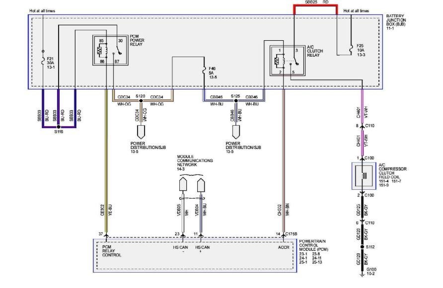
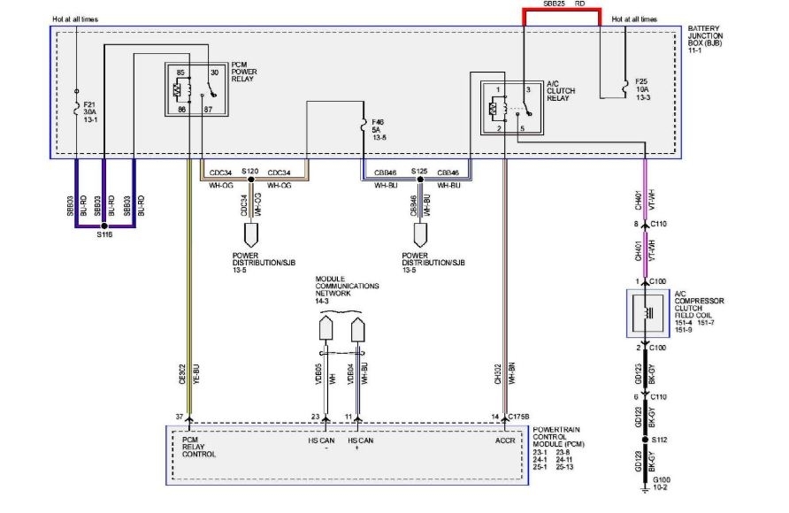
I have replaced the relay, drier, and high and low side valves. It has low pressure on the high side, and high pressure on the low side. Sometimes it will work for a twenty minutes or so, but most of the time it will not cool at all. Could this be a compressor issue?
Jun 30, 2018 at 5:43 AM

