A/C button flashing green light and compressor will not engage

2012 TOYOTA SIENNA
96,000 MILES • 3.5L • 6 CYL • 2WD • AUTOMATIC
Avatar
PLESS STUESSY
  • MEMBER
  • 5 POSTS
Fuses are good. System is correctly charged. When you first push the button the engine revs up and fans start but then it starts flashing again. Problem was intermittent now it constant.
Belt not slipping.
Apr 23, 2021 at 1:04 PM
Advertisement
Avatar
JACOBANDNICKOLAS
  • CERTIFIED EXPERT
  • 110,175 POSTS
Hi,

Does the compressor ever engage? If it doesn't, it could be a number of different things. First, I have to ask how the charge was checked. Also, if you could, let me know what both the high and low static pressures are and what the outside temperature was when checked.

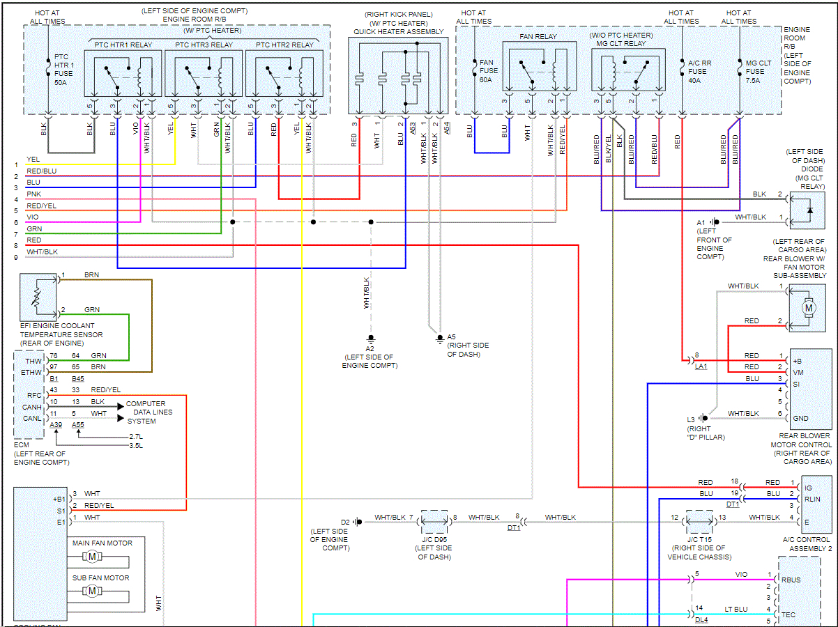
Next, if you are certain that all fuses are good, I need you to check for power at the compressor. If you look at pic 1 below, it shows the connection and which wires provide power. Make sure each of the wires have power when the system is on. Here is a link you may find helpful:

https://www.2carpros.com/articles/how-to-check-wiring

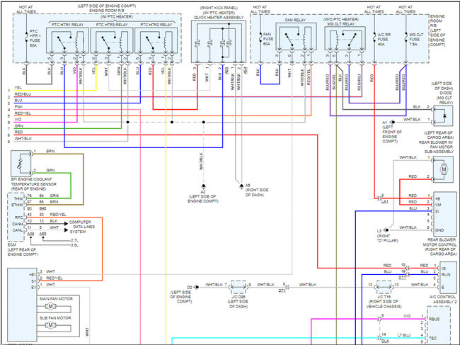
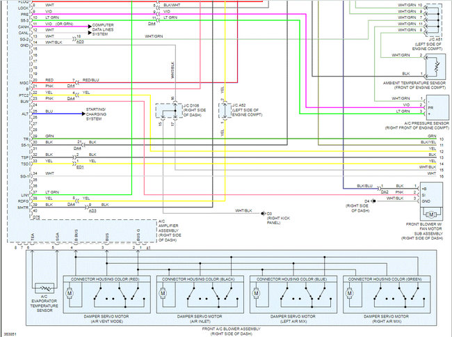
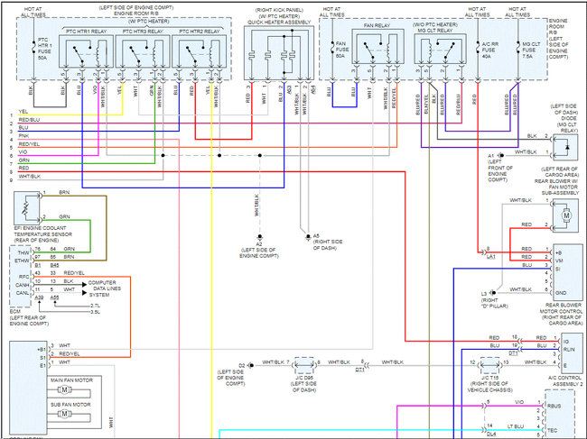
The remaining pics provide the entire wiring schematic related to the AC/HVAC system. I'm adding them in the event you need to reference something.

Note: Starting with pic 2 below, I had to cut the schematic pages in half to make them readable for you. I did overlap them so you can follow from one to the other.

Let me know what you find or if you have other questions.

Take care,

Joe
Apr 24, 2021 at 8:59 PM
Avatar
PLESS STUESSY
  • MEMBER
  • 5 POSTS
Hello,

When you press the A/C button the engine idles up and the fans kick on for a few seconds but the compressor never engages.
The A/C amplifier was replaced over a year ago. the problem was intermittent for a while now it is constant.
It has been raining and haven't had a chance to check voltage on the wiring and I will have to find someone to check the Freon. The compressor won't engage for me so I can't do anything.
I cannot afford the down time and cost for the dealership to diagnose it. It is expensive and they won't touch it until it cools completely off.
Fuses are not blown relay is new.
I ended up paying for 2 of their relays last time. Apparently no one knew how to test the new one i installed. At $70.00 a piece and $120.00 to diagnose and tell me what 1 had already known. Then after 2 trips and countless hours I was told amplifier and a new relay $1,000.00
So I don't know.
Thanks.


Apr 28, 2021 at 12:48 PM
Advertisement
Avatar
JACOBANDNICKOLAS
  • CERTIFIED EXPERT
  • 110,175 POSTS
Hi,

When you get the chance, check for power to the compressor clutch. If it has power, replace the clutch. If there is no power, then we need to confirm there is enough gas in the system for the low pressure to allow the system to operate.

Here is a link you may find of interest:

https://www.2carpros.com/articles/car-air-conditioner-not-working-or-is-weak

Let me know what you find.

Take care,

Joe
Apr 28, 2021 at 5:17 PM
Avatar
PLESS STUESSY
  • MEMBER
  • 5 POSTS
Hello,
I have someone coming by to check the pressures on the A/C. The temperature is around 72 degrees here.
What would be the range for low side and high side not running?
Thanks,
Pless
Apr 30, 2021 at 11:30 AM
Avatar
JACOBANDNICKOLAS
  • CERTIFIED EXPERT
  • 110,175 POSTS
Hi,

Between 70 and 75°F, low pressure should be around 35 to 40 PSI. The high pressure side (when the system is engaged) should be 150 to 175 PSI.

Width the A/C off (for at least 30 minutes), static pressure will equalize, so both the high and low sides should be the same or nearly the same. At 72° F ambient temperature, pressure should be approximately 75 PSI on both sides.

Let me know what you find.

Take care,

Joe
Apr 30, 2021 at 6:54 PM
Avatar
PLESS STUESSY
  • MEMBER
  • 5 POSTS
Good morning.
We checked the static pressures this morning.
The temperature is 64 on the van readout. The reading was 65 on the low side and 67 on the high side.
For two morning in a row the ac is working but will soon stop and not work again today.
I'm beginning to think clutch?
Thanks
Pless
May 1, 2021 at 7:58 AM
Avatar
JACOBANDNICKOLAS
  • CERTIFIED EXPERT
  • 110,175 POSTS
Hi,

The static pressure is perfect. It is right where it should be.

What to do is when it fails, check to see if there is still power to the A/C clutch. Also, if you look below, I included the diagnostics for the system. If you jump to step 8, it shows how to check the compressor clutch itself.

Let me know if this helps and what you find.

Take care,

Joe
May 1, 2021 at 7:59 PM