ac not working

1997 NISSAN ALMERA
155,000 MILES
Avatar
BOZENA CAPA
  • MEMBER
  • 2 POSTS
Hi, A/C compressor is not activated when l turn on A/C button. A/C button has three pins and only has power. relay and all fuses are okay.
May 28, 2017 at 12:12 PM
Advertisement
Avatar
STRAILER
  • CERTIFIED EXPERT
  • 53,854 POSTS
Hello,

First make sure the system has a good charge which you can do by following this link.

https://www.2carpros.com/articles/air-conditioner-how-to-add-freon

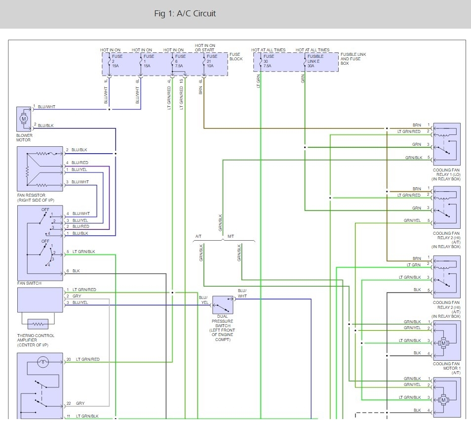
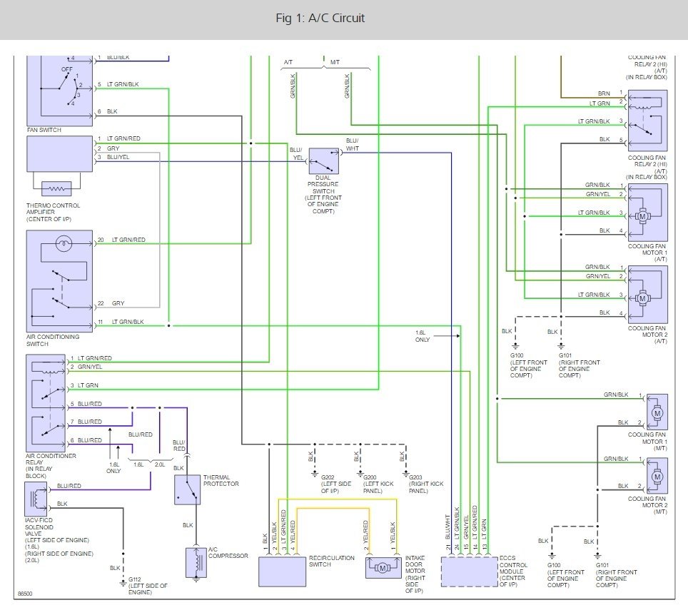
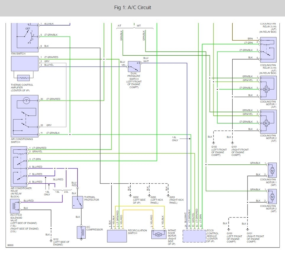
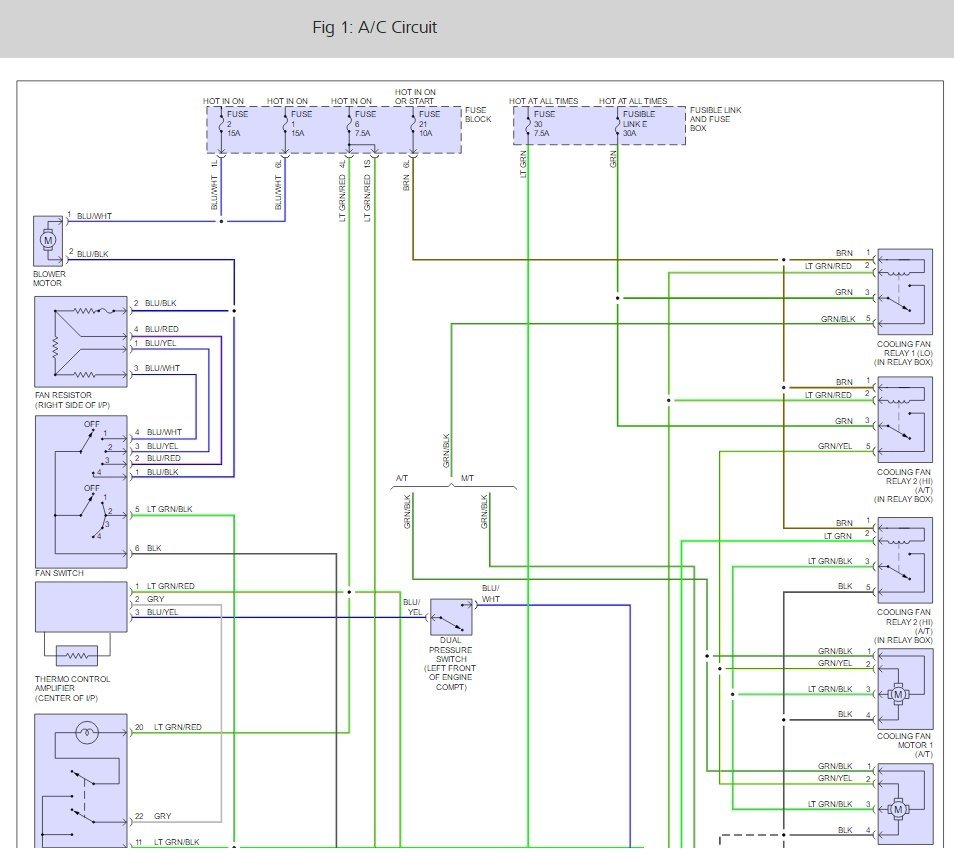
Next here is a wiring diagram (BELOW) and a guide so you can do some testing. As you can see by the diagram there are many fuses that run the system.

https://www.2carpros.com/articles/how-to-check-a-car-fuse

and

https://www.2carpros.com/articles/how-to-use-a-test-light-circuit-tester

Please run some tests and get back to us so we can continue helping you.

Cheers, Ken
May 31, 2017 at 1:34 PM
Avatar
BOZENA CAPA
  • MEMBER
  • 2 POSTS
I found the problem, the connector of temp sensor was disconected...a banal error- Thank you for your time.
May 31, 2017 at 2:13 PM
Advertisement
Avatar
STRAILER
  • CERTIFIED EXPERT
  • 53,854 POSTS
Good to hear, please use 2CarPros anytime we are here to help.

Cheers, Ken
Jun 1, 2017 at 11:21 AM