AC relay location

2004 BMW X3
190 MILES • 3.0L • 6 CYL
Avatar
PATRICK EVANS
  • MEMBER
  • 1 POST
Where is my AC relay location?
Aug 27, 2018 at 12:07 PM
Advertisement
Avatar
AL514
  • CERTIFIED EXPERT
  • 5,465 POSTS
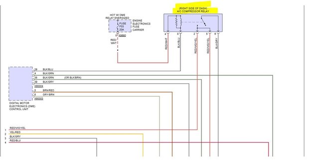
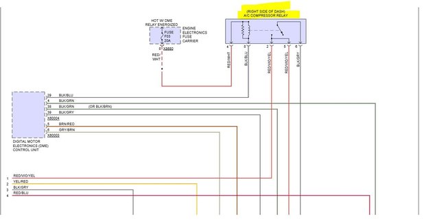
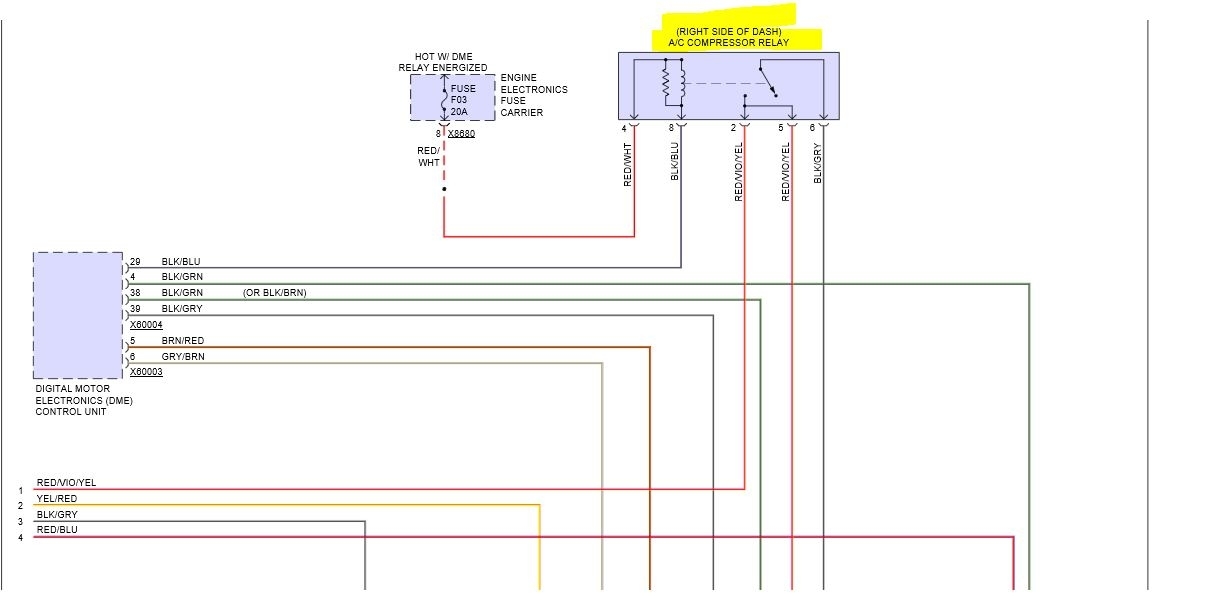
Hello there and thanks for using 2CarPros.com. Here is a wiring diagram of the A/C compressor relay located under the right side of the dashboard, assuming that is what you are looking for. Hope this helps. You can locate it by looking for the correct wire colors on the diagram.
Aug 27, 2018 at 12:30 PM