A/C only blowing through the defrost vents and lower vents?

2014 FORD MUSTANG
90,000 MILES • 5.0L • V8 • 2WD • AUTOMATIC
Avatar
RENE MENDOZA
  • MEMBER
  • 6 POSTS
hello everyone, i have the car listed above GT and i have a question. Why is my A/C only blowing through the defrost vents and down my legs only. i tried putting it in different modes and it still only blows through the defrost and at the bottom of my legs. please help me out, it’s driving me crazy!
Mar 17, 2021 at 12:47 AM
Advertisement
Avatar
ASEMASTER6371
  • CERTIFIED EXPERT
  • 52,796 POSTS
Good morning,

There is an actuator behind the glove box that controls air flow to the vents. They are common failures for this issue.

https://www.2carpros.com/articles/low-or-no-air-flow-from-vents

I attached the procedure and a picture for you below of the repair.

Roy

Removal and Installation

1. Remove the passenger airbag module. For additional information, refer to Section 501-20B (SEE Restraints and Safety Systems &/or Air Bag Systems).

2. Remove the 3 panel/defrost door mode door actuator screws.

3. Reposition the panel/defrost door mode door actuator and disconnect the panel/defrost door mode door actuator electrical connector.

4. Remove the panel/defrost door mode door actuator.

5. To install, reverse the removal procedure.

6. NOTE: Because the battery is disconnected as part of the passenger airbag module removal procedure, the HVAC module will initialize and calibrate the actuators when the ignition is cycled to the ON position. Calibration of the actuators will take approximately 30 seconds.

Cycle the ignition switch to the ON position and wait 30 seconds before verifying correct panel/defrost door mode door actuator operation.
Mar 17, 2021 at 4:11 AM
Avatar
RENE MENDOZA
  • MEMBER
  • 6 POSTS
i tried removing one of the actuator but i don’t know which one would solve my problem for A/C only blowing through the defrost.
Mar 18, 2021 at 10:46 AM
Advertisement
Avatar
ASEMASTER6371
  • CERTIFIED EXPERT
  • 52,796 POSTS
It is the one behind the glove box to the left and the connector aims high.

Roy
Mar 18, 2021 at 12:30 PM
Avatar
RENE MENDOZA
  • MEMBER
  • 6 POSTS
the one in the top left that's like kind of hidden? or the one that's in the middle left?
Mar 20, 2021 at 2:37 PM
Avatar
ASEMASTER6371
  • CERTIFIED EXPERT
  • 52,796 POSTS
Middle left.

Roy
Mar 21, 2021 at 1:07 AM
Avatar
RENE MENDOZA
  • MEMBER
  • 6 POSTS
hey, so i changed the actuator blender, the one you told me and the A/C is still blowing through the dashboard only.
Mar 27, 2021 at 2:01 PM
Avatar
ASEMASTER6371
  • CERTIFIED EXPERT
  • 52,796 POSTS
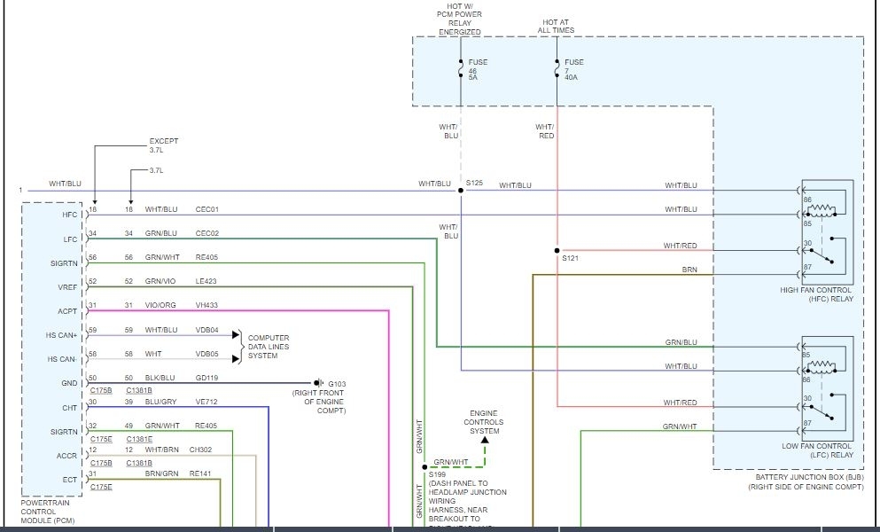
I attached a wiring diagram of the actuator. We need to do some testing to see if the correct voltages are going to the actuator.

https://www.2carpros.com/articles/how-to-check-wiring

https://www.2carpros.com/articles/how-to-use-a-voltmeter

Let me know when you are ready.

Roy
Mar 28, 2021 at 5:33 AM
Avatar
RENE MENDOZA
  • MEMBER
  • 6 POSTS
like i was telling you, it’s only blowing through the dash even when i move the gears manually myself.
Mar 28, 2021 at 11:46 AM
Avatar
RENE MENDOZA
  • MEMBER
  • 6 POSTS
i just really don’t know why it’s still not blowing air through the vents.
Mar 28, 2021 at 11:50 AM
Avatar
ASEMASTER6371
  • CERTIFIED EXPERT
  • 52,796 POSTS
You will need a voltmeter so we can do some checks from the control head.

Roy
Mar 28, 2021 at 2:59 PM