How to determine which ABS wheel speed sensor to replace?

2016 TOYOTA RAV4
90,000 MILES • 2.5L • 4 CYL • 2WD • AUTOMATIC
Avatar
CA7922303
  • MEMBER
  • 165 POSTS
ABS Wheel Speed Sensor.
Mar 8, 2025 at 5:30 AM
Advertisement
Avatar
AL514
  • CERTIFIED EXPERT
  • 5,465 POSTS
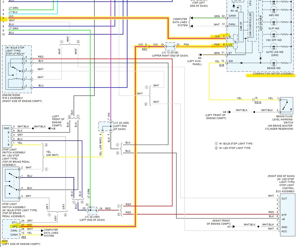
Hello, the ABS/Skid control module sends a vehicle speed signal to the instrument cluster first, then the cluster transmits that signal to the engine computer(ECM), so it looks like this is not necessarily a specific wheel speed sensor fault, but more of the ECM not receiving a speed signal from the cluster. It's possible that the cluster is not receiving a signal from the ABS module. I'll post the service info on this code, but the 2nd code is related to this first fault as well (steering angle sensor calibration). So, an open circuit from the ABS to the cluster or an open circuit from the cluster to the ECM will trigger this code. Do you have a scan tool that can check the ABS module and Cluster for any stored trouble codes? Or was this all the codes from the entire vehicle? That printout looks to be from a dealership or shop possibly.
But there should be a 12v or 5v signal, being a 4-pulse signal coming from the ABS, to the Cluster and the same 4 pulse signal is sent out to the ECM to determine vehicle speed. You could check the wiring from the ABS for any shorts to ground using a multimeter, but the Cluster should be unplugged first to isolate the circuit. If you're comfortable with this testing, we can walk you through it.
Mar 10, 2025 at 9:35 AM
Avatar
AL514
  • CERTIFIED EXPERT
  • 5,465 POSTS
If you do have a capable scan tool, I would go into the ABS module and check its live data for vehicle speed sensor signals, you should be able to read each wheel sensors signal from the ABS's live data list. And I would think the same of the Cluster, it should also have live data PIDs where each signal can be monitored. That way you can determine if the fault is in between the ABS and Cluster, or Cluster and ECM. This is something I would check with an oscilloscope, but a meter set on Ohms setting should be able to tell you if the circuit is shorted to ground.
Before testing though, record any other codes set, and you may want to clear the codes out and then check the scan tool data for any vehicle speed signals, sometimes with codes set modules will disregard certain inputs until the issue is resolved, so clearing the codes out will give you a window of time to check for a speed signal before the code sets again,
The wiring diagrams shown here (6,7) show the one wire from the ABS module to the Cluster, then out to the ECM. But I would start with checking any live data if possible. Or we can go right to checking the wire integrity, the instrument cluster is not always the easiest to get to though, some can be quite difficult to get out since the connector is going to be located on the back of the module.
Mar 10, 2025 at 9:54 AM
Advertisement