Do you have to replace the wheel bearing hub and the wheel speed sensor together?

2011 CHEVROLET AVALANCHE
115,500 MILES • 5.2L • 4WD • AUTOMATIC
Avatar
MJ56
  • MEMBER
  • 1 POST
Or can you just replace the wheel speed sensor?
Nov 20, 2022 at 5:44 AM
Advertisement
Avatar
STEVE W.
  • CERTIFIED EXPERT
  • 15,113 POSTS
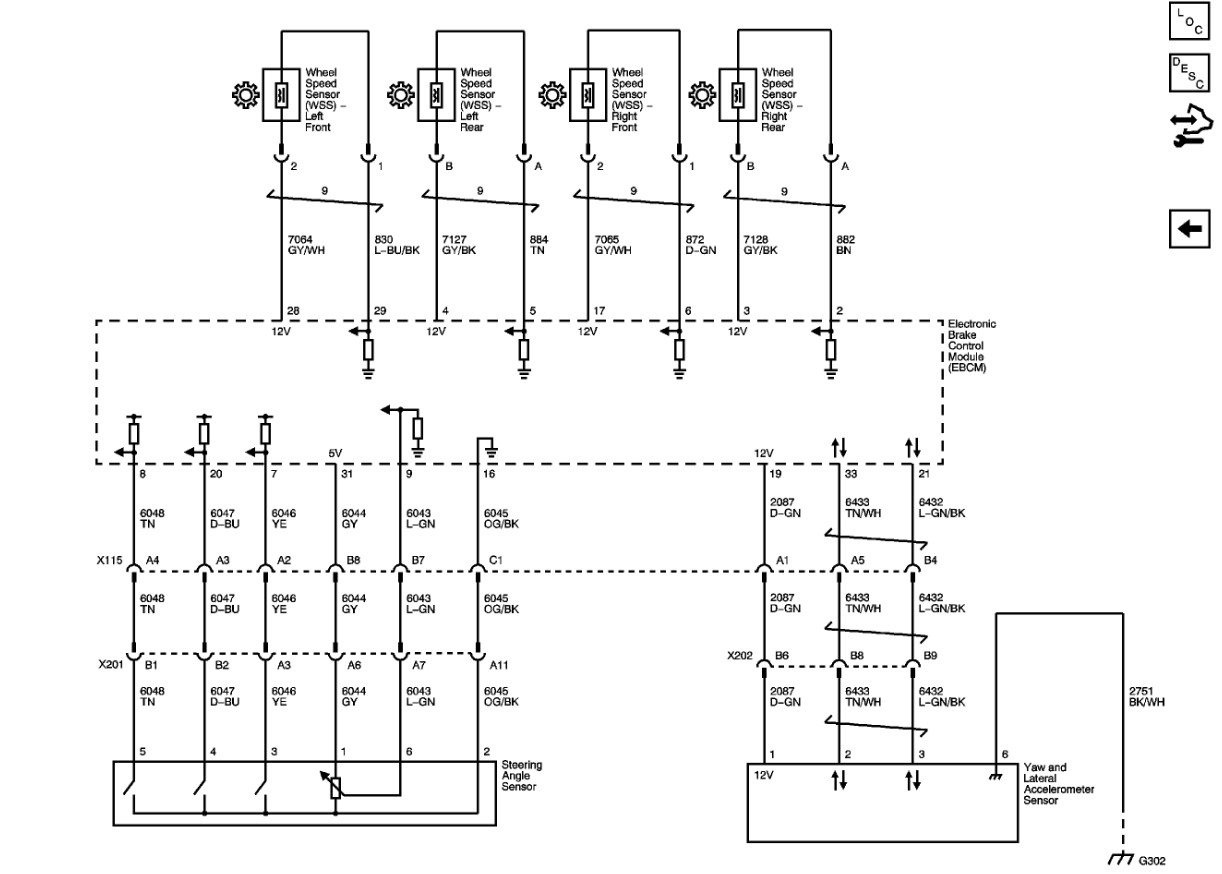
If the hub is in good shape and not making noise you can replace just the speed sensor, however if you live in an area where they salt the roads you may have a very difficult time removing the sensor without breaking it. Also, GM had an issue for a while with the harness between the ABS sensor and the brake control module failing which mimics a bad sensor.
These might help:
https://www.2carpros.com/articles/abs-wheel-speed-sensor-test
https://www.2carpros.com/articles/how-to-replace-an-abs-wheel-speed-sensor
Nov 20, 2022 at 6:38 AM