So, when the warning lights initially began, they would come on only after I turned right. They would go away once I shut the car off and were not on when I started it again. That happened for a few days before the warning lights came on and stayed on and haven't turned off since.
I had it scanned with an expensive scanner, not sure of brand but anyways came back with several C Codes:
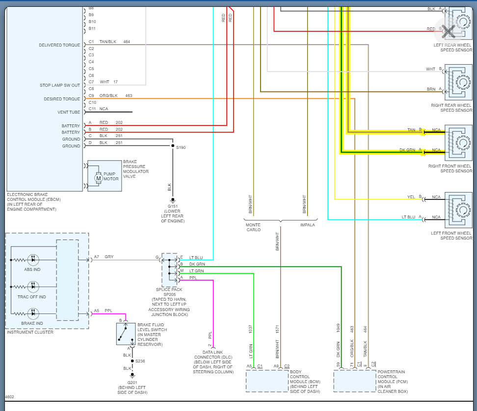
C1226 RF Speed Sensor Erratic
C1216 EBCM Command Pressure Release too Long
C1222 RF Speed Sensor No Signal
C1233 RF Speed Sensor Circuit Open/Short
Figuring it's probably an electrical issue, I paid for the front wheel hub assembly on both sides to be replaced lol why? Well mainly because I have no idea how to deal with an electrical issue and I hoped for the best.
Well after the wheel hub assembly replacement, unfortunately the warning lights on my dash are still on. They don't blink, they are just on the entire time.
Had it scanned again - one code remains.
C1233 - circuit short/ open.
My vehicle, the actual Speed sensor is built into the hub so since that has been replaced and without doing all the testing because it seems like something I can't do, I figure I should replace the wire harness that goes from the Speed sensor to the EBCM? But I can't seem to find this part online except for ones that have a connector on one end and 2 wires on the other.
I just really want the lights off. I live in Minnesota so all weather conditions, and when I bought the vehicle off a used lot last year it was good, no warning lights but the A/C didn't work. They told me all it needed was freon refill but that was an absolute lie. Also, the first time I pushed the cigarette lighter in it came shooting out at me and then that never worked again. The scanner also said the power locks circuit was high. Kind of freaking out thinking there is some major electrical issue, but I'm getting ahead of myself.
On fixed income, can't afford to bring it in.
Is there a specific part number for the wiring/ connector that comes off of ECBM And is that the same as the Speed sensor wire harness??
Too much Googling super confused.
Oh, yea and while scanner was plugged in, we drove it. The right front wheel stayed at zero the whole time. The other three tires were all the same numbers which changed depending on my speed. But that rf stayed at zero.
I had it scanned with an expensive scanner, not sure of brand but anyways came back with several C Codes:
C1226 RF Speed Sensor Erratic
C1216 EBCM Command Pressure Release too Long
C1222 RF Speed Sensor No Signal
C1233 RF Speed Sensor Circuit Open/Short
Figuring it's probably an electrical issue, I paid for the front wheel hub assembly on both sides to be replaced lol why? Well mainly because I have no idea how to deal with an electrical issue and I hoped for the best.
Well after the wheel hub assembly replacement, unfortunately the warning lights on my dash are still on. They don't blink, they are just on the entire time.
Had it scanned again - one code remains.
C1233 - circuit short/ open.
My vehicle, the actual Speed sensor is built into the hub so since that has been replaced and without doing all the testing because it seems like something I can't do, I figure I should replace the wire harness that goes from the Speed sensor to the EBCM? But I can't seem to find this part online except for ones that have a connector on one end and 2 wires on the other.
I just really want the lights off. I live in Minnesota so all weather conditions, and when I bought the vehicle off a used lot last year it was good, no warning lights but the A/C didn't work. They told me all it needed was freon refill but that was an absolute lie. Also, the first time I pushed the cigarette lighter in it came shooting out at me and then that never worked again. The scanner also said the power locks circuit was high. Kind of freaking out thinking there is some major electrical issue, but I'm getting ahead of myself.
On fixed income, can't afford to bring it in.
Is there a specific part number for the wiring/ connector that comes off of ECBM And is that the same as the Speed sensor wire harness??
Too much Googling super confused.
Oh, yea and while scanner was plugged in, we drove it. The right front wheel stayed at zero the whole time. The other three tires were all the same numbers which changed depending on my speed. But that rf stayed at zero.
Jun 11, 2022 at 4:12 AM





