ABS pump

2006 CHRYSLER 300
62,000 MILES • 2.7L • 6 CYL • 2WD • AUTOMATIC
Avatar
TRA
  • MEMBER
  • 41 POSTS
Can ABS pump be called by any other name?
Jan 18, 2018 at 6:24 PM
Advertisement
Avatar
STEVE W.
  • CERTIFIED EXPERT
  • 15,113 POSTS
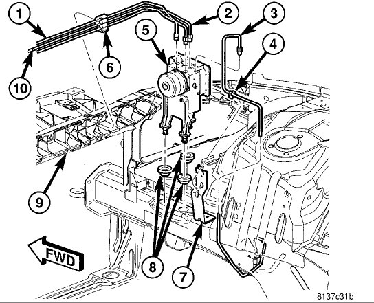
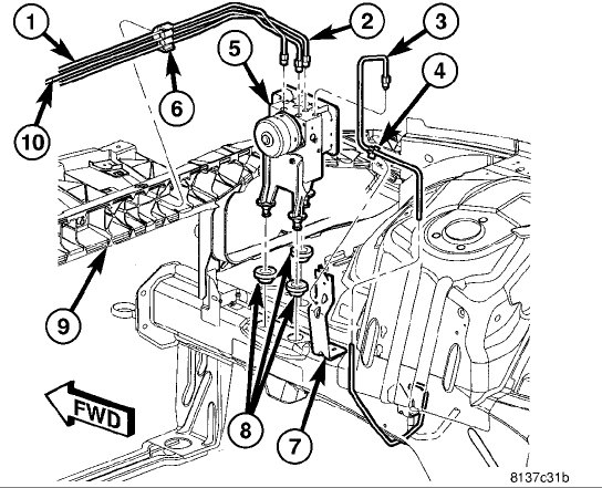
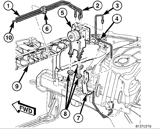
Well I have called them a few different names but most are not real friendly. Other than that Chrysler usually calls the ABS system the "electronic brake control module and the hydraulic control unit". The EBCM is the electronics and solenoids while the HCU is the pump and mechanical parts. The combined unit is number five in the picture.

What is the issue you are having with the system?
Mar 15, 2021 at 9:56 AM
Avatar
TRA
  • MEMBER
  • 41 POSTS
LOL. Did it answer when you called it by those other names? :-) Thanks for that picture. I am trying to see how easy it would be to change that part if I had to, since folks want to charge $175.00 for just labor on that plus the part cost. Hoping I will not have to do that anyway and can get fluid going to this one wheel that I cannot get it to right now (front right).
Mar 15, 2021 at 9:56 AM
Advertisement
Avatar
STEVE W.
  • CERTIFIED EXPERT
  • 15,113 POSTS
If you are bleeding the brakes or changed out a failed hose/caliper and now you cannot get fluid it is likely that you will need a scan tool that can purge the ABS system of air.
That will reset the valving in the HCU and let fluid pass.
Mar 15, 2021 at 9:56 AM
Avatar
TRA
  • MEMBER
  • 41 POSTS
My car ran hot only while the A/C was on one day recently. I looked up some things. Think I know what it is. But, can you first tell me if since a stupid supposed mechanic put 100% concentrate antifreeze in my car a while back (and I do not drive a lot because I work from home), can that cause this? In other words, what effects can that 100% have on the car and its parts? And Can it eventually cause the fans to stop turning?
Mar 15, 2021 at 9:56 AM
Avatar
DANNY L
  • CERTIFIED EXPERT
  • 5,648 POSTS
Hello, I am Danny.

Having 100% undiluted antifreeze will not really do damage to the engine/parts it just will not be as effective in cooling performance. It is better to have a 50/50 mix of antifreeze and water.That helps cool better. The fans not working can be the fan motor(s) themselves or a fan relay. A coolant temperature switch being bad would also be a cause. Also, have you checked the fuses? I will attach few tutorials for you how to test. Hope this helps and feel free to ask any questions if needed. Thanks for using 2CarPros.
Danny-

https://www.2carpros.com/articles/how-to-check-an-electrical-relay-and-wiring-control-circuit

https://www.2carpros.com/articles/how-an-electric-cooling-fan-works
Mar 15, 2021 at 9:56 AM