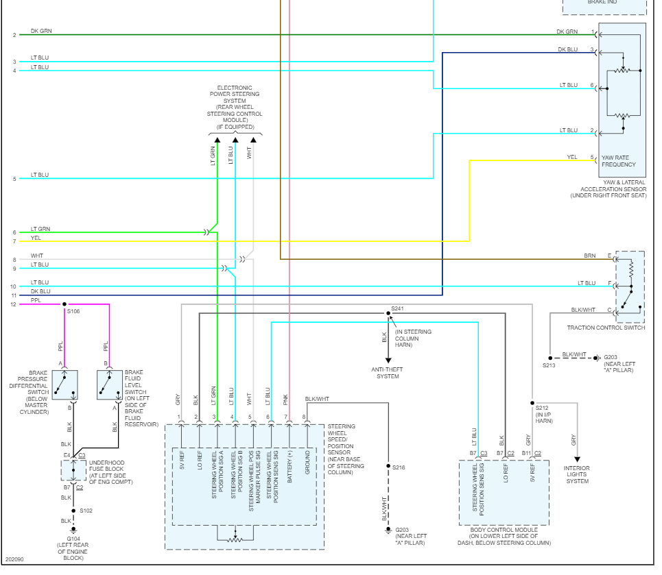
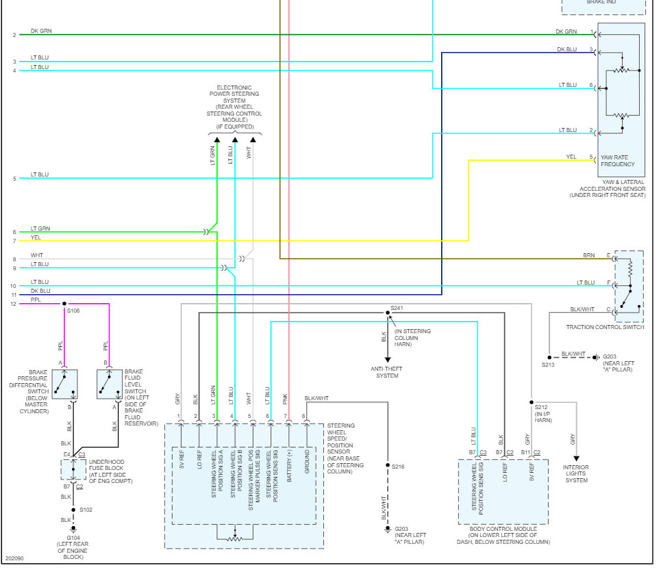
ABS has a lost communication with scanning tools. And the ABS malfunction light is on steady. And I think this is the reason why the transmission is not changing while driving.
May 29, 2023 at 5:25 AM







