Good afternoon.
Below is the procedure for removing.
Yes, you can do it yourself. It does not have to be flashed.
Roy
REMOVAL
1. Disconnect the negative (ground) cable from the battery and isolate it.
CAUTION: Before disassembling the ICU, the ICU must be thoroughly cleaned. This must be done to prevent dirt particles and debris from entering into vital areas of the ICU.
2. Thoroughly clean all surfaces of the ICU and brake tubes. Use only a solvent such as Mopar(R) Brake Parts Cleaner or equivalent.
imageZoom/Print
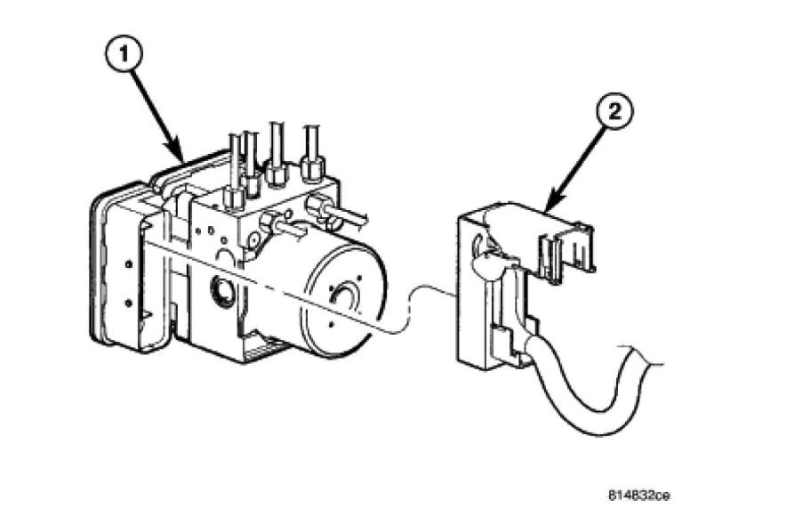
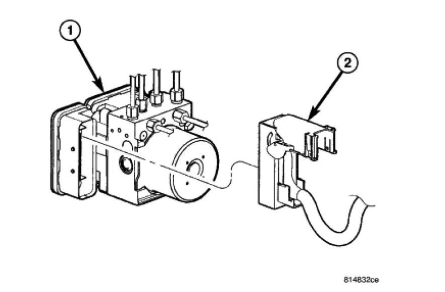
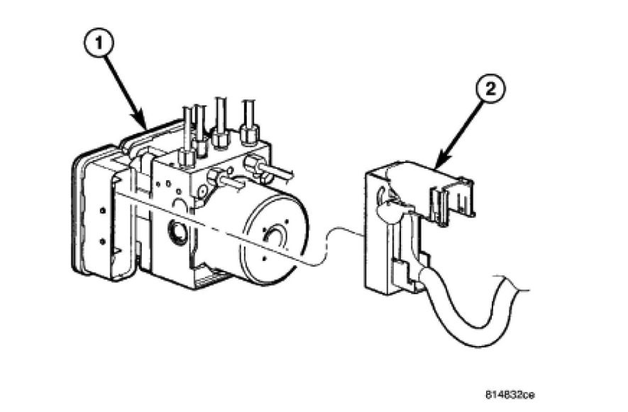
NOTE: Use this figure in the following step to release the ABM harness connector cover. It shows the location of the release tabs.
imageZoom/Print
3. Disconnect the ABM harness connector from the Antilock Brake Module (ABM). To do so:
a. Depress the tabs on each side of the connector cover, then
b. Pull outward and upward on the lower half of the cover until it locks into position pointing straight outward (2). The connector can then be pulled straight outward off the ABM (1).
imageZoom/Print
4. Remove the four screws (1) attaching the ABM (2) to the HCU.
imageZoom/Print
5. Separate the ABM (1) from the HCU (2).
8. Hook up the scan tool to initialize the ABM and perform the following:
a. Clear any faults.
b. Perform the ABS Verification Test and road test the vehicle.See: A L L Diagnostic Trouble Codes ( DTC ) > Verification Tests > ABS Verification Test
Images (Click to enlarge)
Mar 15, 2021 at 12:56 PM