ABS module wiring Diagram?

2017 HYUNDAI SANTA FE
14,576 MILES • 2.4L • 4 CYL • 4WD • AUTOMATIC
Avatar
ANDRIN ATEM
  • MEMBER
  • 393 POSTS
SANTA FE SPORT / 2017/HYUN



5XYZTDLB4HG391081
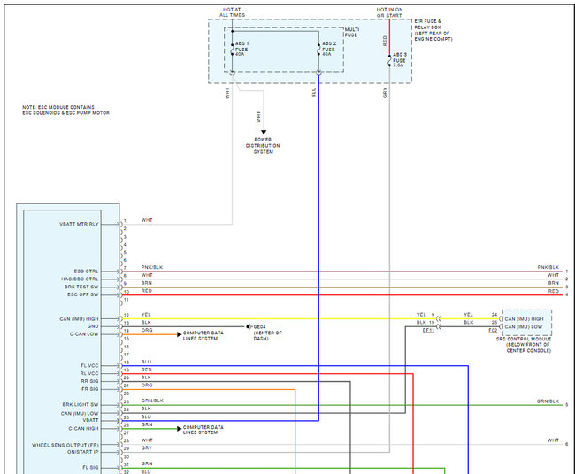
Please can you provide me with the ABS pinout signals and Diagram?

The wiring Diagram for the ABM unit module pump below I have attached the model for the exact ABS module.

Thank you!
Aug 30, 2025 at 5:17 AM
Advertisement
Avatar
STRAILER
  • CERTIFIED EXPERT
  • 53,854 POSTS
We dont have the pin outs but do have the ABS wiring daigrams so you can see how it works and which wires to test. Check out the images (below). Let us know how it goes.

Aug 30, 2025 at 7:02 PM
Avatar
ANDRIN ATEM
  • MEMBER
  • 393 POSTS
Thank you Ken. Great job, let me check it out. Will let you know what’s next.
Aug 31, 2025 at 12:36 AM
Advertisement
Avatar
STRAILER
  • CERTIFIED EXPERT
  • 53,854 POSTS
You are welcome Andrin, please let me know what you find.
Aug 31, 2025 at 9:26 AM